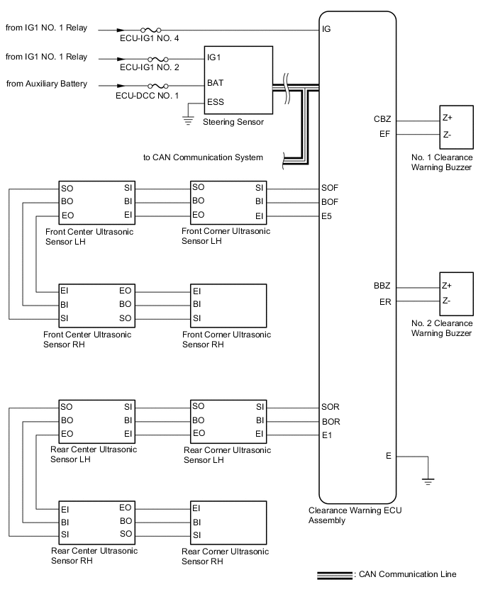
INTELLIGENT CLEARANCE SONAR SYSTEM SYSTEM DIAGRAM

A003KJ4E04
A003N1FE01
Communication Table
Sender Receiver Signal Line
Clearance Warning ECU Assembly Meter Circuit Plate
  • Sonar information signal

  • Control status signal

CAN Communication Line
ECM Clearance Warning ECU Assembly Engine speed signal CAN Communication Line
Hybrid Vehicle Control ECU Clearance Warning ECU Assembly Control status signal CAN Communication Line
Airbag ECU Assembly Clearance Warning ECU Assembly Yaw rate and acceleration sensor (airbag ECU assembly) signal CAN Communication Line
Meter Circuit Plate Clearance Warning ECU Assembly Vehicle speed signal CAN Communication Line
Steering Sensor Clearance Warning ECU Assembly Steering angle signal CAN Communication Line
Skid Control ECU Clearance Warning ECU Assembly
  • Vehicle speed signal

  • Control status signal

CAN Communication Line
Air Conditioning Amplifier Assembly Clearance Warning ECU Assembly Ambient temperature signal CAN Communication Line

Main Body ECU

(Multiplex Network Body ECU)

Clearance Warning ECU Assembly Vehicle information signal CAN Communication Line
Clearance Warning ECU Assembly Combination Meter Mirror ECU* Control status signal CAN Communication Line