NAVIGATION SYSTEM(for Radio and Display Type) SYSTEM DIAGRAM

A003MVUE02
A003KM9E03
A003NPHE07
A003NBME06

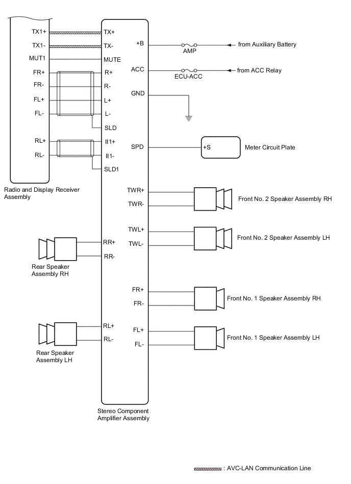
Figure 1. for 6 Speakers

A003L6IE17

Figure 2. for 10 Speakers

A003M5HE04