AUDIO AND VISUAL SYSTEM SYSTEM DIAGRAM

A003MWWE02
A003KYWE01
A003LOFE03
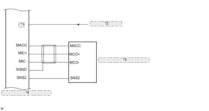
*1 REV
*2 from BKUP LP Relay
*3 Telephone Microphone Assembly
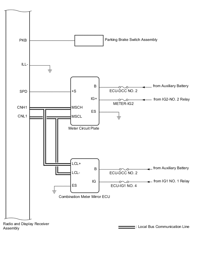
*4 Radio and Display Receiver Assembly
A003NPHE08
A003M8SE01