HEATED STEERING WHEEL SYSTEM Steering Wheel does not Heat Up When Heated Steering Wheel Switch is Pressed

DESCRIPTION

Click here

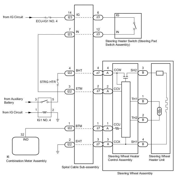
WIRING DIAGRAM

A003M1GE02

CAUTION / NOTICE / HINT

Tech Tips


  • Inspect the fuses for circuits related to this system before performing the following procedure.

  • The steering wheel heater unit is built into the steering wheel assembly which cannot be disassembled. Therefore, when the steering wheel heater unit has a malfunction, replace the steering wheel assembly.

PROCEDURE


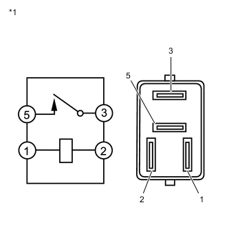
  1. CHECK IG1 NO. 4 RELAY


    1. Remove the IG1 NO. 4 relay from the No. 2 relay block assembly.

    2. A003MMUC03
      *1 IG1 NO. 4 Relay

      Measure the resistance according to the value(s) in the table below.

      Standard Resistance
      Tester Connection Condition Specified Condition
      3 - 5 Voltage is not applied between terminals 1 and 2 10 kΩ or higher
      Voltage is applied between terminals 1 and 2 Below 1 Ω
      Result
      Proceed to
      OK
      NG

    NG
    OK
  2. CHECK STEERING HEATER SWITCH (STEERING PAD SWITCH ASSEMBLY)


    1. Disconnect the z3 steering heater switch (steering pad switch assembly) connector.

    2. Measure the resistance according to the value(s) in the table below.

      Standard Resistance
      Tester Connection Condition Specified Condition
      z3-6 (IG) - z3-12 (IN) Steering heater switch is not pushed 10 kΩ or higher
      Steering heater switch is pushed 2.5 Ω or less
      Result
      Proceed to
      OK
      NG

    NG
    OK
  3. CHECK HARNESS AND CONNECTOR (SPIRAL CABLE SUB-ASSEMBLY POWER SOURCE)


    1. A003OB2C02
      *a

      Front view of wire harness connector

      (to Spiral Cable Sub-assembly)

      Disconnect the I22 and I23 spiral cable sub-assembly connector.

    2. Measure the voltage according to the value(s) in the table below.

      Standard Voltage
      Tester Connection Condition Specified Condition
      I22-4 (BHT) - Body ground Power switch on (IG) 11 to 14 V
      I23-14 (IG) - Body ground Power switch on (IG) 11 to 14 V
      Result
      Proceed to
      OK
      NG

    NG
    OK
  4. INSPECT SPIRAL CABLE SUB-ASSEMBLY


    1. Check the connectors and cables of the spiral cable sub-assembly.

      OK
      There are no defects such as scratches, cracks, dents or damage on the connectors or cables.
    2. Disconnect the I22, I23, z3 and z7 spiral cable sub-assembly connectors.

    3. Measure the resistance according to the value(s) in the table below.

      A003LCKC02
      *a

      Component without harness connected

      (Spiral Cable Sub-assembly)

      - -
      Standard Resistance
      Tester Connection Condition Specified Condition
      I23-7 (IN) - z3-12 (IN) Always 3 Ω or less
      I23-14 (IG) - z3-6 (IG) Always 3 Ω or less
      z7-1 (BTM) - I22-1 (BTM) Always 3 Ω or less
      z7-2 (ETM) - I22-3 (ETM) Always 3 Ω or less
      z7-3 (EHT) - I22-2 (EHT) Always Below 0.1 Ω
      z7-4 (BHT) - I22-4 (BHT) Always Below 0.1 Ω
      Result
      Proceed to
      OK
      NG

    NG
    OK
  5. CHECK HARNESS AND CONNECTOR (SPIRAL CABLE SUB-ASSEMBLY INTERMEDIATE HARNESS)


    1. Disconnect the I22 and I23 spiral cable sub-assembly connector.

    2. Measure the resistance according to the value(s) in the table below.

      Standard Resistance
      Tester Connection Condition Specified Condition
      I23-7 (IN) -I22-3 (ETM) Always Below 1 Ω
      I23-7 (IN) or I22-3 (ETM) - Body ground Always 10 kΩ or higher
      Result
      Proceed to
      OK
      NG

    NG
    OK
  6. INSPECT STEERING WHEEL HEATER UNIT (THERMISTOR/HEATER/THERMOSTAT)


    1. A003MRLC01
      *a

      Front view of wire harness connector

      (to Steering Wheel Heater Control Assembly)

      Disconnect the B steering wheel heater control assembly connector.

    2. Measure the resistance according to the value(s) in the table below.

      Standard Resistance
      Tester Connection Condition Specified Condition
      B-1 (TH1) - B-2 (TH2) 10 to 30°C (50 to 86°F) 8.132 to 18.43 kΩ
      B-4 (SH1) - B-3 (SH2) 20°C (68°F) 1.89 to 2.25 Ω
      Result
      Proceed to
      OK
      NG

    NG
    OK
  7. CHECK HARNESS AND CONNECTOR (SPIRAL CABLE SUB-ASSEMBLY - BODY GROUND)


    1. Disconnect the I22 spiral cable sub-assembly connector.

    2. Measure the resistance according to the value(s) in the table below.

      Standard Resistance
      Tester Connection Condition Specified Condition
      I22-2 (EHT) - Body ground Always Below 1 Ω
      Result
      Proceed to
      OK
      NG

    OK
    NG