FORWARD RECOGNITION CAMERA SYSTEM, Diagnostic DTC:C1AAE

DTC Code DTC Name
C1AAE Heater Circuit

DESCRIPTION

The forward recognition camera turns the camera heater (forward recognition hood) on or off.

C1AAE is stored when the forward recognition camera detects a malfunction in the camera heater circuit.

DTC No. Detection Item DTC Detection Condition Trouble Area
C1AAE Heater Circuit Malfunction is in camera heater (forward recognition hood) circuit.
  • Camera heater (forward recognition hood)

  • Forward recognition camera

  • Harness or connector

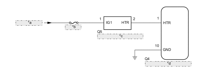
WIRING DIAGRAM

B0026PBE22
*a from IG Circuit
*b IG1 NO. 5
*c Camera Heater (Forward Recognition Hood)
*d Forward Recognition Camera

CAUTION / NOTICE / HINT

Note


  • Inspect the fuses for circuits related to this system before performing the following procedure.

  • When replacing the forward recognition camera, always replace it with a new one. If a forward recognition camera which was installed to another vehicle is used, the information stored in the forward recognition camera will not match the information from the vehicle. As a result, a DTC may be stored.

  • If the forward recognition camera has been replaced with a new one, be sure to perform Forward Recognition Camera Axis Adjustment.

    Click here

PROCEDURE


  1. CHECK FOR DTCs (FORWARD RECOGNITION CAMERA SYSTEM)


    1. Clear the DTCs.

      Click here


      Chassis > Front Recognition Camera > Clear DTCs
    2. Make sure that the DTC detection conditions are met.

      Tech Tips

      If the conditions are not met, the system cannot detect the malfunction.

    3. Check for DTCs.

      Click here


      Chassis > Front Recognition Camera > Trouble Codes
      Result
      Result Proceed to
      DTC C1AAE is not output A
      DTC C1AAE is output B

    A
    B
  2. CHECK CAMERA HEATER (FORWARD RECOGNITION HOOD)


    1. B0026O9C02
      *a

      Component without harness connected

      (Camera Heater (Forward Recognition Hood))

      Disconnect the Q5 camera heater (forward recognition hood) connector.

    2. Measure the resistance according to the value(s) in the table below.

      Standard Resistance
      Tester Connection Condition Specified Condition
      Q5-1 (IG1) - Q5-2 (HTR) Ignition switch off 38 to 42 Ω
    3. Connect the Q5 camera heater (forward recognition hood) connector.

      Result
      Proceed to
      OK
      NG

    NG
    OK
  3. CHECK HARNESS AND CONNECTOR (CAMERA HEATER (FORWARD RECOGNITION HOOD) POWER SOURCE VOLTAGE)


    1. B00256PC05
      *a

      Front view of wire harness connector

      (to Camera Heater (Forward Recognition Hood))

      Disconnect the Q5 camera heater (forward recognition hood) connector.

    2. Measure the voltage according to the value(s) in the table below.

      Standard Voltage
      Tester Connection Condition Specified Condition
      Q5-1(IG1) - Body ground Ignition switch ON 11 to 14 V
      Ignition switch off Below 1 V
    3. Connect the Q5 camera heater (forward recognition hood) connector.

      Result
      Proceed to
      OK
      NG

    NG
    OK
  4. CHECK HARNESS AND CONNECTOR (CAMERA HEATER (FORWARD RECOGNITION HOOD) - FORWARD RECOGNITION CAMERA)


    1. Disconnect the Q5 camera heater (forward recognition hood) connector.

    2. Disconnect the Q4 forward recognition camera connector.

    3. Measure the resistance according to the value(s) in the table below.

      Standard Resistance
      Tester Connection Condition Specified Condition
      Q5-2 (HTR) - Q4-1 (HTR) Always Below 1 Ω
      Q5-2 (HTR) or Q4-1 (HTR) - Body ground Always 10 kΩ or higher
    4. Connect the Q5 camera heater (forward recognition hood) connector.

    5. Connect the Q4 forward recognition camera connector.

      Result
      Proceed to
      OK
      NG

    NG
    OK
  5. CHECK HARNESS AND CONNECTOR (FORWARD RECOGNITION CAMERA - BODY GROUND)


    1. Disconnect the Q4 forward recognition camera connector.

    2. Measure the resistance according to the value(s) in the table below.

      Standard Resistance
      Tester Connection Condition Specified Condition
      Q4-10 (GND) - Body ground Always Below 1 Ω
    3. Connect the Q4 forward recognition camera connector

      Result
      Proceed to
      OK
      NG

    OK
    NG