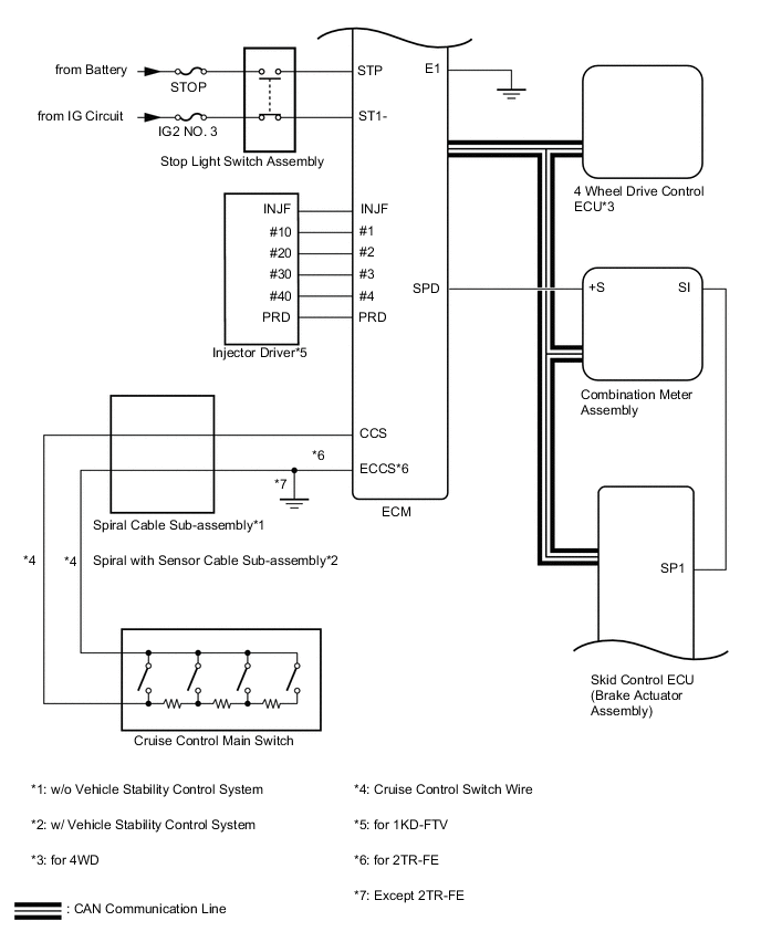
CRUISE CONTROL SYSTEM SYSTEM DIAGRAM

B0024YSE01
B0027Q0E01
B0026U3E04
Communication Table
Sender Receiver Signal Line
ECM

Combination Meter Assembly


  • Cruise Control Indicator Light

  • Cruise Control SET Indicator Light

Cruise control indicator light and cruise control SET indicator light operation signal CAN
Skid Control ECU (Brake Actuator Assembly) ECM
  • Vehicle speed signal

  • Cruise control cancellation request signal*1

CAN
4 Wheel Drive Control ECU*2 ECM Cruise control cancel request signal CAN