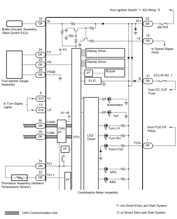
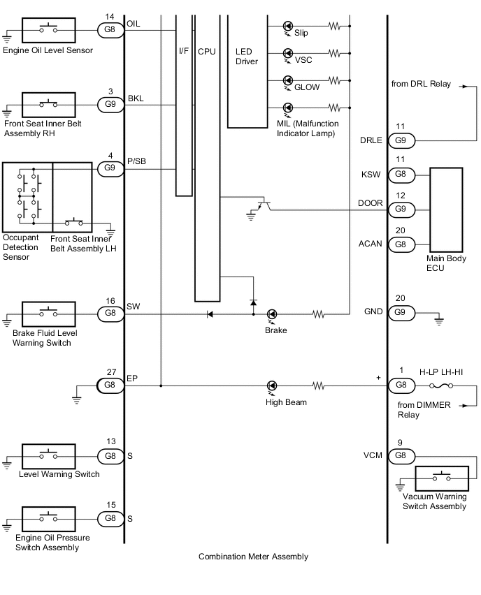
METER / GAUGE SYSTEM SYSTEM DIAGRAM


  1. CAN SIGNAL

    Click here

  2. DIRECT LINE SIGNAL

    B003OOJE01
    B003MWNE01
    B003M4KE05
    B003JKYE01