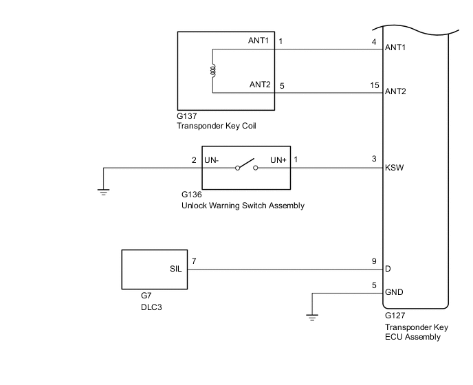
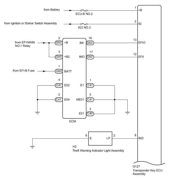
IMMOBILISER SYSTEM(w/o Smart Entry and Start System) SYSTEM DIAGRAM

B003QJHE02
B003QJOE03