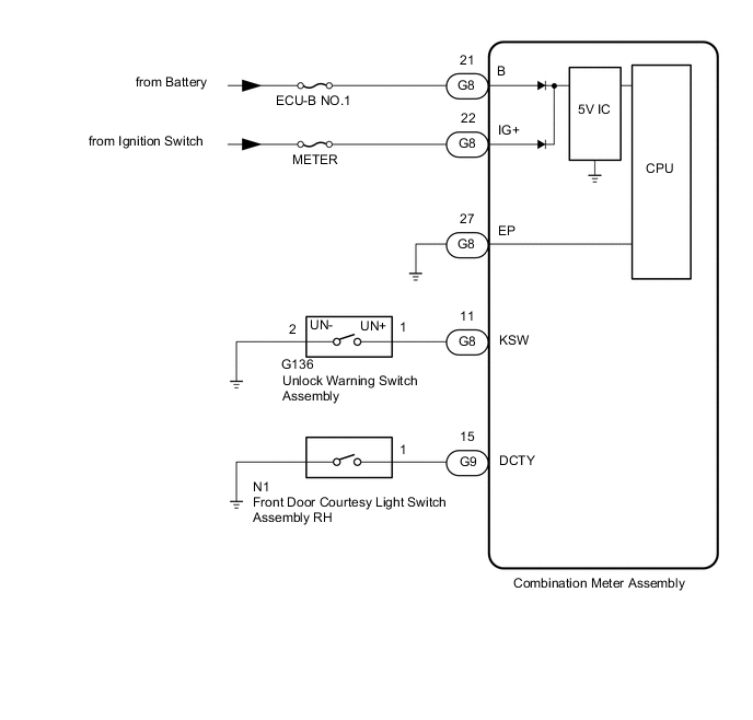
KEY REMINDER WARNING SYSTEM SYSTEM DIAGRAM

B003N88E06