WIRELESS DOOR LOCK CONTROL SYSTEM(w/ Smart Entry and Start System), Diagnostic DTC:B1242

DTC Code DTC Name
B1242 Wireless Door Lock Tuner Circuit Malfunction

DESCRIPTION

The door control receiver is used to receive radio waves related to the entry functions of the electrical key transmitter sub-assembly. The certification ECU (smart key ECU assembly) decodes the requested electrical key transmitter sub-assembly operation by identifying a key code based on the radio waves received via the door control receiver. The door control receiver receives a signal from the electrical key transmitter sub-assembly and sends signals to the certification ECU (smart key ECU assembly). (ex. if a door lock operation is requested, the certification ECU (smart key ECU assembly) sends a door lock command to the body ECU).

DTC No. Detection Item DTC Detection Condition Trouble Area
B1242 Wireless Door Lock Tuner Circuit Malfunction
  • Short in RDAS to ground between the certification ECU (smart key ECU assembly) and door control receiver.

  • Short in RDAS to ground when RCO (5 V) output from the ECU is off.


  • Harness or connector

  • Door control receiver

  • Certification ECU (smart key ECU assembly)

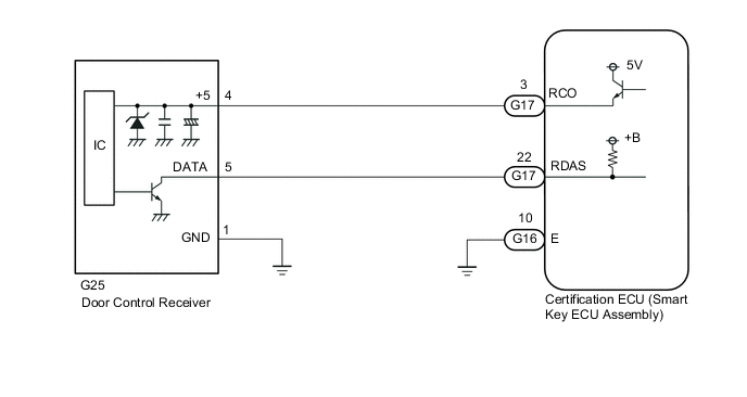
WIRING DIAGRAM

B003M6TE01

CAUTION / NOTICE / HINT

Note


  • When replacing or inspecting the door control receiver and wire harness, do not change the position or length of the wire harness. If the wire harness is too close to the door control receiver, entry and wireless function performance may be affected.

  • This DTC is not detected within 10 seconds after the engine switch is turned off from on (IG).

  • When replacing the certification ECU (smart key ECU assembly), refer to the Service Bulletin.

PROCEDURE


  1. CHECK CERTIFICATION ECU (SMART KEY ECU ASSEMBLY)


    1. Disconnect the G25 door control receiver connector.

      B003MG6C03
      *a

      Component with harness connected

      (Certification ECU [Smart Key ECU Assembly])

      - -
    2. Measure the resistance according to the value(s) in the table below.

      Standard Resistance
      Tester Connection Condition Specified Condition
      G16-10 (GND) - Body ground Always Below 1 Ω
    3. Measure the voltage and check for pulses according to the value(s) in the table below.

      Standard Voltage
      Tester Connection Condition Specified Condition
      G17-3 (RCO) - Body ground Always 4.5 to 5.5 V pulse generation at regular intervals
      G17-22 (RDAS) - Body ground Always 11 to 14 V
      Result
      Proceed to
      OK
      NG

    OK
    NG
  2. CHECK HARNESS AND CONNECTOR (DOOR CONTROL RECEIVER - CERTIFICATION ECU [SMART KEY ECU ASSEMBLY] AND BODY GROUND)


    1. Disconnect the G25 door control receiver connector.

    2. Disconnect the G16 and G17 certification ECU (smart key ECU assembly) connectors.

    3. Measure the resistance according to the value(s) in the table below.

      Standard Resistance
      Tester Connection Condition Specified Condition
      G25-5 (DATA) - G17-22 (RDAS) Always Below 1 Ω
      G25-4 (+5) - G17-3 (RCO) Always Below 1 Ω
      G25-1 (GND) - Body ground Always Below 1 Ω
      G16-10 (E) - Body ground Always Below 1 Ω
      G25-5 (DATA) or G17-22 (RDAS) - Body ground Always 10 kΩ or higher
      G25-4 (+5) or G17-3 (RCO) - Body ground Always 10 kΩ or higher
      Result
      Proceed to
      OK
      NG

    OK
    NG