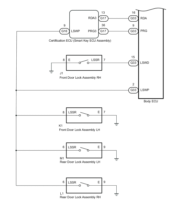
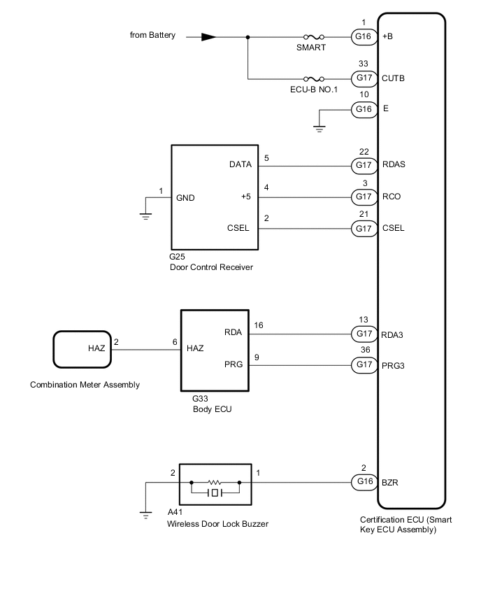
WIRELESS DOOR LOCK CONTROL SYSTEM(w/ Smart Entry and Start System) SYSTEM DIAGRAM


  1. Wireless Door Lock Control System

    B003Q4ME01
    B003KDOE03
    B003R7PE07
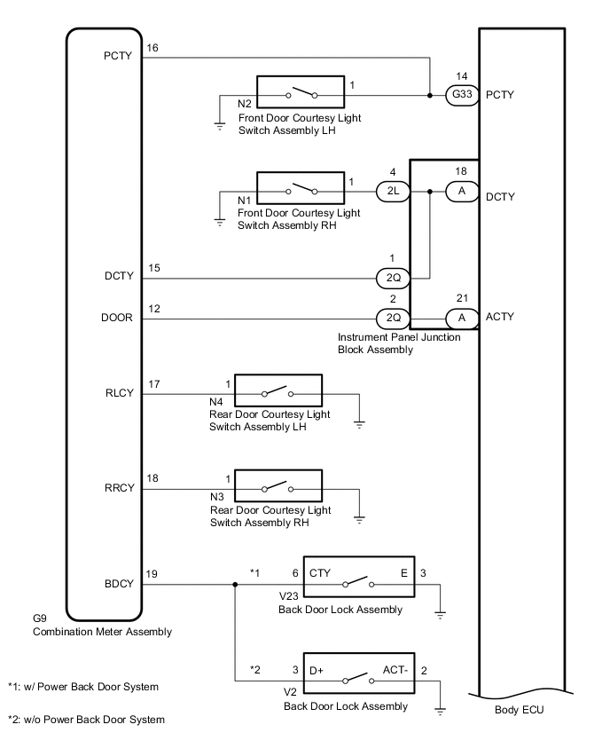
  2. Power Door Lock Control System

    Click here