POWER DOOR LOCK CONTROL SYSTEM All Doors LOCK/UNLOCK Functions do not Operate Via Door Control Switch or Door Key Cylinder

DESCRIPTION

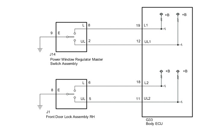
The body ECU receives switch signals from the power window regulator master switch assembly and driver door key cylinder lock or unlock switch signals from the front door lock assembly RH. The body ECU activates the door lock motor on each door according to these signals.

WIRING DIAGRAM


  1. Figure 1. w/o Smart Entry and Start System

    B003OMLE05

    Figure 2. w/ Smart Entry and Start System

    B003KAIE04

CAUTION / NOTICE / HINT

Note

If the body ECU has been replaced, it is necessary to initialize the body ECU.

Click here

PROCEDURE


  1. CHECK DOOR LOCK OPERATION


    1. Check door lock operation.

      Click here

      Result
      Result Proceed to
      All doors cannot be locked by power window regulator master switch assembly (w/o Smart Entry and Start System) A
      All doors cannot be locked by power window regulator master switch assembly (w/ Smart Entry and Start System) B
      All doors cannot be locked by driver door key cylinder C

    B
    C
    A
  2. INSPECT POWER WINDOW REGULATOR MASTER SWITCH ASSEMBLY


    1. Remove the power window regulator master switch assembly.

      Click here

    2. Inspect the power window regulator master switch assembly.

      Click here

      Result
      Proceed to
      OK
      NG

    NG
    OK
  3. CHECK HARNESS AND CONNECTOR (POWER WINDOW REGULATOR MASTER SWITCH ASSEMBLY - BODY ECU AND BODY GROUND)


    1. Disconnect the J14 power window regulator master switch assembly connector.

    2. Disconnect the G33 body ECU connector.

    3. Measure the resistance according to the value(s) in the table below.

      Standard Resistance
      Tester Connection Condition Specified Condition
      J14-8 (L) - G33-19 (L1) Always Below 1 Ω
      J14-8 (L) or G33-19 (L1) - Body ground Always 10 kΩ or higher
      J14-2 (UL) - G33-12 (UL1) Always Below 1 Ω
      J14-2 (UL) or G33-12 (UL1) - Body ground Always 10 kΩ or higher
      J14-9 (E) - Body ground Always Below 1 Ω
      Result
      Proceed to
      OK
      NG

    OK
    NG
  4. CHECK POWER WINDOW CONTROL SYSTEM


    1. Check the power window control system.

      Click here

      OK
      Power window control system operates normally.
      Result
      Proceed to
      OK
      NG

    NG
    OK
  5. REPLACE POWER WINDOW REGULATOR MASTER SWITCH ASSEMBLY


    1. Replace the power window master switch assembly.

      Click here

      Result
      Proceed to
      NEXT

    NEXT
  6. CHECK DOOR LOCK OPERATION


    1. Check door lock operation.

      Click here

      OK
      Power door lock control system operates normally.
      Result
      Proceed to
      OK
      NG

    OK
    NG
  7. INSPECT FRONT DOOR LOCK ASSEMBLY


    1. Remove the front door lock assembly RH.

      Click here

    2. Inspect the front door lock assembly RH.

      Click here

      Result
      Proceed to
      OK
      NG

    NG
    OK
  8. CHECK HARNESS AND CONNECTOR (FRONT DOOR LOCK ASSEMBLY - BODY ECU AND BODY GROUND)


    1. Disconnect the J1 front door lock assembly RH connector.

    2. Disconnect the G33 body ECU connector.

    3. Measure the resistance according to the value(s) in the table below.

      Standard Resistance
      Tester Connection Condition Specified Condition
      J1-6 (L) - G33-18 (L2) Always Below 1 Ω
      J1-6 (L) or G33-18 (L2) - Body ground Always 10 kΩ or higher
      J1-5 (UL) - G33-11 (UL2) Always Below 1 Ω
      J1-5 (UL) or G33-11 (UL2) - Body ground Always 10 kΩ or higher
      J1-8 (E) - Body ground Always Below 1 Ω
      Result
      Proceed to
      OK
      NG

    OK
    NG