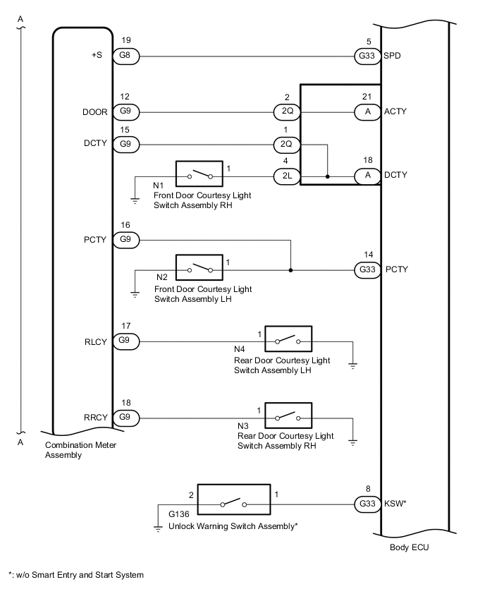
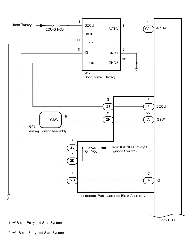
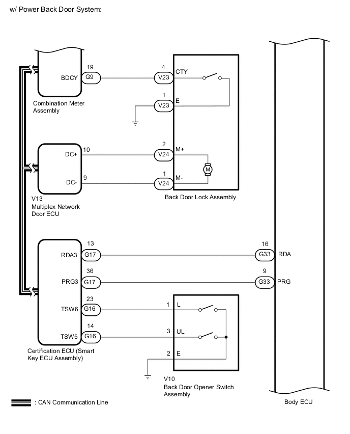
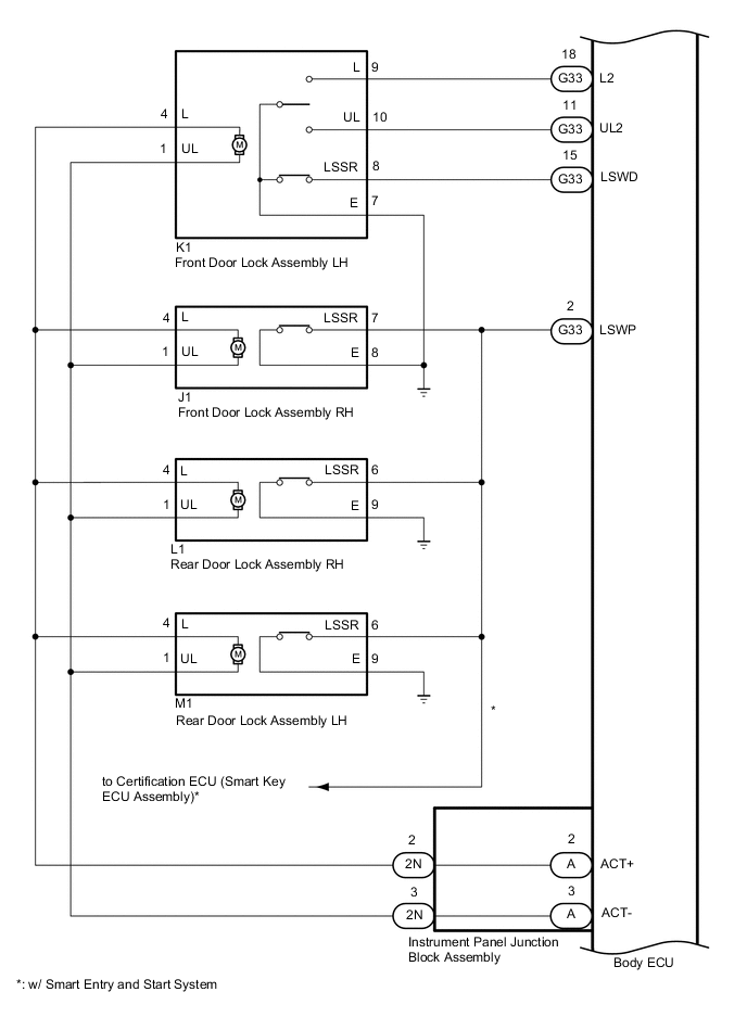
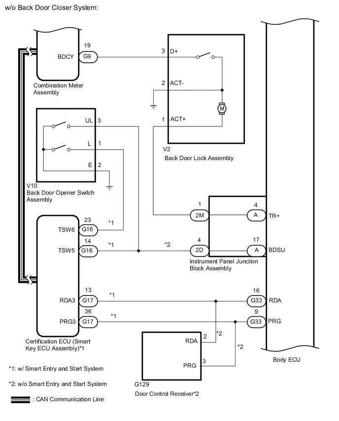
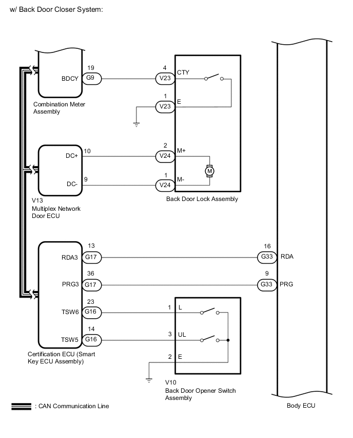
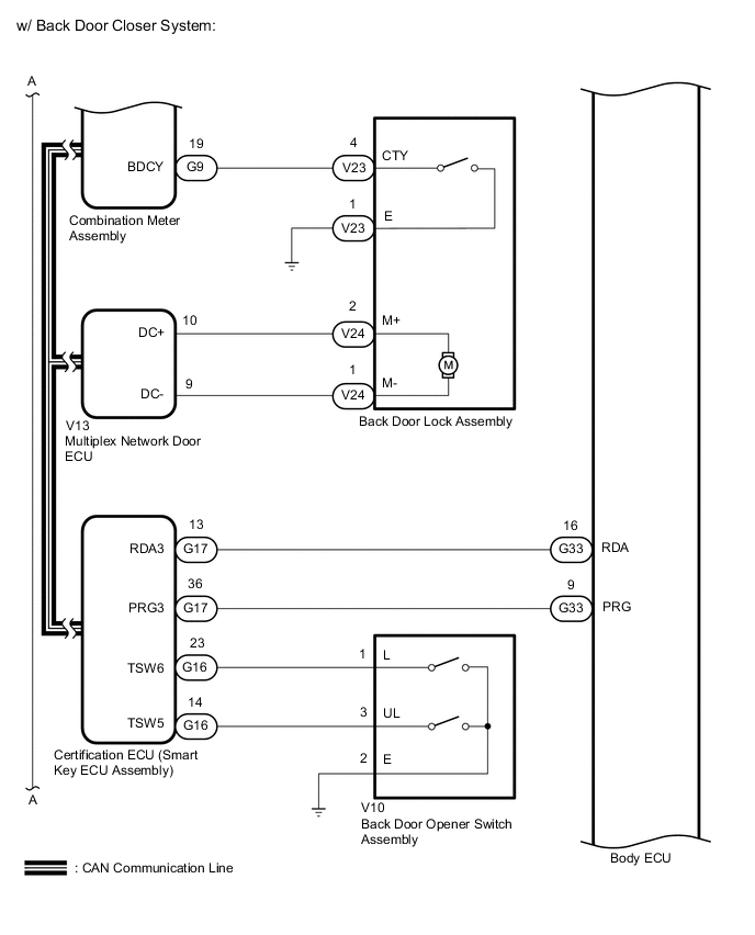
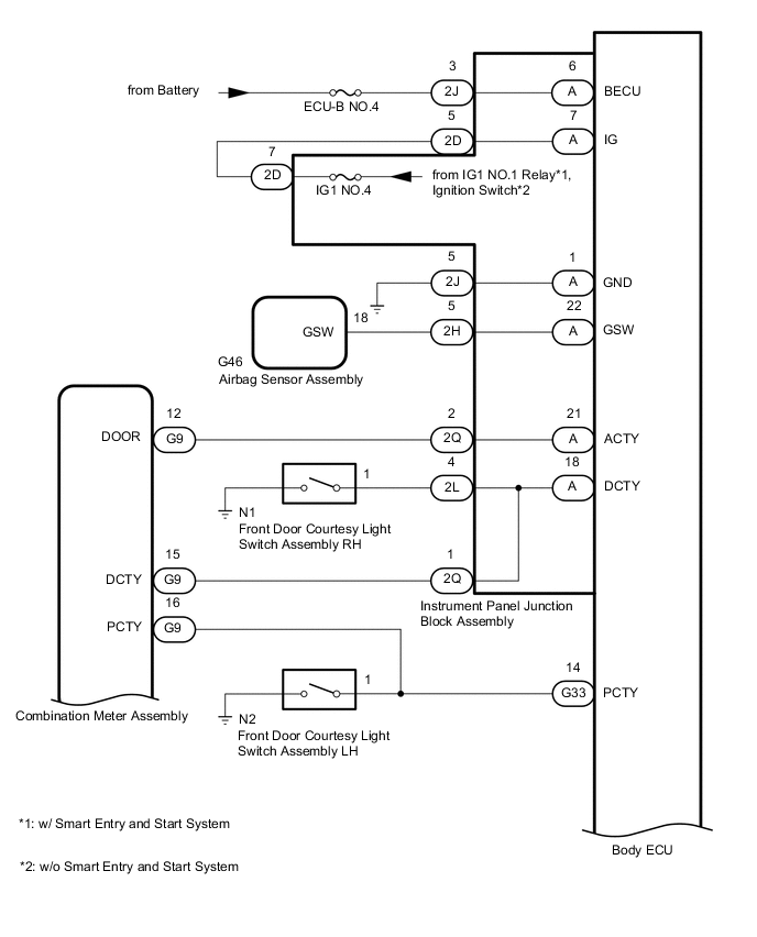
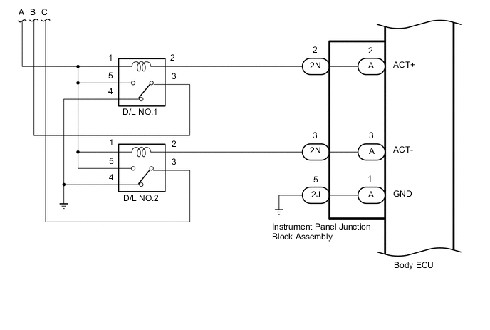
POWER DOOR LOCK CONTROL SYSTEM SYSTEM DIAGRAM


  1. Power Door Lock Control System (for LHD, w/ Door Control Battery)

    B003M0SE08
    B003KLDE04
    B003MUPE06
    B003M53E07
    B003O5AE09
    B003JY4E01
    B003R0WE21
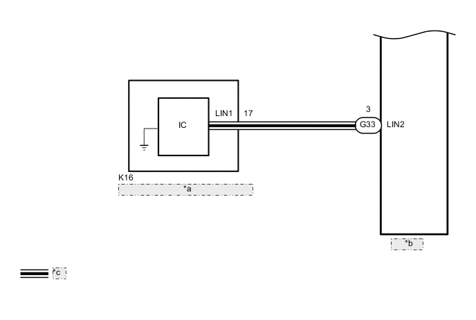
    w/ Smart Entry and Start System
    *a Power Window Regulator Master Switch Assembly
    *b Body ECU
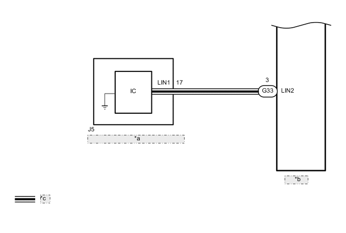
    *c LIN Communication Line
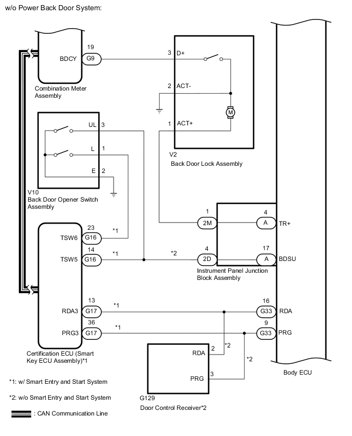
    B003PWWE19
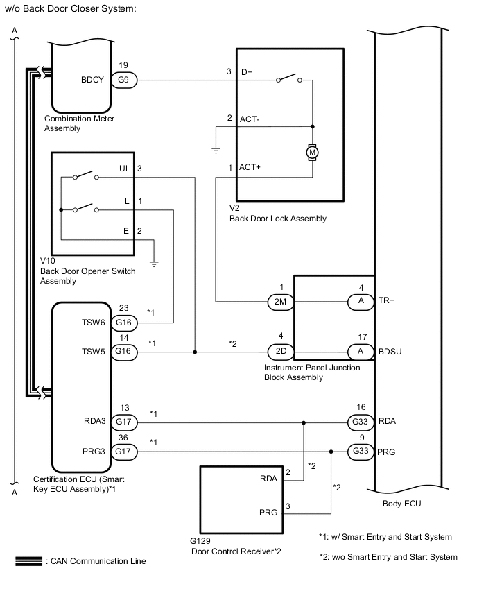
  2. Power Door Lock Control System (for LHD, w/o Door Control Battery)

    B003P81E08
    B003SC6E06
    B003NZEE02
    B003QZQE03
    B003P59E12
    B003R0WE19
    w/ Smart Entry and Start System
    *a Power Window Regulator Master Switch Assembly
    *b Body ECU
    *c LIN Communication Line
    B003PWWE20
  3. Power Door Lock Control System (for RHD, w/ Door Control Battery)

    B003M0SE09
    B003KLDE05
    B003MUPE07
    B003M53E08
    B003O5AE14
    B003JY4E01
    B003R0WE20
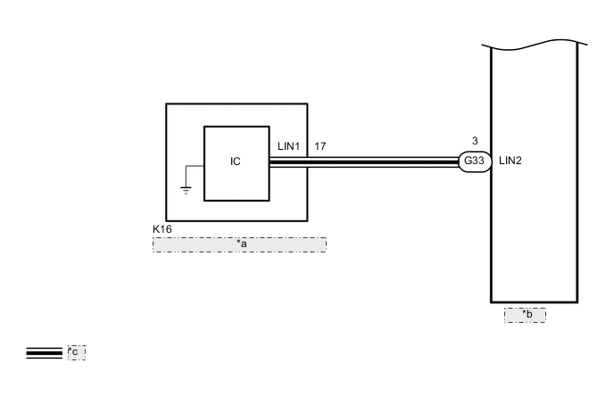
    w/ Smart Entry and Start System
    *a Power Window Regulator Master Switch Assembly
    *b Body ECU
    *c LIN Communication Line
    B003PWWE21
  4. POWER DOOR LOCK CONTROL SYSTEM (for RHD, w/o Door Control Battery)

    B003P81E11
    B003PD6E03
    B003NZEE04
    B003QZQE01
    B003P59E14
    B003R0WE11
    w/ Smart Entry and Start System
    *a Power Window Regulator Master Switch Assembly
    *b Body ECU
    *c LIN Communication Line
    B003PWWE12
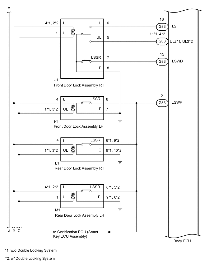
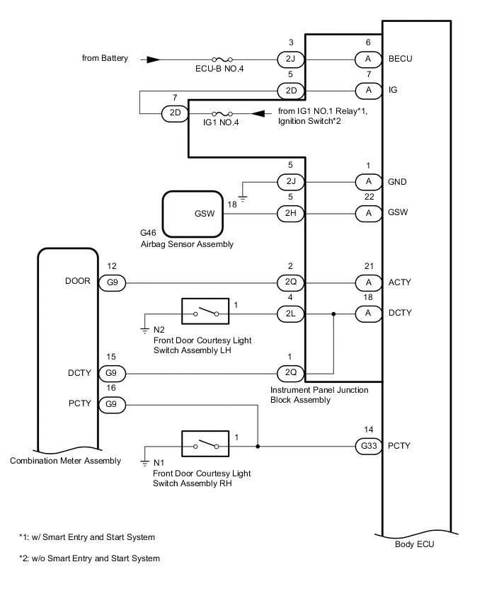
  5. Double Locking System (w/ Double Locking System)

    B003M94E09