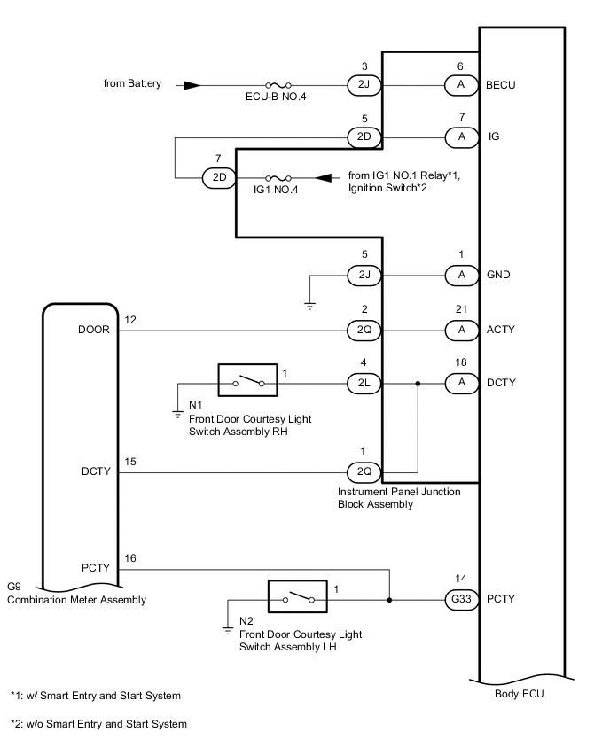
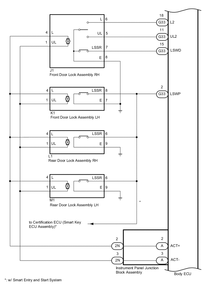
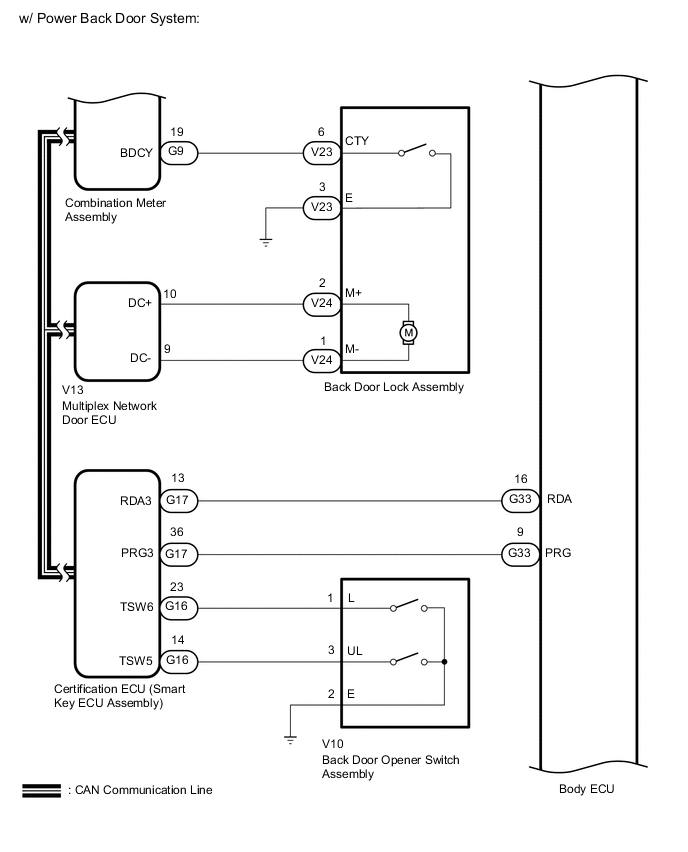
POWER DOOR LOCK CONTROL SYSTEM SYSTEM DIAGRAM


  1. Power Door Lock Control System

    B003NFZE07
    B003SC6E01
    B003NZEE01
    B003QZQE01
    B003P59E11
    B003R0WE11
    w/ Smart Entry and Start System
    *a Power Window Regulator Master Switch Assembly
    *b Body ECU
    *c LIN Communication Line
    B003PWWE12