VEHICLE STABILITY CONTROL SYSTEM, Diagnostic DTC:C1425

DTC Code DTC Name
C1425 Open in Stop Light Switch Circuit

DESCRIPTION

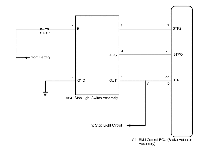
The skid control ECU (brake actuator assembly) detects the brake operating conditions through a signal transmitted by the stop light switch.

The skid control ECU incorporates a circuit to detect an open circuit. This DTC is output when an open circuit is detected in the stop light signal input line.

DTC No. Detection Item DTC Detection Condition Trouble Area
C1425 Open in Stop Light Switch Circuit When voltage at terminal +BS is 9.5 to 17.4 V, open circuit occurs between STP terminal circuits A and B for 0.3 seconds or more.
  • Wire harness or connector

  • Skid control ECU (Brake actuator assembly)

WIRING DIAGRAM

B003MEOE06

CAUTION / NOTICE / HINT

Note

When replacing the skid control ECU (brake actuator assembly), perform zero point calibration and store system information.

Click here

PROCEDURE


  1. CHECK STOP LIGHT OPERATION


    1. Check that all stop lights come on when the brake pedal is depressed, and go off when the brake pedal is released.

      OK
      Condition Illumination Condition
      Brake pedal depressed ON
      Brake pedal released OFF
      Result
      Proceed to
      OK
      NG

    NG
    OK
  2. CHECK HARNESS AND CONNECTOR (STP TERMINAL)


    1. B003PGQC64
      *a

      Front view of wire harness connector

      (to Skid Control ECU [Brake Actuator Assembly])

      Turn the ignition switch off.

    2. Make sure that there is no looseness at the locking part and the connecting part of the connectors.

    3. Disconnect the A4 skid control ECU (brake actuator assembly) connector.

    4. Measure the voltage according to the value(s) in the table below.

      Standard Voltage
      Tester Connection Switch Condition Specified Condition
      A4-35 (STP) - Body ground Stop light switch assembly on (Brake pedal depressed) 8 to 14 V
      Stop light switch assembly off (Brake pedal released) Below 1.5 V
      Result
      Proceed to
      OK
      NG

    NG
    OK
  3. RECONFIRM DTC


    1. Reconnect the A4 skid control ECU (brake actuator assembly) connector.

    2. Clear the DTCs.

      Click here


      Chassis > ABS/VSC/TRC > Clear DTCs
    3. Turn the ignition switch off.

    4. Start the engine.

    5. Depress the brake pedal several times to test the stop light circuit.

    6. Check if the same DTC is recorded.

      Click here


      Chassis > ABS/VSC/TRC > Trouble Codes

      Tech Tips

      If troubleshooting has been carried out according to the Problem Symptoms Table, refer back to the table and proceed to the next step.

      Click here

      Result
      Proceed to
      DTC C1425 is not output
      DTC C1425 is output

    DTC C1425 is not output
    DTC C1425 is output