VEHICLE STABILITY CONTROL SYSTEM, Diagnostic DTC:C1380

DTC Code DTC Name
C1380 Stop Light Control Relay Malfunction

DESCRIPTION

Upon receiving the downhill assist control* or hill-start assist control operating signal from the skid control ECU (brake actuator assembly), the relay contact turns on and the stop light comes on.


DTC No. Detection Item DTC Detection Condition Trouble Area
C1380 Stop Light Control Relay Malfunction

Either of the following is detected:


  1. When the voltage at the +BS terminal is 9.5 V or higher and the stop light drive output (STPO) is on, a signal has not been input to the STP terminal for 2 seconds or more.

  2. When the voltage at the +BS terminal is 9.5 V or higher and the stop light drive output (STPO) is off, the signal at the STP is different from the input signal at the STP2 for 2 seconds or more.


  • STOP fuse

  • Stop light switch circuit

  • Stop light switch assembly

  • Skid control ECU (Brake actuator assembly)

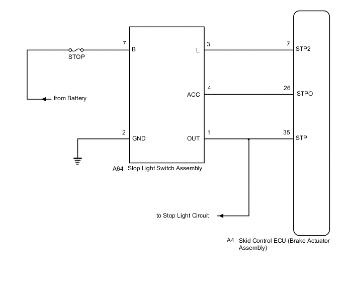
WIRING DIAGRAM

B003MEOE05

CAUTION / NOTICE / HINT

Note


  • When replacing the skid control ECU (brake actuator assembly), perform calibration.

    Click here

  • Inspect the fuses for circuits related to this system before performing the following inspection procedure.

Tech Tips

When DTC C1425 is output together with DTC C1380, inspect and repair the trouble areas indicated by DTC C1425 first.

Click here

PROCEDURE


  1. CHECK STOP LIGHT OPERATION


    1. Check that the stop lights come on when the brake pedal is depressed and go off when the brake pedal is released.

      OK
      Condition Illumination Condition
      Brake pedal depressed. On
      Brake pedal released. Off
      Result
      Result
      OK
      NG

    NG
    OK
  2. CHECK HARNESS AND CONNECTOR (STP TERMINAL)


    1. Make sure that there is no looseness at the locking part and the connecting part of the connectors.

    2. Turn the ignition switch off.

    3. Disconnect the A4 skid control ECU (brake actuator assembly) connector.

    4. B003PGQC64
      *a

      Front view of wire harness connector

      (to Skid Control ECU [Brake Actuator Assembly])

      Measure the voltage according to the value(s) in the table below.

      Standard Voltage
      Tester Connection Condition Specified Condition
      A4-35 (STP) - Body ground Stop light switch assembly on (Brake pedal depressed) 8 to 14 V
      Stop light switch assembly off (Brake pedal released) Below 1.5 V
      Result
      Result
      OK
      NG

    NG
    OK
  3. CHECK HARNESS AND CONNECTOR (STP2 TERMINAL)


    1. B003PGQC65
      *a

      Front view of wire harness connector

      (to Skid Control ECU [Brake Actuator Assembly])

      Measure the voltage according to the value(s) in the table below.

      Standard Voltage
      Tester Connection Condition Specified Condition
      A4-7 (STP2) - Body ground Stop light switch assembly on (Brake pedal depressed) 8 to 14 V
      Stop light switch assembly off (Brake pedal released) Below 1.5 V
      Result
      Result
      OK
      NG

    NG
    OK
  4. PERFORM ACTIVE TEST USING GTS (STOP LIGHT RELAY)


    1. Reconnect the A4 skid control ECU (brake actuator assembly) connector.

    2. Connect the GTS to the DLC3.

    3. Start the engine.

    4. Turn the GTS on.

    5. Enter the following menus: Chassis / ABS/VSC/TRC / Active Test.


      Chassis > ABS/VSC/TRC > Active Test
      Tester Display Measurement Item Control Range Diagnostic Note
      Stop Light Relay Stop light control relay (Stop light switch assembly) Relay ON/OFF

      Stop lights come on

      Vehicle condition: Vehicle stopped

    6. While performing the Active Test, check the illumination condition of the stop lights and "Stop Light Relay Output" in the Data List.


      Chassis > ABS/VSC/TRC > Data List
      Tester Display Measurement Item Range Normal Condition Diagnostic Note
      Stop Light Relay Output Stop light control relay (Stop light switch assembly) output ON or OFF

      OFF: Relay output off (Stop lights off)

      ON: Relay output on (Stop lights on)

      -

      Chassis > ABS/VSC/TRC > Active Test
      Active Test Display
      Stop Light Relay
      Data List Display
      Stop Light Relay Output
      Result
      Result Proceed to
      When Active Test performed, Data List item changes between ON and OFF and stop lights turn on and off A
      When Active Test performed, Data List item changes between ON and OFF, but stop lights do not turn on B

    B
    A
  5. RECONFIRM DTC


    1. Turn the ignition switch off.

    2. Clear the DTCs.

      Click here


      Chassis > ABS/VSC/TRC > Clear DTCs
    3. Start the engine.

    4. Perform a road test.

    5. Check if the same DTC is output.

      Click here


      Chassis > ABS/VSC/TRC > Trouble Codes
      Result
      Proceed to
      DTC C1380 is not output
      DTC C1380 is output

    DTC C1380 is not output
    DTC C1380 is output
  6. INSPECT STOP LIGHT SWITCH ASSEMBLY


    1. Turn the ignition switch off.

    2. Remove the stop light switch assembly.

      Click here

    3. Inspect the stop light switch assembly.

      Click here

      OK
      The stop light switch assembly is normal.
      Result
      Result
      OK
      NG

    NG
    OK
  7. CHECK HARNESS AND CONNECTOR (STPO TERMINAL)


    1. Install the stop light switch assembly.

      Click here

    2. Make sure that there is no looseness in the locking part and connecting part of the connector.

    3. Disconnect the A4 skid control ECU (brake actuator assembly) connector.

    4. Turn the ignition switch to ON.

    5. B003PGQC66
      *a

      Front view of wire harness connector

      (to Skid Control ECU [Brake Actuator Assembly])

      Measure the voltage according to the value(s) in the table below.

      Standard Voltage
      Tester Connection Switch Condition Specified Condition
      A4-26 (STPO) - Body ground Ignition switch ON 11 to 14 V
      Result
      Result
      OK
      NG

    OK
    NG