ANTI-LOCK BRAKE SYSTEM TC and CG Terminal Circuit

DESCRIPTION

Connecting terminals TC and CG of the DLC3 causes the ECU to display the DTC by blinking the ABS warning light.

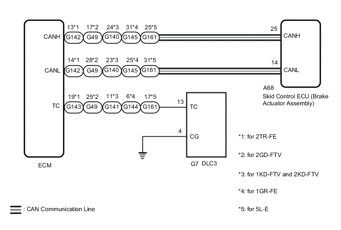
WIRING DIAGRAM

B003S8CE01

CAUTION / NOTICE / HINT

Note

When replacing the skid control ECU (brake actuator assembly), perform zero point calibration and store system information.

Click here

PROCEDURE


  1. CHECK CAN COMMUNICATION SYSTEM


    1. Check if CAN communication system DTCs are output.

      for LHD: Click here

      for RHD: Click here

      Result
      Proceed to
      DTC is not output
      DTC is output

    DTC is output
    DTC is not output
  2. INSPECT DLC3


    1. B003QXNC60
      *a Front view of DLC3

      Turn the ignition switch to ON.

    2. Measure the voltage according to the value(s) in the table below.

      Standard Voltage
      Tester Connection Switch Condition Specified Condition
      G7-13 (TC) - G7-4 (CG) Ignition switch ON 11 to 14 V
      Result
      Proceed to
      OK
      NG

    NG
    OK
  3. REPLACE ECM


    1. B003QXNC60
      *a Front view of DLC3

      Turn the ignition switch off.

    2. Replace the ECM.

      for 1GR-FE: Click here

      for 1KD-FTV: Click here

      for 2GD-FTV: Click here

      for 2KD-FTV: Click here

      for 2TR-FE: Click here

      for 5L-E: Click here

    3. Using SST, connect terminals 13 (TC) and 4 (CG) of the DLC3.

      SST
      09843-18040
    4. Check that the ABS warning light are blinking.

      OK
      The ABS warning light are blinking.
      Result
      Proceed to
      OK
      NG

    OK
    NG
  4. CHECK HARNESS AND CONNECTOR (TC of DLC3 - ECM)


    1. Turn the ignition switch off.

    2. Disconnect the G143*1, G49*2, G141*3,G144*4 or G161*5 ECM connector.


      • *1: for 2TR-FE

      • *2: for 2GD-FTV

      • *3: for 1KD-FTV and 2KD-FTV

      • *4: for 1GR-FE

      • *5: for 5L-E

    3. Measure the resistance according to the value(s) in the table below.

      Standard Resistance
      for 2TR-FE:
      Tester Connection Condition Specified Condition
      G7-13 (TC) - G143-19 (TC) Always Below 1 Ω
      G7-13 (TC) or G143-19 (TC) - Body ground Always 10 kΩ or higher
      for 2GD-FTV:
      Tester Connection Condition Specified Condition
      G7-13 (TC) - G49-25 (TC) Always Below 1 Ω
      G7-13 (TC) or G49-25 (TC) - Body ground Always 10 kΩ or higher
      for 1KD-FTV and 2KD-FTV:
      Tester Connection Condition Specified Condition
      G7-13 (TC) - G141-11 (TC) Always Below 1 Ω
      G7-13 (TC) or G141-11 (TC) - Body ground Always 10 kΩ or higher
      for 1GR-FE:
      Tester Connection Condition Specified Condition
      G7-13 (TC) - G144-6 (TC) Always Below 1 Ω
      G7-13 (TC) or G144-6 (TC) - Body ground Always 10 kΩ or higher
      for 5L-E:
      Tester Connection Condition Specified Condition
      G7-13 (TC) - G161-17 (TC) Always Below 1 Ω
      G7-13 (TC) or G161-17 (TC) - Body ground Always 10 kΩ or higher
      Result
      Proceed to
      OK
      NG

    NG
    OK
  5. CHECK HARNESS AND CONNECTOR (CG of DLC3 - BODY GROUND)


    1. B003QXNC61
      *a Front view of DLC3

      Measure the resistance according to the value(s) in the table below.

      Standard Resistance
      Tester Connection Condition Specified Condition
      G7-4 (CG) - Body ground Always Below 1 Ω
      Result
      Proceed to
      OK
      NG

    NG
    OK
  6. REPLACE ECM


    1. B003QXNC60
      *a Front view of DLC3

      Turn the ignition switch off.

    2. Replace the ECM.

      for 1GR-FE: Click here

      for 1KD-FTV: Click here

      for 2GD-FTV: Click here

      for 2KD-FTV: Click here

      for 2TR-FE: Click here

      for 5L-E: Click here

    3. Using SST, connect terminals 13 (TC) and 4 (CG) of the DLC3.

      SST
      09843-18040
    4. Check that the ABS warning light are blinking.

      OK
      The ABS warning light are blinking.
      Result
      Proceed to
      OK
      NG

    OK
    NG