СИСТЕМА ИЗМЕРИТЕЛЬНЫХ ПРИБОРОВ И ИНДИКАТОРОВ Сигнальная цепь датчика частоты вращения

ОПИСАНИЕ

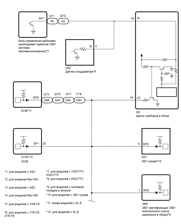
Сигнал скорости автомобиля состоит из импульсов, поступающих в щиток приборов от датчика спидометра*1 или блока управления рабочими цилиндрами тормозов (ЭБУ системы противоскольжения)*2.


СХЕМА ЭЛЕКТРИЧЕСКИХ СОЕДИНЕНИЙ

B0026OEE03
B0025DFE01

ПРЕДОСТЕРЕЖЕНИЕ / ПРИМЕЧАНИЕ / УКАЗАНИЕ

Note


  • Заменяйте щиток приборов в сборе только новым узлом.

  • В зависимости от замененных деталей или операций, которые были выполнены при проверке или обслуживании автомобиля, может потребоваться инициализация, регистрация или калибровка.

  • Для моделей с системой посадки и запуска:

    Перед заменой ЭБУ сертификации (ЭБУ электронного ключа зажигания) обратитесь к разделу "Интеллектуальная система посадки и запуска".

    Нажмите здесь Click here

  • Для моделей с аудиовизуальной системой (с радиоприемником с дисплеем):

    В случае замены радиоприемника с дисплеем в сборе необходимо выполнять контрактные установки автомобиля для службы Connected Service.

    Нажмите здесь Click here

  • В случае замены ЭБУ кузова необходимо выполнить инициализацию ЭБУ кузова.

ПОРЯДОК ВЫПОЛНЕНИЯ


  1. ПРОВЕРЬТЕ ЭБУ СЕРТИФИКАЦИИ (ЭБУ ЭЛЕКТРОННОГО КЛЮЧА ЗАЖИГАНИЯ В СБОРЕ)

    Note

    Для моделей без системы посадки и запуска перейдите к разделу "Проверьте ЭБУ кузова".


    • *1: для моделей с 1GR-FE

    • *2: для моделей с 1TR-FE, 2TR-FE

    • *3: для моделей с 1GD-FTV, 2GD-FTV

    • *4: для моделей с 2KD-FTV

    • *5: для моделей с ЭБУ кузова

    • *6: для моделей с системой навигации

    • *7: для моделей с аудиовизуальной системой (с радиоприемником с дисплеем)

    • *8: для моделей с аудиовизуальной системой (для моделей с радиоприемником)

    • *9: для моделей с 5L-E

    • *10: для моделей с системой обработки и передачи информации


    1. B00270CC56
      *a

      Вид сзади разъема со стороны жгута проводов

      (к щитку приборов в сборе)

      Отсоедините разъем щитка приборов.

    2. Отсоедините разъем G88*1, G45*2, G85*3, G83*4 или G120*9 ECM.

    3. Отсоедините разъем G27 бортового ЭБУ.*5

    4. Отсоедините разъем G113 приемника системы навигации в сборе.*6

    5. Отсоедините разъем G37 радиоприемника с дисплеем в сборе.*7

    6. Отсоедините разъем G117 радиоприемника.*8

    7. Отсоедините разъем G130 приемопередатчика системы обработки и передачи информации.*10

    8. Измерьте напряжение в соответствии со значениями, приведенными в таблице.

      Номинальное напряжение
      Подключение диагностического прибора Положение переключателя Заданные условия
      G9-19 (+S) - масса Зажигание включено 4,5-14 В
      Результат
      Перейти к
      OK
      NG

    NG
    OK
  2. ПРОВЕРЬТЕ ЭБУ КУЗОВА

    Note

    Для моделей без ЭБУ кузова перейдите к разделу "Проверьте TCM".


    • *1: для моделей с 1GR-FE

    • *2: для моделей с 1TR-FE, 2TR-FE

    • *3: для моделей с 1GD-FTV, 2GD-FTV

    • *4: для моделей с 2KD-FTV

    • *5: для моделей с системой посадки и запуска

    • *6: для моделей с системой навигации

    • *7: для моделей с аудиовизуальной системой (с радиоприемником с дисплеем)

    • *8: для моделей с аудиовизуальной системой (для моделей с радиоприемником)

    • *9: для моделей с 5L-E

    • *10: для моделей с системой обработки и передачи информации


    1. B00270CC56
      *a

      Вид сзади разъема со стороны жгута проводов

      (к щитку приборов в сборе)

      Отсоедините разъем щитка приборов.

    2. Отсоедините разъем G88*1, G45*2, G85*3, G83*4 или G120*9 ECM.

    3. Отсоедините разъем G69 ЭБУ сертификации (ЭБУ электронного ключа зажигания в сборе).*5

    4. Отсоедините разъем G113 приемника системы навигации в сборе.*6

    5. Отсоедините разъем G37 радиоприемника с дисплеем в сборе.*7

    6. Отсоедините разъем G117 радиоприемника.*8

    7. Отсоедините разъем G130 приемопередатчика системы обработки и передачи информации.*10

    8. Измерьте напряжение в соответствии со значениями, приведенными в таблице.

      Номинальное напряжение
      Подключение диагностического прибора Положение переключателя Заданные условия
      G9-19 (+S) - масса Зажигание включено 4,5-14 В
      Результат
      Перейти к
      OK
      NG

    NG
    OK
  3. ПРОВЕРЬТЕ ПРИЕМНИК СИСТЕМЫ НАВИГАЦИИ В СБОРЕ

    Note

    Для автомобилей без системой навигации перейдите к разделу "Проверьте приемник с дисплеем в сборе".


    • *1: для моделей с 1GR-FE

    • *2: для моделей с 1TR-FE, 2TR-FE

    • *3: для моделей с 1GD-FTV, 2GD-FTV

    • *4: для моделей с 2KD-FTV

    • *5: для моделей с системой посадки и запуска

    • *6: для моделей с ЭБУ кузова

    • *7: для моделей с 5L-E

    • *8: для моделей с системой обработки и передачи информации


    1. B00270CC56
      *a

      Вид сзади разъема со стороны жгута проводов

      (к щитку приборов в сборе)

      Отсоедините разъем щитка приборов.

    2. Отсоедините разъем G88*1, G45*2, G85*3, G83*4 или G120*7 ECM.

    3. Отсоедините разъем G69 ЭБУ сертификации (ЭБУ электронного ключа зажигания в сборе).*5

    4. Отсоедините разъем G27 бортового ЭБУ.*6

    5. Отсоедините разъем G130 приемопередатчика системы обработки и передачи информации.*8

    6. Измерьте напряжение в соответствии со значениями, приведенными в таблице.

      Номинальное напряжение
      Подключение диагностического прибора Положение переключателя Заданные условия
      G9-19 (+S) - масса Зажигание включено 4,5-14 В
      Результат
      Перейти к
      OK
      NG

    NG
    OK
  4. ПРОВЕРЬТЕ РАДИОПРИЕМНИК С ДИСПЛЕЕМ В СБОРЕ

    Note

    Для автомобилей без аудиовизуальной системы (с радиоприемником с дисплеем) перейдите к разделу "Проверьте радиоприемник в сборе".


    • *1: для моделей с 1GR-FE

    • *2: для моделей с 1TR-FE, 2TR-FE

    • *3: для моделей с 1GD-FTV, 2GD-FTV

    • *4: для моделей с 2KD-FTV

    • *5: для моделей с системой посадки и запуска

    • *6: для моделей с ЭБУ кузова

    • *7: для моделей с 5L-E

    • *8: для моделей с системой обработки и передачи информации


    1. B00270CC56
      *a

      Вид сзади разъема со стороны жгута проводов

      (к щитку приборов в сборе)

      Отсоедините разъем щитка приборов.

    2. Отсоедините разъем G88*1, G45*2, G85*3 G83*4 или G120*7 ECM.

    3. Отсоедините разъем G69 ЭБУ сертификации (ЭБУ электронного ключа зажигания в сборе).*5

    4. Отсоедините разъем G27 бортового ЭБУ.*6

    5. Отсоедините разъем G130 приемопередатчика системы обработки и передачи информации.*8

    6. Измерьте напряжение в соответствии со значениями, приведенными в таблице.

      Номинальное напряжение
      Подключение диагностического прибора Положение переключателя Заданные условия
      G9-19 (+S) - масса Зажигание включено 4,5-14 В
      Результат
      Перейти к
      OK
      NG

    NG
    OK
  5. ПРОВЕРЬТЕ РАДИОПРИЕМНИК В СБОРЕ

    Note

    Для автомобилей без аудиовизуальной системы (с радиоприемником) перейдите к разделу "Проверьте ECM".


    • *1: для моделей с 1GR-FE

    • *2: для моделей с 1TR-FE, 2TR-FE

    • *3: для моделей с 1GD-FTV, 2GD-FTV

    • *4: для моделей с 2KD-FTV

    • *5: для моделей с системой посадки и запуска

    • *6: для моделей с ЭБУ кузова

    • *7: для моделей с 5L-E

    • *8: для моделей с системой обработки и передачи информации


    1. B00270CC56
      *a

      Вид сзади разъема со стороны жгута проводов

      (к щитку приборов в сборе)

      Отсоедините разъем щитка приборов.

    2. Отсоедините разъем G88*1, G45*2, G85*3, G83*4 или G120*7 ECM.

    3. Отсоедините разъем G69 ЭБУ сертификации (ЭБУ электронного ключа зажигания в сборе).*5

    4. Отсоедините разъем G27 бортового ЭБУ.*6

    5. Отсоедините разъем G130 приемопередатчика системы обработки и передачи информации.*8

    6. Измерьте напряжение в соответствии со значениями, приведенными в таблице.

      Номинальное напряжение
      Подключение диагностического прибора Положение переключателя Заданные условия
      G9-19 (+S) - масса Зажигание включено 4,5-14 В
      Результат
      Перейти к
      OK
      NG

    NG
    OK
  6. ПРОВЕРЬТЕ ECM


    • *1: для моделей с системой посадки и запуска

    • *2: для моделей с ЭБУ кузова

    • *3: для моделей с системой навигации

    • *4: для моделей с аудиовизуальной системой (с радиоприемником с дисплеем)

    • *5: для моделей с аудиовизуальной системой (для моделей с радиоприемником)

    • *6: для моделей с системой обработки и передачи информации


    1. B00270CC56
      *a

      Вид сзади разъема со стороны жгута проводов

      (к щитку приборов в сборе)

      Отсоедините разъем щитка приборов.

    2. Отсоедините разъем G69 ЭБУ сертификации (ЭБУ электронного ключа зажигания в сборе).*1

    3. Отсоедините разъем G27 бортового ЭБУ.*2

    4. Отсоедините разъем G113 приемника системы навигации в сборе.*3

    5. Отсоедините разъем G37 радиоприемника с дисплеем в сборе.*4

    6. Отсоедините разъем G117 радиоприемника.*5

    7. Отсоедините разъем G130 приемопередатчика системы обработки и передачи информации.*6

    8. Измерьте напряжение в соответствии со значениями, приведенными в таблице.

      Номинальное напряжение
      Подключение диагностического прибора Положение переключателя Заданные условия
      G9-19 (+S) - масса Зажигание включено 4,5-14 В
      Результат
      Следующий шаг
      OK
      NG

    NG
    OK
  7. ПРОВЕРЬТЕ ПРИЕМОПЕРЕДАТЧИК СИСТЕМЫ ОБРАБОТКИ И ПЕРЕДАЧИ ИНФОРМАЦИИ

    Note

    Для автомобилей без системы обработки и передачи информации перейдите к разделу "Проверьте тип автомобиля"


    • *1: для моделей с 2TR-FE

    • *2: для моделей с 1GD-FTV, 2GD-FTV

    • *3: для моделей с системой посадки и запуска

    • *4: для моделей с ЭБУ кузова

    • *5: для моделей с аудиовизуальной системой (с радиоприемником с дисплеем)

    • *6: для моделей с аудиовизуальной системой (для моделей с радиоприемником)


    1. B00270CC56
      *a

      Вид сзади разъема со стороны жгута проводов

      (к щитку приборов в сборе)

      Отсоедините разъем щитка приборов.

    2. Отсоедините разъем G45*1, G85*2 ECM.

    3. Отсоедините разъем G69 ЭБУ сертификации (ЭБУ электронного ключа зажигания в сборе).*3

    4. Отсоедините разъем G27 бортового ЭБУ.*4

    5. Отсоедините разъем G37 радиоприемника с дисплеем в сборе.*5

    6. Отсоедините разъем G117 радиоприемника.*6

    7. Измерьте напряжение в соответствии со значениями, приведенными в таблице.

      Номинальное напряжение
      Подключение диагностического прибора Положение переключателя Заданные условия
      G9-19 (+S) - масса Зажигание включено 4,5-14 В
      Результат
      Перейти к
      OK
      NG

    NG
    OK
  8. ПРОВЕРЬТЕ ТИП АВТОМОБИЛЯ


    1. Проверьте тип автомобиля.

      Результат
      Результат Следующий шаг
      для моделей с АБС А
      для моделей без АБС B

    B
    А
  9. ПРОВЕРЬТЕ ЩИТОК ПРИБОРОВ В СБОРЕ (ВЫХОДНОЕ НАПРЯЖЕНИЕ)


    1. B00283UC04
      *A для моделей с VSC
      *B Для моделей без VSC
      *a

      Вид спереди разъема со стороны жгута проводов:

      (к блоку управления рабочими цилиндрами тормозов [ЭБУ системы противоскольжения])

      Отсоедините разъем блока управления рабочими цилиндрами тормозов (ЭБУ системы противоскольжения).

    2. Измерьте напряжение в соответствии со значениями, приведенными в таблице.

      Номинальное напряжение
      для моделей с VSC
      Подключение диагностического прибора Положение переключателя Заданные условия
      A4-14 (SP1) - масса Зажигание включено 11-14 В
      Для моделей без VSC
      Подключение диагностического прибора Положение переключателя Заданные условия
      A3-22 (SP1) - масса Зажигание включено 11-14 В
      Результат
      Перейти к
      OK
      NG

    NG
    OK
  10. ПРОВЕРЬТЕ ЩИТОК ПРИБОРОВ В СБОРЕ (ФОРМУ ВХОДНОГО СИГНАЛА)


    1. B00286TC12
      *a

      Устройство с подсоединенным жгутом проводов

      (щиток приборов в сборе)

      *b Осциллограмма

      Снимите щиток приборов в сборе, не отсоединяя его разъем(ы).

      Нажмите здесь Click here

    2. Подключите осциллограф к контакту G9-18 (SI) и массе.

    3. Проверьте форму сигнала в соответствии с условиями, указанными в таблице ниже.

      Указанные условия
      Параметр / Устройство Условие
      Подключение диагностического прибора G9-18 (SI) - масса
      Настройки прибора 5 B/дел., 20 мс/дел./дел.
      Состояние автомобиля Движение со скоростью приблизительно 20 км/час (12 миль в час)

      Tech Tips

      Когда система функционирует нормально, за один оборот колеса формируется 4 импульса. По мере увеличения скорости автомобиля период A, отмеченный на рисунке, уменьшается.

      OK
      Форма сигнала соответствует показанной на рисунке.
      Результат
      Перейти к
      OK
      NG

    OK
    NG
  11. ПРОВЕРЬТЕ ЖГУТ ПРОВОДОВ И РАЗЪЕМ (ЩИТОК ПРИБОРОВ В СБОРЕ – ЭБУ СЕРТИФИКАЦИИ [ЭБУ ЭЛЕКТРОННОГО КЛЮЧА ЗАЖИГАНИЯ В СБОРЕ])


    • *1: для моделей с 1GR-FE

    • *2: для моделей с 1TR-FE, 2TR-FE

    • *3: для моделей с 1GD-FTV, 2GD-FTV

    • *4: для моделей с 2KD-FTV

    • *5: для моделей с ЭБУ кузова

    • *6: для моделей с системой навигации

    • *7: для моделей с аудиовизуальной системой (с радиоприемником с дисплеем)

    • *8: для моделей с аудиовизуальной системой (для моделей с радиоприемником)

    • *9: для моделей с 5L-E

    • *10: для моделей с системой обработки и передачи информации


    1. Отсоедините разъем G9 щитка приборов.

    2. Отсоедините разъем G88*1, G45*2, G85*3, G83*4 или G120*9 ECM.

    3. Отсоедините разъем G69 ЭБУ сертификации (ЭБУ электронного ключа зажигания в сборе).

    4. Отсоедините разъем G27 бортового ЭБУ.*5

    5. Отсоедините разъем G113 приемника системы навигации в сборе.*6

    6. Отсоедините разъем G37 радиоприемника с дисплеем в сборе.*7

    7. Отсоедините разъем G117 радиоприемника.*8

    8. Отсоедините разъем G130 приемопередатчика системы обработки и передачи информации.*10

    9. Измерьте сопротивление в соответствии со значениями, приведенными в таблице ниже.

      Номинальное сопротивление
      Подключение диагностического прибора Условие Заданные условия
      G9-19 (+S) - G69-7 (SPD) Всегда Менее 1 Ом
      G9-19 (+S) или G69-7 (SPD) - масса Всегда 10 кОм или более
      Результат
      Перейти к
      OK
      NG

    OK
    NG
  12. ПРОВЕРЬТЕ ЖГУТ ПРОВОДОВ И РАЗЪЕМ (ЩИТОК ПРИБОРОВ - ЭБУ КУЗОВА)


    • *1: для моделей с 1GR-FE

    • *2: для моделей с 1TR-FE, 2TR-FE

    • *3: для моделей с 1GD-FTV, 2GD-FTV

    • *4: для моделей с 2KD-FTV

    • *5: для моделей с системой посадки и запуска

    • *6: для моделей с системой навигации

    • *7: для моделей с аудиовизуальной системой (с радиоприемником с дисплеем)

    • *8: для моделей с аудиовизуальной системой (для моделей с радиоприемником)

    • *9: для моделей с 5L-E

    • *10: для моделей с системой обработки и передачи информации


    1. Отсоедините разъем G9 щитка приборов.

    2. Отсоедините разъем G88*1, G45*2, G85*3, G83*4 или G120*9 ECM.

    3. Отсоедините разъем G69 ЭБУ сертификации (ЭБУ электронного ключа зажигания в сборе).*5

    4. Отсоедините разъем G27 бортового ЭБУ.

    5. Отсоедините разъем G113 приемника системы навигации в сборе.*6

    6. Отсоедините разъем G37 радиоприемника с дисплеем в сборе.*7

    7. Отсоедините разъем G117 радиоприемника.*8

    8. Отсоедините разъем G130 приемопередатчика системы обработки и передачи информации.*10

    9. Измерьте сопротивление в соответствии со значениями, приведенными в таблице ниже.

      Номинальное сопротивление
      Подключение диагностического прибора Условие Заданные условия
      G9-19 (+S) - G27-5 (SPD) Всегда Менее 1 Ом
      G9-19 (+S) или G27-5 (SPD) - масса Всегда 10 кОм или более
      Результат
      Перейти к
      OK
      NG

    OK
    NG
  13. ПРОВЕРЬТЕ ЖГУТ ПРОВОДОВ И РАЗЪЕМ (ЩИТОК ПРИБОРОВ - ПРИЕМНИК СИСТЕМЫ НАВИГАЦИИ)


    • *1: для моделей с 1GR-FE

    • *2: для моделей с 1TR-FE, 2TR-FE

    • *3: для моделей с 1GD-FTV, 2GD-FTV

    • *4: для моделей с 2KD-FTV

    • *5: для моделей с системой посадки и запуска

    • *6: для моделей с ЭБУ кузова

    • *7: для моделей с 5L-E

    • *8: для моделей с системой обработки и передачи информации


    1. Отсоедините разъем G9 щитка приборов.

    2. Отсоедините разъем G88*1, G45*2, G85*3, G83*4 или G120*7 ECM.

    3. Отсоедините разъем G69 ЭБУ сертификации (ЭБУ электронного ключа зажигания в сборе).*5

    4. Отсоедините разъем G27 бортового ЭБУ.*6

    5. Отсоедините разъем G113 приемника системы навигации в сборе.

    6. Отсоедините разъем G130 приемопередатчика системы обработки и передачи информации.*8

    7. Измерьте сопротивление в соответствии со значениями, приведенными в таблице ниже.

      Номинальное сопротивление
      Подключение диагностического прибора Условие Заданные условия
      G9-19 (+S) - G113-17 (SPD) Всегда Менее 1 Ом
      G9-19 (+S) или G113-17 (SPD) - масса Всегда 10 кОм или более
      Результат
      Перейти к
      OK
      NG

    OK
    NG
  14. ПРОВЕРЬТЕ ЖГУТ ПРОВОДОВ И РАЗЪЕМ (ЩИТОК ПРИБОРОВ В СБОРЕ - РАДИОПРИЕМНИК С ДИСПЛЕЕМ В СБОРЕ)


    • *1: для моделей с 1GR-FE

    • *2: для моделей с 1TR-FE, 2TR-FE

    • *3: для моделей с 1GD-FTV, 2GD-FTV

    • *4: для моделей с 2KD-FTV

    • *5: для моделей с системой посадки и запуска

    • *6: для моделей с ЭБУ кузова

    • *7: для моделей с 5L-E

    • *8: для моделей с системой обработки и передачи информации


    1. Отсоедините разъем G9 щитка приборов.

    2. Отсоедините разъем G88*1, G45*2, G85*3, G83*4 или G120*7 ECM.

    3. Отсоедините разъем G69 ЭБУ сертификации (ЭБУ электронного ключа зажигания в сборе).*5

    4. Отсоедините разъем G27 бортового ЭБУ.*6

    5. Отсоедините разъем G37 радиоприемника с дисплеем в сборе.

    6. Отсоедините разъем G130 приемопередатчика системы обработки и передачи информации.*8

    7. Измерьте сопротивление в соответствии со значениями, приведенными в таблице ниже.

      Номинальное сопротивление
      Подключение диагностического прибора Условие Заданные условия
      G9-19 (+S) - G37-17 (SPD) Всегда Менее 1 Ом
      G9-19 (+S) или G37-17 (SPD) - масса Всегда 10 кОм или более
      Результат
      Перейти к
      OK
      NG

    OK
    NG
  15. ПРОВЕРЬТЕ ЖГУТ ПРОВОДОВ И РАЗЪЕМ (ЩИТОК ПРИБОРОВ В СБОРЕ - РАДИОПРИЕМНИК В СБОРЕ)


    • *1: для моделей с 1GR-FE

    • *2: для моделей с 1TR-FE, 2TR-FE

    • *3: для моделей с 1GD-FTV, 2GD-FTV

    • *4: для моделей с 2KD-FTV

    • *5: для моделей с системой посадки и запуска

    • *6: для моделей с ЭБУ кузова

    • *7: для моделей с 5L-E

    • *8: для моделей с системой обработки и передачи информации


    1. Отсоедините разъем G9 щитка приборов.

    2. Отсоедините разъем G88*1, G45*2, G85*3, G83*4 или G120*7 ECM.

    3. Отсоедините разъем G69 ЭБУ сертификации (ЭБУ электронного ключа зажигания в сборе).*5

    4. Отсоедините разъем G27 бортового ЭБУ.*6

    5. Отсоедините разъем G117 радиоприемника.

    6. Отсоедините разъем G130 приемопередатчика системы обработки и передачи информации.*8

    7. Измерьте сопротивление в соответствии со значениями, приведенными в таблице ниже.

      Номинальное сопротивление
      Подключение диагностического прибора Условие Заданные условия
      G9-19 (+S) - G117-17 (SPD) Всегда Менее 1 Ом
      G9-19 (+S) или G117-17 (SPD) - масса Всегда 10 кОм или более
      Результат
      Перейти к
      OK
      NG

    OK
    NG
  16. ПРОВЕРЬТЕ ЖГУТ ПРОВОДОВ И РАЗЪЕМ (ЩИТОК ПРИБОРОВ В СБОРЕ – ЕСМ)


    • *1: для моделей с 1GR-FE

    • *2: для моделей с 1TR-FE, 2TR-FE

    • *3: для моделей с 1GD-FTV, 2GD-FTV

    • *4: для моделей с 2KD-FTV

    • *5: для моделей с системой посадки и запуска

    • *6: для моделей с ЭБУ кузова

    • *7: для моделей с системой навигации

    • *8: для моделей с аудиовизуальной системой (с радиоприемником с дисплеем)

    • *9: для моделей с аудиовизуальной системой (для моделей с радиоприемником)

    • *10: для моделей с 5L-E

    • *11: для моделей с системой обработки и передачи информации


    1. Отсоедините разъем G9 щитка приборов.

    2. Отсоедините разъем G88*1, G45*2, G85*3, G83*4 или G120*10 ECM.

    3. Отсоедините разъем G69 ЭБУ сертификации (ЭБУ электронного ключа зажигания в сборе).*5

    4. Отсоедините разъем G27 бортового ЭБУ.*6

    5. Отсоедините разъем G113 приемника системы навигации в сборе.*7

    6. Отсоедините разъем G37 радиоприемника с дисплеем в сборе.*8

    7. Отсоедините разъем G117 радиоприемника.*9

    8. Отсоедините разъем G130 приемопередатчика системы обработки и передачи информации.*11

    9. Измерьте сопротивление в соответствии со значениями, приведенными в таблице ниже.

      Номинальное сопротивление
      Для моделей с 1GR-FE
      Подключение диагностического прибора Условие Заданные условия
      G9-19 (+S) - G88-12 (SPD) Всегда Менее 1 Ом
      G9-19 (+S) или G88-12 (SPD) - масса Всегда 10 кОм или более
      для моделей с 1TR-FE, 2TR-FE
      Подключение диагностического прибора Условие Заданные условия
      G9-19 (+S) - G45-23 (SPD) Всегда Менее 1 Ом
      G9-19 (+S) или G45-23 (SPD) - масса Всегда 10 кОм или более
      для моделей с 1GD-FTV, 2GD-FTV
      Подключение диагностического прибора Условие Заданные условия
      G9-19 (+S) - G85-10 (SPD) Всегда Менее 1 Ом
      G9-19 (+S) или G85-10 (SPD) - масса Всегда 10 кОм или более
      для моделей с 2KD-FTV
      Подключение диагностического прибора Условие Заданные условия
      G9-19 (+S) - G83-17 (SPD) Всегда Менее 1 Ом
      G9-19 (+S) или G83-17 (SPD) - масса Всегда 10 кОм или более
      для моделей с 5L-E
      Подключение диагностического прибора Условие Заданные условия
      G9-19 (+S) - G120-25 (SP1) Всегда Менее 1 Ом
      G9-19 (+S) или G120-25 (SP1) - масса Всегда 10 кОм или более
      Результат
      Перейти к
      OK
      NG

    OK
    NG
  17. ПРОВЕРЬТЕ ЖГУТ ПРОВОДОВ И РАЗЪЕМ (ЩИТОК ПРИБОРОВ - ПРИЕМОПЕРЕДАТЧИК СИСТЕМЫ ОБРАБОТКИ И ПЕРЕДАЧИ ИНФОРМАЦИИ)


    • *1: для моделей с 2TR-FE

    • *2: для моделей с 1GD-FTV, 2GD-FTV

    • *3: для моделей с системой посадки и запуска

    • *4: для моделей с ЭБУ кузова

    • *5: для моделей с аудиовизуальной системой (с радиоприемником с дисплеем)

    • *6: для моделей с аудиовизуальной системой (для моделей с радиоприемником)


    1. Отсоедините разъем G9 щитка приборов.

    2. Отсоедините разъем G45*1 или G85*2 ECM.

    3. Отсоедините разъем G69 ЭБУ сертификации (ЭБУ электронного ключа зажигания в сборе).*3

    4. Отсоедините разъем G27 бортового ЭБУ.*4

    5. Отсоедините разъем G37 радиоприемника с дисплеем в сборе.*5

    6. Отсоедините разъем G117 радиоприемника.*6

    7. Отсоедините разъем G130 приемопередатчика системы обработки и передачи информации.

    8. Измерьте сопротивление в соответствии со значениями, приведенными в таблице ниже.

      Номинальное сопротивление
      Подключение диагностического прибора Условие Заданные условия
      G9-19 (+S) - G130-10 (SPDP) Всегда Менее 1 Ом
      G9-19 (+S) или G130-10 (SPDP) - масса Всегда 10 кОм или более
      Результат
      Перейти к
      OK
      NG

    OK
    NG
  18. ПРОВЕРЬТЕ ЩИТОК ПРИБОРОВ В СБОРЕ (ФОРМУ ВХОДНОГО СИГНАЛА)


    1. B00286TC12
      *a

      Устройство с подсоединенным жгутом проводов

      (щиток приборов в сборе)

      *b Осциллограмма

      Снимите щиток приборов в сборе, не отсоединяя его разъем(ы).

      Нажмите здесь Click here

    2. Подключите осциллограф к контакту G9-18 (SI) и массе.

    3. Проверьте форму сигнала в соответствии с условиями, указанными в таблице ниже.

      Условия измерений
      Параметр / Устройство Условие
      Подключение диагностического прибора G9-18 (SI) - масса
      Настройки прибора 5 B/дел., 20 мс/дел./дел.
      Состояние автомобиля Движение со скоростью приблизительно 20 км/час (12 миль в час)

      Tech Tips

      Когда система функционирует нормально, за один оборот колеса формируется 4 импульса. По мере увеличения скорости автомобиля период A, отмеченный на рисунке, уменьшается.

      OK
      Форма сигнала соответствует показанной на рисунке.
      Результат
      Перейти к
      OK
      NG

    OK
    NG
  19. ПРОВЕРЬТЕ ЖГУТ ПРОВОДОВ И РАЗЪЕМ (ЩИТОК ПРИБОРОВ В СБОРЕ – БЛОК УПРАВЛЕНИЯ РАБОЧИМИ ЦИЛИНДРАМИ ТОРМОЗОВ В СБОРЕ [ЭБУ СИСТЕМЫ ПРОТИВОСКОЛЬЖЕНИЯ])


    1. Отсоедините разъем G9 щитка приборов.

    2. Отсоедините разъем A4*1 или A3*2 блока управления рабочими цилиндрами тормозов (ЭБУ системы противоскольжения).


      • *1: для моделей с VSC

      • *2: для моделей без VSC

    3. Измерьте сопротивление в соответствии со значениями, приведенными в таблице ниже.

      Номинальное сопротивление
      Для моделей с VSC
      Подключение диагностического прибора Условие Заданные условия
      G9-18 (SI) - A4-14 (SP1) Всегда Менее 1 Ом
      G9-18 (SI) или A4-14 (SP1) - масса Всегда 10 кОм или более
      Для моделей без VSC
      Подключение диагностического прибора Условие Заданные условия
      G9-18 (SI) - A3-22 (SP1) Всегда Менее 1 Ом
      G9-18 (SI) или A3-22 (SP1) - масса Всегда 10 кОм или более
      Результат
      Перейти к
      OK
      NG

    OK
    NG
  20. ПРОВЕРЬТЕ ЖГУТ ПРОВОДОВ И РАЗЪЕМ (ДАТЧИК СПИДОМЕТРА – ЩИТОК ПРИБОРОВ В СБОРЕ И МАССА)


    1. Отсоедините разъем C62 датчика спидометра.

    2. Отсоедините разъемы G9 и G10 щитка приборов в сборе.

    3. Измерьте сопротивление в соответствии со значениями, приведенными в таблице ниже.

      Номинальное сопротивление
      Подключение диагностического прибора Условие Заданные условия
      C62-3 (SI) - G9-18 (SI) Всегда Менее 1 Ом
      C62-3 (SI) или G9-18 (SI) - масса Всегда 10 кОм или более
      Результат
      Перейти к
      OK
      NG

    OK
    NG