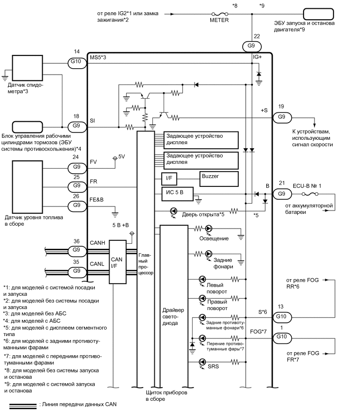
СИСТЕМА ИЗМЕРИТЕЛЬНЫХ ПРИБОРОВ И ИНДИКАТОРОВ СХЕМА СИСТЕМЫ


  1. СИГНАЛ ШИНЫ CAN

    Для моделей с левосторонним рулевым управлением без ЭБУ центрального сетевого шлюза: Нажмите здесь Click here

    Для моделей с правосторонним рулевым управлением без ЭБУ центрального сетевого шлюза: Нажмите здесь Click here

    Для моделей с левосторонним рулевым управлением с ЭБУ центрального сетевого шлюза: Нажмите здесь Click here

    Для моделей с правосторонним рулевым управлением с ЭБУ центрального сетевого шлюза: Нажмите здесь Click here

  2. СИГНАЛ ПРЯМОГО СОЕДИНЕНИЯ

    B0027N1E01
    B00258VE01
    B0025SOE02
    B0027Q6E03
    B002501E01
    B00275BE01