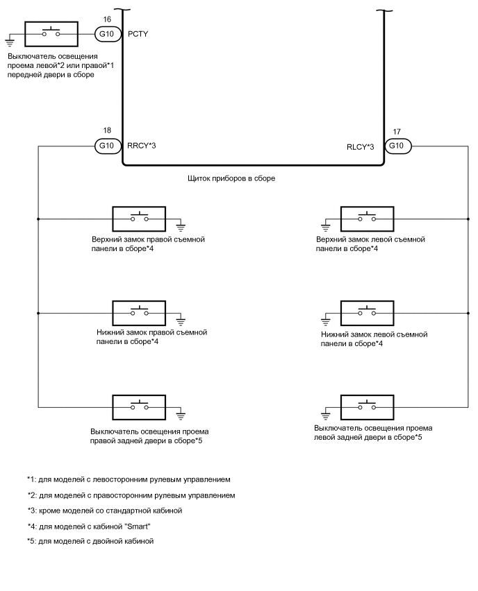
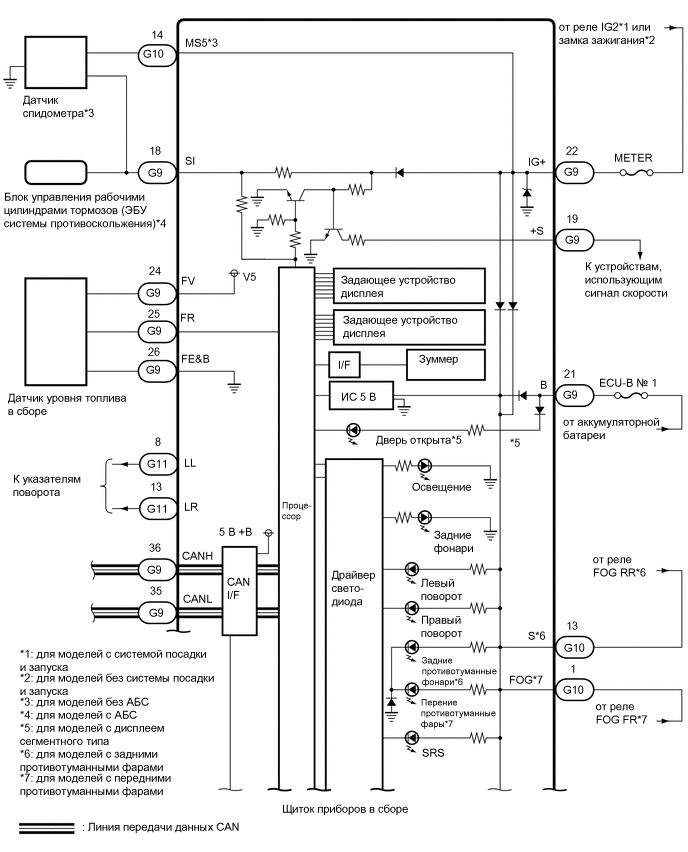
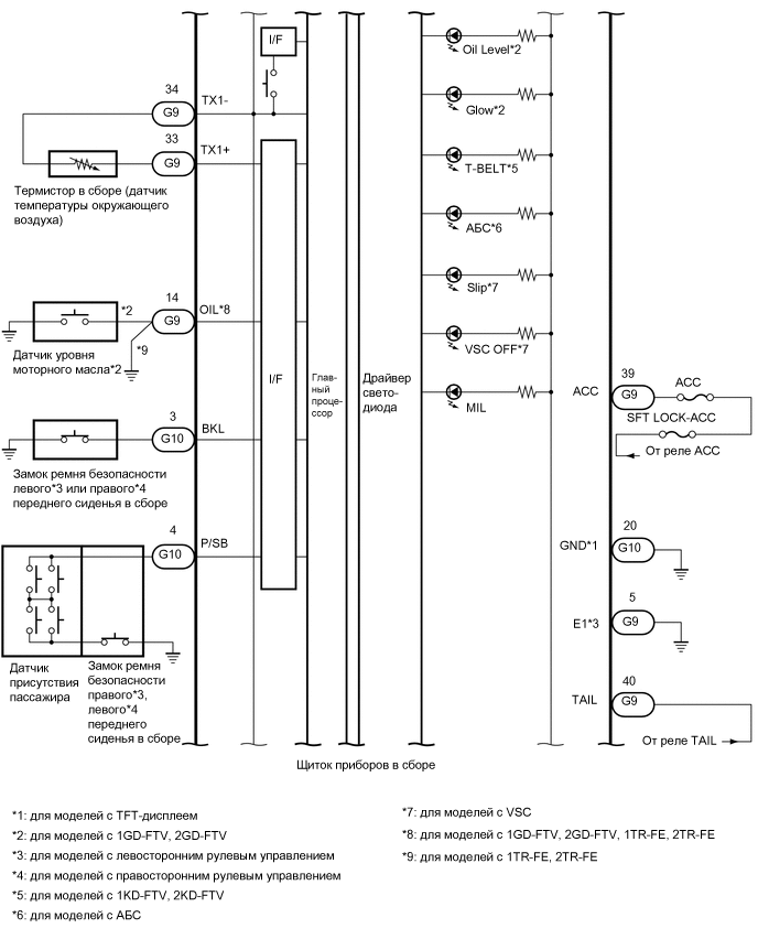
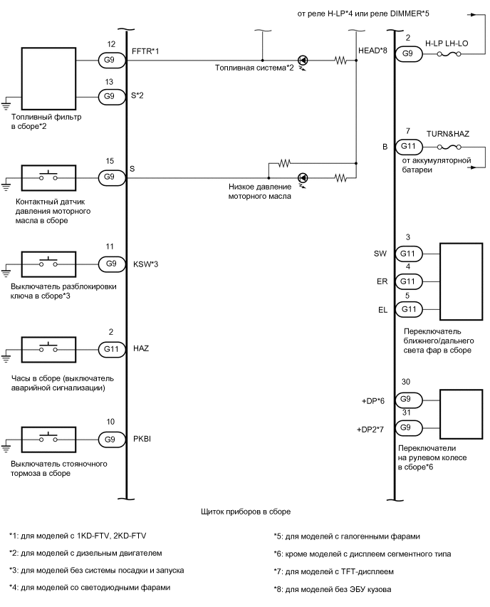
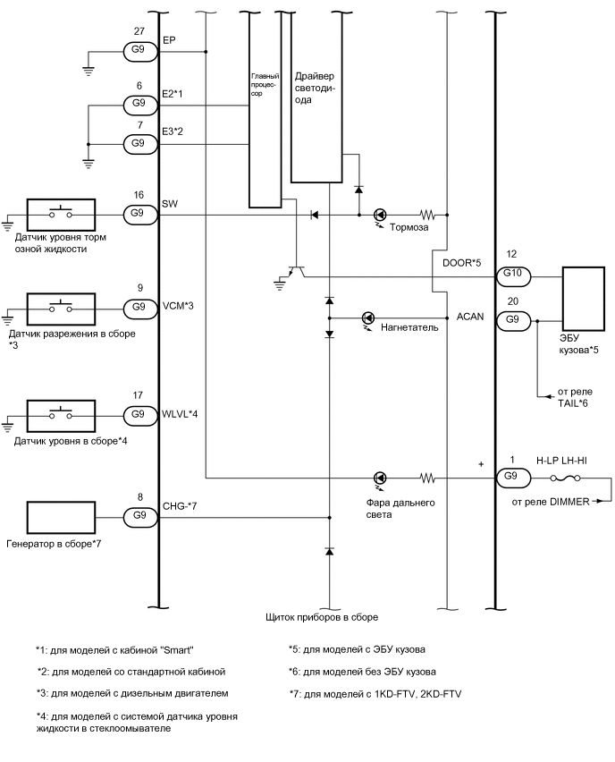
СИСТЕМА ИЗМЕРИТЕЛЬНЫХ ПРИБОРОВ И ИНДИКАТОРОВ СХЕМА СИСТЕМЫ


  1. СИГНАЛ ШИНЫ CAN

    Для моделей с левосторонним рулевым управлением: Нажмите здесь Click here

    Для моделей с правосторонним рулевым управлением: Нажмите здесь Click here

  2. СИГНАЛ ПРЯМОГО СОЕДИНЕНИЯ

    B0024XRE01
    B00258VE01
    B0025SOE01
    B0027Q6E01
    B0025CME01
    B00275BE01