АУДИОВИЗУАЛЬНАЯ СИСТЕМА (для моделей с радиоприемником с дисплеем) Цепь освещения

ОПИСАНИЕ

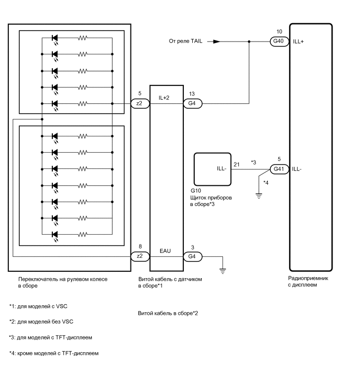
Когда переключатель освещения находится в положении TAIL или HEAD, подается питание для радиоприемника с дисплеем в сборе и переключателя на рулевом колесе в сборе.

СХЕМА ЭЛЕКТРИЧЕСКИХ СОЕДИНЕНИЙ

B00269AE01

ПРЕДОСТЕРЕЖЕНИЕ / ПРИМЕЧАНИЕ / УКАЗАНИЕ

Note


  • Автомобиль оборудован дополнительной системой (пассивной) безопасности (SRS), в которую входят такие устройства, как подушки безопасности. Прежде чем приступать к обслуживанию (включая снятие и установку деталей), изучите меры предосторожности при работе с системой SRS.

    Для типа A: Нажмите здесь Click here

    Для типа B: Нажмите здесь Click here

  • Перед выполнением последующей процедуры проверки проверьте плавкие предохранители цепей, относящихся к данной системе.

ПОРЯДОК ВЫПОЛНЕНИЯ


  1. ПРОВЕРЬТЕ СВЕЧЕНИЕ


    1. Проверьте, включается ли подсветка радиоприемника с дисплеем в сборе, переключателя на рулевом колесе в сборе, переключателя отопителя и других устройств (выключателя аварийной сигнализации, датчика положения селектора передач и т.д.), когда переключатель освещения устанавливается в положение HEAD или TAIL.

      Результат
      Результат Следующий шаг
      Включается подсветка всех устройств, кроме переключателя на рулевом колесе в сборе. А
      Включается подсветка всех устройств, кроме радиоприемника с дисплеем в сборе. B
      Подсветка не включается (радиоприемник с дисплеем в сборе, переключатели на рулевом колесе, выключатель аварийной сигнализации, переключатель управления отопителем и т. д.). C

    B
    C
    А
  2. ПРОВЕРЬТЕ СОСТОЯНИЕ АВТОМОБИЛЯ


    1. Проверьте состояние автомобиля.

      Результат
      Результат Перейти к
      Для моделей с VSC А
      Для моделей без VSC B

    B
    А
  3. ПРОВЕРЬТЕ ЖГУТ ПРОВОДОВ И РАЗЪЕМ (СИГНАЛ ПОДСВЕТКИ)


    1. B0024IMC19
      *a

      Вид спереди разъема со стороны жгута проводов:

      (к витому кабелю с датчиком в сборе)

      Отсоедините разъем витого кабеля с датчиком в сборе.

    2. Измерьте напряжение в соответствии со значениями, приведенными в таблице.

      Номинальное напряжение
      Контакты для подключения диагностического прибора Положение переключателя Заданные условия
      G4-13 (IL+2) - масса Переключатель освещения в положении TAIL или HEAD 11-14 В
    3. Измерьте сопротивление в соответствии со значениями, приведенными в таблице ниже.

      Номинальное сопротивление
      Контакты для подключения диагностического прибора Условие Заданные условия
      G4-3 (EAU) - масса Всегда Менее 1 Ом
      Результат
      Перейти к
      OK
      NG

    NG
    OK
  4. ПРОВЕРЬТЕ ПЕРЕКЛЮЧАТЕЛИ НА РУЛЕВОМ КОЛЕСЕ


    1. Снимите переключатели на рулевом колесе в сборе.

      Нажмите здесь Click here

    2. Проверьте переключатель на рулевом колесе в сборе.

      Нажмите здесь Click here

      Результат
      Следующий шаг
      OK
      NG

    NG
    OK
  5. ПРОВЕРЬТЕ ВИТОЙ КАБЕЛЬ С ДАТЧИКОМ В СБОРЕ


    1. Снимите витой кабель с датчиком в сборе.

      Нажмите здесь Click here

    2. Проверьте витой кабель с датчиком в сборе.

      Нажмите здесь Click here

      Результат
      Перейти к
      OK
      NG

    NG
    OK
  6. ПРОВЕРЬТЕ ЖГУТ ПРОВОДОВ И РАЗЪЕМ (РАДИОПРИЕМНИК С ДИСПЛЕЕМ В СБОРЕ — ВИТОЙ КАБЕЛЬ С ДАТЧИКОМ В СБОРЕ)


    1. Отсоедините разъем G37 радиоприемника с дисплеем в сборе.

    2. Отсоедините разъем G4 витого кабеля с датчиком в сборе.

    3. Измерьте сопротивление в соответствии со значениями, приведенными в таблице ниже.

      Номинальное сопротивление
      Подключение диагностического прибора Условие Заданные условия
      G37-23 (SWG) - G4-3 (EAU) Всегда Менее 1 Ом
      G37-23 (SWG) или G4-3 (EAU) - масса Всегда 10 кОм или более
      Результат
      Перейдите к
      OK
      NG

    OK
    NG
  7. ПРОВЕРЬТЕ ЖГУТ ПРОВОДОВ И РАЗЪЕМ (СИГНАЛ ПОДСВЕТКИ)


    1. B0024IMC19
      *a

      Вид спереди разъема со стороны жгута проводов:

      (к витому кабелю в сборе)

      Отсоедините разъем витого кабеля в сборе.

    2. Измерьте напряжение в соответствии со значениями, приведенными в таблице.

      Номинальное напряжение
      Подключение диагностического прибора Положение переключателя Заданные условия
      G4-13 (IL+2) - масса Переключатель освещения в положении TAIL или HEAD 11–14 В
    3. Измерьте сопротивление в соответствии со значениями, приведенными в таблице ниже.

      Номинальное сопротивление
      Подключение диагностического прибора Условие Заданные условия
      G4-3 (EAU) - масса Всегда Менее 1 Ом
      Результат
      Перейти к
      OK
      NG

    NG
    OK
  8. ПРОВЕРЬТЕ ПЕРЕКЛЮЧАТЕЛИ НА РУЛЕВОМ КОЛЕСЕ


    1. Снимите переключатели на рулевом колесе в сборе.

      Нажмите здесь Click here

    2. Проверьте переключатель на рулевом колесе в сборе.

      Нажмите здесь Click here

      Результат
      Перейти к
      OK
      NG

    NG
    OK
  9. ПРОВЕРЬТЕ ВИТОЙ КАБЕЛЬ В СБОРЕ


    1. Снимите витой кабель в сборе.

      Нажмите здесь Click here

    2. Проверьте состояние витого кабеля

      Нажмите здесь Click here

      Результат
      Перейти к
      OK
      NG

    NG
    OK
  10. ПРОВЕРЬТЕ ЖГУТ ПРОВОДОВ И РАЗЪЕМ (РАДИОПРИЕМНИК С ДИСПЛЕЕМ В СБОРЕ - ВИТОЙ КАБЕЛЬ В СБОРЕ)


    1. Отсоедините разъем G37 радиоприемника с дисплеем в сборе.

    2. Отсоедините разъем G4 витого кабеля в сборе.

    3. Измерьте сопротивление в соответствии со значениями, приведенными в таблице ниже.

      Номинальное сопротивление
      Подключение диагностического прибора Условие Заданные условия
      G37-23 (SWG) - G4-3 (EAU) Всегда Менее 1 Ом
      G37-23 (SWG) или G4-3 (EAU) - масса Всегда 10 кОм или более
      Результат
      Перейти к
      OK
      NG

    OK
    NG
  11. ПРОВЕРЬТЕ ЖГУТ ПРОВОДОВ И РАЗЪЕМ (СИГНАЛ ПОДСВЕТКИ)


    1. B0026U1C45
      *a

      Вид спереди разъема со стороны жгута проводов:

      (к радиоприемнику с дисплеем в сборе)

      Отсоедините разъем радиоприемника с дисплеем в сборе.

    2. Измерьте напряжение в соответствии со значениями, приведенными в таблице.

      Номинальное напряжение
      Подключение диагностического прибора Положение переключателя Заданные условия
      G40-10 (ILL+) - масса Переключатель освещения в положении TAIL или HEAD 11-14 В
      Результат
      Перейти к
      OK
      NG

    NG
    OK
  12. ПРОВЕРЬТЕ ЖГУТ ПРОВОДОВ И РАЗЪЕМ (РАДИОПРИЕМНИК С ДИСПЛЕЕМ В СБОРЕ — ЩИТОК ПРИБОРОВ В СБОРЕ И МАССА)


    1. Отсоедините разъем G41 радиоприемника с дисплеем в сборе.

    2. Отсоедините разъем G10 щитка приборов.*


      • *: для моделей с TFT-дисплеем

    3. Измерьте сопротивление в соответствии со значениями, приведенными в таблице ниже.

      Номинальное сопротивление
      для моделей с TFT-дисплеем
      Подключение диагностического прибора Условие Заданные условия
      G41-5 (ILL-) - G10-21 (ILL-) Всегда Менее 1 Ом
      G41-5 (ILL-) или G10-21 (ILL-) - масса Всегда 10 кОм или более
      кроме моделей с TFT-дисплеем
      Подключение диагностического прибора Условие Заданные условия
      G41-5 (ILL-) - масса Всегда Менее 1 Ом
      Результат
      Перейти к
      OK
      NG

    OK
    NG