АУДИОВИЗУАЛЬНАЯ СИСТЕМА (для моделей с радиоприемником с дисплеем) СХЕМА СИСТЕМЫ

A01WAPXE01
A01WA48E03
A01WBKTE01
A01W9SBE01
A01WA13E03
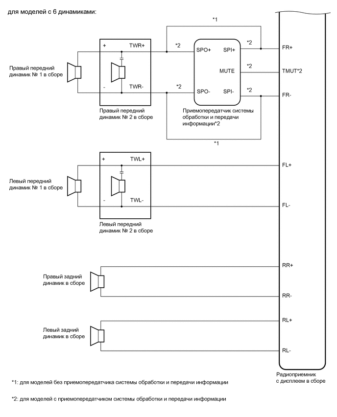
для моделей с 2 динамиками
*1 Правый передний динамик № 1 в сборе
*2 Левый передний динамик № 1 в сборе
*3 Радиоприемник с дисплеем
A01W9KJE01
A01WB5VE02
A01WBFNE02
A01W8OCE02