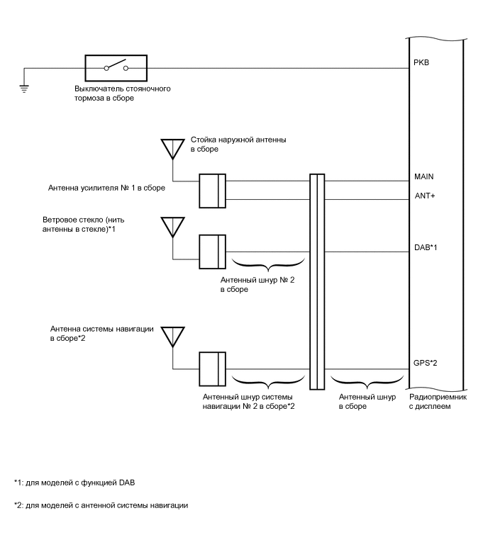
АУДИОВИЗУАЛЬНАЯ СИСТЕМА (для моделей с радиоприемником с дисплеем) СХЕМА СИСТЕМЫ

A01SFVPE02
A01W8I8E01
A01SIL7E01
A01WA13E01
для моделей с 2 динамиками
*1 Левый передний динамик № 1 в сборе
*2 Правый передний динамик № 1 в сборе
*3 Радиоприемник с дисплеем
A01WAVTE02
A01WAWXE03
A01W9SHE01
A01SGO0E01