ВЫБОР 2-4 ПЕРЕДАЧ ОДНИМ КАСАНИЕСМ И СИСТЕМА "ВЫСОКАЯ-НИЗКАЯ" Цепь электродвигателя переключения

СХЕМА ЭЛЕКТРИЧЕСКИХ СОЕДИНЕНИЙ

B0026LVE02
B0025VPE03
B00290GE01

ПРЕДОСТЕРЕЖЕНИЕ / ПРИМЕЧАНИЕ / УКАЗАНИЕ

Note

Когда автомобиль остановлен, переключение между режимами может быть недоступно в зависимости от стадии раздаточной коробки в сборе и силовой передачи привода A.D.D.*. Возможность переключения режимов после начала движения автомобиля не является неисправностью.


  • *: для моделей с приводом A.D.D.

ПОРЯДОК ВЫПОЛНЕНИЯ


  1. ПОДТВЕРДИТЕ НАЛИЧИЕ ПРИЗНАКА НЕИСПРАВНОСТИ


    1. Подтвердите наличие признаков неисправности.

      Результат
      Результат Следующий шаг
      Контрольная лампа 4WD (зеленая) мигает* (для моделей с приводом A.D.D.) А
      Контрольная лампа 4WD (зеленая) мигает* (для моделей без привода A.D.D.) B
      Контрольная лампа 4LO мигает*

      • *: Мигает с интервалами 0,5 секунды (0,5 с включена и 0,5 с выключена)


    B
    А
  2. ПРОВЕРЬТЕ ПОЛОЖЕНИЕ РАЗДАТОЧНОЙ КОРОБКИ


    1. Поднимите автомобиль, чтобы все 4 колеса оторвались от грунта.

    2. Для моделей с автоматической трансмиссией:

      Установите рычаг переключения передач в положение N.

      Для моделей с механической трансмиссией:

      Установите рычаг переключения передач в нейтральное положение.

    3. Переведите переключатель положения раздаточной коробки из положения H2 в положение Н4.

      Tech Tips

      Контрольная лампа 4WD (зеленая) продолжает мигать*.


      • *: Мигает с интервалами 0,5 секунды (0,5 с включена и 0,5 с выключена)

    4. Отпустите стояночный тормоз.

    5. Выключите зажигание.

    6. Отсоедините разъем C41 привода переключения раздаточной коробки в сборе.

    7. B0025FPC07
      *a

      Устройство с неподсоединенным жгутом проводов

      (привод переключения раздаточной коробки в сборе)

      Измерьте сопротивление в соответствии со значениями, приведенными в таблице ниже.

      Tech Tips

      Убедитесь, что контакты концевого выключателя, датчика полного привода и датчика положения L4 привода переключения раздаточной коробки в сборе (TL1, TL2, TL3, B и L4) находятся в состоянии, представленном в таблице ниже (H4).

      Контакт Когда включен Н4
      TL1 Выкл (открыт)
      TL2 Выкл (открыт)
      TL3 Вкл (масса)
      B Вкл (масса)
      L4 Выкл (открыт)
      Номинальное сопротивление
      Подключение диагностического прибора Условие Номинальное значение
      3 (TL1) - 6 (GND1) Раздаточная коробка в положении H4 10 кОм или более
      4 (TL2) - 6 (GND1) 10 кОм или более
      5 (TL3) - 6 (GND1) Менее 1 Ом
      12 (B) - 10 (GND) Менее 1 Ом
      9 (L4) - 10 (GND) 10 кОм или более
      Результат
      Результат Следующий шаг
      OK (состояние H4) А
      NG (состояние не H4) B

    B
    А
  3. ПРОВЕРЬТЕ ЭЛЕКТРОДВИГАТЕЛЬ ПРИВОДА БЛОКИРОВКИ ДИФФЕРЕНЦИАЛА В СБОРЕ (ЭЛЕКТРОДВИГАТЕЛЬ ПЕРЕКЛЮЧЕНИЯ A.D.D.)


    1. B0025OXC05
      *a

      Устройство с неподсоединенным жгутом проводов

      (Привод A.D.D. (электродвигатель привода блокировки дифференциала в сборе))

      Отсоедините разъем С7 привода A.D.D. (электродвигателя привода блокировки дифференциала в сборе).

    2. Измерьте сопротивление в соответствии со значениями, приведенными в таблице ниже.

      Номинальное сопротивление
      Подключение диагностического прибора Условие Заданные условия
      1 (DM1) - 2 (DM2) Всегда 1,5 - 10 Ом
      Результат
      Следующий шаг
      OK
      NG

    NG
    OK
  4. ПРОВЕРЬТЕ ЖГУТ ПРОВОДОВ И РАЗЪЕМ (ЭБУ ПОЛНОГО ПРИВОДА — ЭЛЕКТРОДВИГАТЕЛЬ ПРИВОДА БЛОКИРОВКИ ДИФФЕРЕНЦИАЛА В СБОРЕ)


    1. Отсоедините разъем C40 ЭБУ полного привода.

    2. Отсоедините разъем С7 привода A.D.D. (электродвигателя привода блокировки дифференциала в сборе).

    3. Измерьте сопротивление в соответствии со значениями, приведенными в таблице ниже.

      Номинальное сопротивление
      Контакты для подключения диагностического прибора Условие Номинальное значение
      C40-2 (DM1) - C7-1 (DM1) Всегда Менее 1 Ом
      C40-6 (DM2) - C7-2 (DM2) Всегда Менее 1 Ом
      C40-2 (DM1) или C7-1 (DM1) - C40-6 (DM2) или C7-2 (DM2) Всегда 10 кОм или более
      Результат
      Следующий шаг
      OK
      NG

    NG
    OK
  5. ПРОВЕРЬТЕ ЖГУТ ПРОВОДОВ И РАЗЪЕМ (ЭБУ ПОЛНОГО ПРИВОДА — ЭЛЕКТРОДВИГАТЕЛЬ ПРИВОДА БЛОКИРОВКИ ДИФФЕРЕНЦИАЛА В СБОРЕ)


    1. Отсоедините разъем C39 ЭБУ полного привода.

    2. Отсоедините разъем С7 привода A.D.D. (электродвигателя привода блокировки дифференциала в сборе).

    3. Для моделей без VSC:

      Отсоедините разъем A3 ЭБУ системы противоскольжения (блока управления рабочими цилиндрами тормозов в сборе).

      Для моделей с VSC:

      Отсоедините разъем A4 ЭБУ системы противоскольжения (блока управления рабочими цилиндрами тормозов в сборе).

    4. Измерьте сопротивление в соответствии со значениями, приведенными в таблице ниже.

      Номинальное сопротивление
      Подключение диагностического прибора Условие Заданные условия
      C39-8 (DL1) - C7-6 (DL1) Всегда Менее 1 Ом
      C39-7 (DL2) - C7-5 (DL2) Всегда Менее 1 Ом
      C39-2 (ADD) - C7-3 (ADD) Всегда Менее 1 Ом
      C7-4 (GND) - масса Всегда Менее 1 Ом
      C39-8 (DL1) или C7-6 (DL1) - масса Всегда 10 кОм или более
      C39-7 (DL2) или C7-5 (DL2) - масса Всегда 10 кОм или более
      C39-2 (ADD) или C7-3 (ADD) - масса Всегда 10 кОм или более
      Результат
      Следующий шаг
      OK
      NG

    NG
    OK
  6. ПРОВЕРЬТЕ ЭЛЕКТРОДВИГАТЕЛЬ ПРИВОДА БЛОКИРОВКИ ДИФФЕРЕНЦИАЛА В СБОРЕ (КОНЦЕВОЙ ВЫКЛЮЧАТЕЛЬ И ДАТЧИК ПОЛОЖЕНИЯ A.D.D.)


    1. Выключите зажигание.

    2. Снимите привод A.D.D. (электродвигатель привода блокировки дифференциала в сборе).

      Нажмите здесь Click here

    3. Проверьте концевой выключатель и датчик положения A.D.D. привода A.D.D. (электродвигатель привода блокировки дифференциала в сборе).

      Нажмите здесь Click here

      Результат
      Перейти к
      OK
      NG

    OK
    NG
  7. ПРОВЕРЬТЕ ПРИВОД ПЕРЕКЛЮЧЕНИЯ РАЗДАТОЧНОЙ КОРОБКИ В СБОРЕ (ЭЛЕКТРОДВИГАТЕЛЬ ПЕРЕКЛЮЧЕНИЯ РАЗДАТОЧНОЙ КОРОБКИ)


    1. B0025FPC05
      *a

      Устройство с неподсоединенным жгутом проводов

      (привод переключения раздаточной коробки в сборе)

      Отсоедините разъем C41 привода переключения раздаточной коробки в сборе.

    2. Измерьте сопротивление в соответствии со значениями, приведенными в таблице ниже.

      Номинальное сопротивление
      Подключение диагностического прибора Условие Заданные условия
      2 (TM1) - 1 (TM2) Всегда 1,5 - 10 Ом
      Результат
      Следующий шаг
      OK
      NG

    NG
    OK
  8. ПРОВЕРЬТЕ ЖГУТ ПРОВОДОВ И РАЗЪЕМ (ЭБУ ПОЛНОГО ПРИВОДА — ПРИВОД ПЕРЕКЛЮЧЕНИЯ РАЗДАТОЧНОЙ КОРОБКИ В СБОРЕ)


    1. Отсоедините разъем C40 ЭБУ полного привода.

    2. Отсоедините разъем C41 привода переключения раздаточной коробки в сборе.

    3. Измерьте сопротивление в соответствии со значениями, приведенными в таблице ниже.

      Номинальное сопротивление
      Подключение диагностического прибора Условие Заданные условия
      C40-8 (TM1) - C41-2 (TM1) Всегда Менее 1 Ом
      C40-7 (TM2) - C41-1 (TM2) Всегда Менее 1 Ом
      C40-8 (TM1) или C41-2 (TM1) - C40-7 (TM2) или C41-1 (TM2) Всегда 10 кОм или более
      Результат
      Следующий шаг
      OK
      NG

    NG
    OK
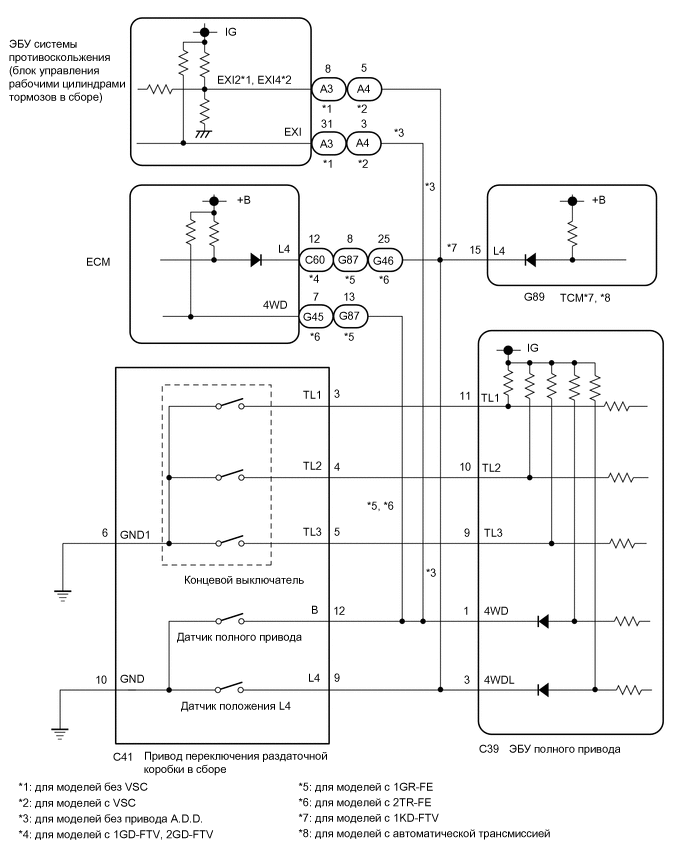
  9. ПРОВЕРЬТЕ ЖГУТ ПРОВОДОВ И РАЗЪЕМ (ЭБУ ПОЛНОГО ПРИВОДА — ПРИВОД ПЕРЕКЛЮЧЕНИЯ РАЗДАТОЧНОЙ КОРОБКИ В СБОРЕ)


    1. Отсоедините разъем C39 ЭБУ полного привода.

    2. Отсоедините разъем C41 привода переключения раздаточной коробки в сборе.

    3. Без VSC:

      Отсоедините разъем A3 ЭБУ системы противоскольжения (блока управления рабочими цилиндрами тормозов в сборе).

      Для моделей с VSC:

      Отсоедините разъем A4 ЭБУ системы противоскольжения (блока управления рабочими цилиндрами тормозов в сборе).

    4. Для моделей с 1GD-FTV, 2GD-FTV:

      Отсоедините разъем C60 ЕСМ.

      Для моделей с 1GR-FE:

      Отсоедините разъем G87 ЕСМ.

      для моделей с 2TR-FE:

      Отсоедините разъемы G45 и G46 блока ECM.

      для моделей с 1KD-FTV (с автоматической трансмиссией):

      Отсоедините разъем G89 TCM.

    5. Измерьте сопротивление в соответствии со значениями, приведенными в таблице ниже.

      Номинальное сопротивление
      Подключение диагностического прибора Условие Заданные условия
      C39-11 (TL1) - C41-3 (TL1) Всегда Менее 1 Ом
      C39-10 (TL2) - C41-4 (TL2) Всегда Менее 1 Ом
      C39-9 (TL3) - C41-5 (TL3) Всегда Менее 1 Ом
      C41-6 (GND1) - масса Всегда Менее 1 Ом
      C39-1 (4WD) - C41-12 (B) Всегда Менее 1 Ом
      C39-3 (4WDL) - C41-9 (L4) Всегда Менее 1 Ом
      C41-10 (GND) - масса Всегда Менее 1 Ом
      C39-11 (TL1) или C41-3 (TL1) - масса Всегда 10 кОм или более
      C39-10 (TL2) или C41-4 (TL2) - масса Всегда 10 кОм или более
      C39-9 (TL3) или C41-5 (TL3) - масса Всегда 10 кОм или более
      C39-1 (4WD) или C41-12 (B) - масса Всегда 10 кОм или более
      C39-3 (4WDL) или C41-9 (L4) - масса Всегда 10 кОм или более
      Результат
      Перейти к
      OK
      NG

    NG
    OK
  10. ПРОВЕРЬТЕ ПРИВОД ПЕРЕКЛЮЧЕНИЯ РАЗДАТОЧНОЙ КОРОБКИ В СБОРЕ (КОНЦЕВОЙ ВЫКЛЮЧАТЕЛЬ И ДАТЧИК ПОЛНОГО ПРИВОДА)


    1. Выключите зажигание.

    2. Снимите привод переключения раздаточной коробки в сборе.

      Нажмите здесь Click here

    3. Проверьте концевой выключатель, датчик полного привода и датчик положения L4 привода переключения раздаточной коробки в сборе.

      Нажмите здесь Click here

      Результат
      Перейти к
      OK
      NG

    OK
    NG