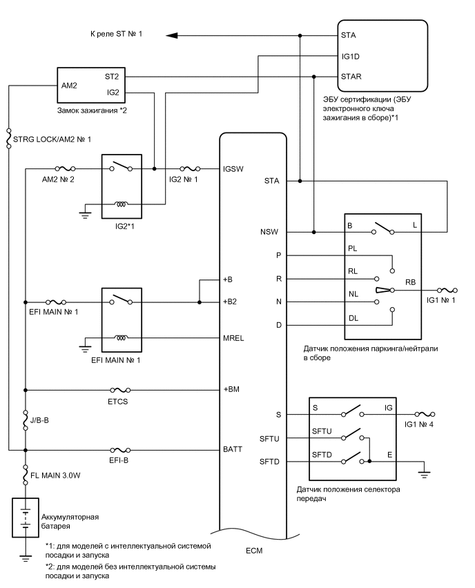
СИСТЕМА АВТОМАТИЧЕСКОЙ ТРАНСМИССИИ (для моделей с 1GR-FE) СХЕМА СИСТЕМЫ

Ниже показана структурная схема электронной системы управления автоматической трансмиссией AC60E.

A01SC1GE04
A01SEHWE01