WINDSHIELD DEICER SYSTEM Windshield Deicer does not Operate

DESCRIPTION

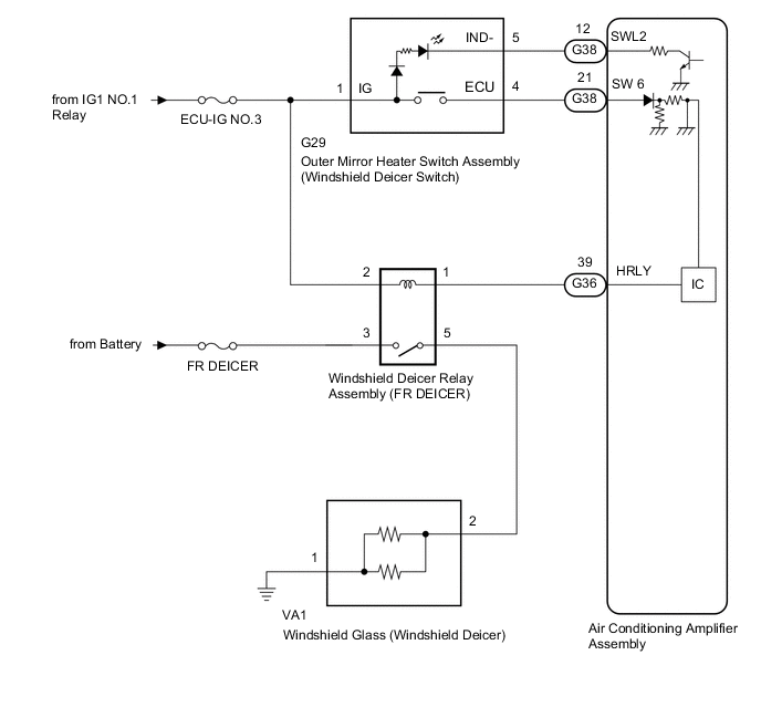
When the outer mirror heater switch assembly (windshield deicer switch) is operated, the operation signal is transmitted to the air conditioning amplifier assembly. When the air conditioning amplifier assembly receives the signal, it turns on the windshield deicer relay assembly (FR DEICER) to operate the windshield deicer system.

WIRING DIAGRAM

B006O0QE01

CAUTION / NOTICE / HINT

Note


  • Inspect the fuses for circuits related to this system before performing the following procedure.

  • If the battery voltage becomes low, windshield deicer operation is canceled to prioritize supplying power to the power steering system.

PROCEDURE


  1. PERFORM ACTIVE TEST USING GTS


    1. Using the GTS, perform the Active Test.

      Click here


      Body Electrical > Air Conditioner > Active Test
      Tester Display Measurement Item Control Range Diagnostic Note
      Deicer Relay (Front) Windshield glass (windshield deicer) OFF or ON -

      Body Electrical > Air Conditioner > Active Test
      Tester Display
      Deicer Relay (Front)
      OK
      The windshield deicer system operates normally.
      Result
      Proceed to
      OK
      NG

    NG
    OK
  2. INSPECT OUTER MIRROR HEATER SWITCH ASSEMBLY (WINDSHIELD DEICER SWITCH)


    1. Remove the outer mirror heater switch assembly (windshield deicer switch)

      Click here

    2. Inspect the outer mirror heater switch assembly (windshield deicer switch)

      Click here

      Result
      Proceed to
      OK
      NG

    NG
    OK
  3. CHECK HARNESS AND CONNECTOR (OUTER MIRROR HEATER SWITCH ASSEMBLY [WINDSHIELD DEICER SWITCH] - BATTERY)


    1. B006O20C22
      *a

      Front view of wire harness connector

      (to Outer Mirror Heater Switch Assembly [Windshield Deicer Switch])

      Disconnect the outer mirror heater switch assembly (windshield deicer switch) connector.

    2. Measure the voltage according to the value(s) in the table below.

      Standard Voltage
      Tester Connection Switch Condition Specified Condition
      G29-1 (IG) - Body ground Engine switch on (IG) 11 to 14 V
      Engine switch off Below 1 V
      Result
      Proceed to
      OK
      NG

    NG
    OK
  4. CHECK HARNESS AND CONNECTOR (AIR CONDITIONING AMPLIFIER ASSEMBLY - OUTER MIRROR HEATER SWITCH ASSEMBLY [WINDSHIELD DEICER SWITCH])


    1. Disconnect the G38 air conditioning amplifier assembly connector.

    2. Disconnect the G29 outer mirror heater switch assembly (windshield deicer switch) connector.

    3. Measure the resistance according to the value(s) in the table below.

      Standard Resistance
      Tester Connection Condition Specified Condition
      G38-21 (SW 6) - G29-4 (ECU) Always Below 1 Ω
      G38-12 (SWL2) - G29-5 (IND-) Always Below 1 Ω
      G38-21 (SW 6) or G29-4 (ECU) - Body ground Always 10 kΩ or higher
      G38-12 (SWL2) or G29-5 (IND-) - Body ground Always 10 kΩ or higher
      Result
      Proceed to
      OK
      NG

    OK
    NG
  5. CHECK HARNESS AND CONNECTOR (WINDSHIELD GLASS [WINDSHIELD DEICER] - BATTERY)


    1. B006M5PC03
      *a

      Front view of wire harness connector

      (to Windshield Glass [Windshield Deicer])

      Disconnect the windshield glass (windshield deicer) connector.

    2. Measure the voltage according to the value(s) in the table below.

      Standard Voltage
      Tester Connection Switch Condition Specified Condition
      VA1-2 - Body ground Engine switch on (IG), outer mirror heater switch assembly (windshield deicer switch) on 11 to 14 V
      Result
      Proceed to
      OK
      NG

    NG
    OK
  6. CHECK HARNESS AND CONNECTOR (WINDSHIELD GLASS [WINDSHIELD DEICER] - BODY GROUND)


    1. B006M5PC03
      *a

      Front view of wire harness connector

      (to Windshield Glass [Windshield Deicer])

      Disconnect the windshield glass (windshield deicer) connector.

    2. Measure the resistance according to the value(s) in the table below.

      Standard Resistance
      Tester Connection Condition Specified Condition
      VA1-1 - Body ground Always Below 1 Ω
      Result
      Proceed to
      OK
      NG

    OK
    NG
  7. INSPECT WINDSHIELD DEICER RELAY ASSEMBLY (FR DEICER)


    1. Remove the windshield deicer relay assembly (FR DEICER) from the No. 2 engine room relay block.

    2. Inspect the windshield deicer relay assembly (FR DEICER).

      Click here

      Result
      Proceed to
      OK
      NG

    NG
    OK
  8. CHECK HARNESS AND CONNECTOR (WINDSHIELD DEICER RELAY ASSEMBLY [FR DEICER] - BATTERY)


    1. B006KX4C02
      *a

      Front view of wire harness connector

      (to Windshield Deicer Relay Assembly [FR DEICER])

      Remove the windshield deicer relay assembly (FR DEICER) from the No. 2 engine room relay block.

    2. Measure the voltage according to the value(s) in the table below.

      Standard Voltage
      Tester Connection Condition Specified Condition
      Windshield deicer relay assembly (FR DEICER) terminal 3 - Body ground Always 11 to 14 V
      Windshield deicer relay assembly (FR DEICER) terminal 2 - Body ground Engine switch on (IG) 11 to 14 V
      Result
      Proceed to
      OK
      NG

    NG
    OK
  9. CHECK HARNESS AND CONNECTOR (WINDSHIELD DEICER RELAY ASSEMBLY [FR DEICER] - AIR CONDITIONING AMPLIFIER ASSEMBLY AND WINDSHIELD GLASS [WINDSHIELD DEICER])


    1. Remove the windshield deicer relay assembly (FR DEICER) from the No. 2 engine room relay block.

    2. Disconnect the G36 air conditioning amplifier assembly connector.

    3. Disconnect the VA1 windshield glass (windshield deicer) connector.

    4. Measure the resistance according to the value(s) in the table below.

      Standard Resistance
      Tester Connection Condition Specified Condition
      Windshield deicer relay assembly (FR DEICER) terminal 1 - G36-39 (HRLY) Always Below 1 Ω
      Windshield deicer relay assembly (FR DEICER) terminal 5 - VA1-2 Always Below 1 Ω
      Windshield deicer relay assembly (FR DEICER) terminal 1 or G36-39 (HRLY) - Body ground Always 10 kΩ or higher
      Windshield deicer relay assembly (FR DEICER) terminal 5 or VA1-2 - Body ground Always 10 kΩ or higher
      Result
      Proceed to
      OK
      NG

    OK
    NG