WINDSHIELD DEICER SYSTEM Windshield Deicer does not Operate

DESCRIPTION

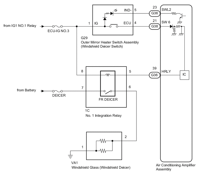
When the outer mirror heater switch assembly (windshield deicer switch) is operated, the operation signal is transmitted to the air conditioning amplifier assembly. When the air conditioning amplifier assembly receives the signal, it turns on the No. 1 integration relay to operate the windshield deicer system.

WIRING DIAGRAM

B006NS0E02

CAUTION / NOTICE / HINT

Note


  • Inspect the fuses for circuits related to this system before performing the following procedure.

  • If the battery voltage becomes low, windshield deicer operation is canceled to prioritize supplying power to the power steering system.

PROCEDURE


  1. PERFORM ACTIVE TEST USING GTS


    1. Using the GTS, perform the Active Test.

      Click here


      Body Electrical > Air Conditioner > Active Test
      Tester Display Measurement Item Control Range Diagnostic Note
      Deicer Relay (Front) Windshield glass (windshield deicer) OFF or ON -

      Body Electrical > Air Conditioner > Active Test
      Tester Display
      Deicer Relay (Front)
      OK
      The windshield deicer system operates normally.
      Result
      Proceed to
      OK
      NG

    NG
    OK
  2. INSPECT OUTER MIRROR HEATER SWITCH ASSEMBLY (WINDSHIELD DEICER SWITCH)


    1. Remove the outer mirror heater switch assembly (windshield deicer switch)

      Click here

    2. Inspect the outer mirror heater switch assembly (windshield deicer switch)

      Click here

      Result
      Proceed to
      OK
      NG

    NG
    OK
  3. CHECK HARNESS AND CONNECTOR (OUTER MIRROR HEATER SWITCH ASSEMBLY [WINDSHIELD DEICER SWITCH] - BATTERY)


    1. B006O20C22
      *a

      Front view of wire harness connector

      (to Outer Mirror Heater Switch Assembly [Windshield Deicer Switch])

      Disconnect the outer mirror heater switch assembly (windshield deicer switch) connector.

    2. Measure the voltage according to the value(s) in the table below.

      Standard Voltage
      Tester Connection Switch Condition Specified Condition
      G29-1 (IG) - Body ground Engine switch on (IG) 11 to 14 V
      Engine switch off Below 1 V
      Result
      Proceed to
      OK
      NG

    NG
    OK
  4. CHECK HARNESS AND CONNECTOR (AIR CONDITIONING AMPLIFIER ASSEMBLY - OUTER MIRROR HEATER SWITCH ASSEMBLY [WINDSHIELD DEICER SWITCH])


    1. Disconnect the G36 and G38 air conditioning amplifier assembly connectors.

    2. Disconnect the G29 outer mirror heater switch assembly (windshield deicer switch) connector.

    3. Measure the resistance according to the value(s) in the table below.

      Standard Resistance
      Tester Connection Condition Specified Condition
      G38-21 (SW 6) - G29-4 (ECU) Always Below 1 Ω
      G36-23 (SWL2) - G29-5 (IND-) Always Below 1 Ω
      G38-21 (SW 6) or G29-4 (ECU) - Body ground Always 10 kΩ or higher
      G36-23 (SWL2) or G29-5 (IND-) - Body ground Always 10 kΩ or higher
      Result
      Proceed to
      OK
      NG

    OK
    NG
  5. CHECK HARNESS AND CONNECTOR (WINDSHIELD GLASS [WINDSHIELD DEICER] - BATTERY)


    1. B006M5PC03
      *a

      Front view of wire harness connector

      (to Windshield Glass [Windshield Deicer])

      Disconnect the windshield glass (windshield deicer) connector.

    2. Measure the voltage according to the value(s) in the table below.

      Standard Voltage
      Tester Connection Switch Condition Specified Condition
      VA1-2 - Body ground Engine switch on (IG), outer mirror heater switch assembly (windshield deicer switch) on 11 to 14 V
      Result
      Proceed to
      OK
      NG

    NG
    OK
  6. CHECK HARNESS AND CONNECTOR (WINDSHIELD GLASS [WINDSHIELD DEICER] - BODY GROUND)


    1. B006M5PC03
      *a

      Front view of wire harness connector

      (to Windshield Glass [Windshield Deicer])

      Disconnect the windshield glass (windshield deicer) connector.

    2. Measure the resistance according to the value(s) in the table below.

      Standard Resistance
      Tester Connection Condition Specified Condition
      VA1-1 - Body ground Always Below 1 Ω
      Result
      Proceed to
      OK
      NG

    OK
    NG
  7. INSPECT NO. 1 INTEGRATION RELAY


    1. Remove the No. 1 integration relay.

      Click here

    2. Inspect the No. 1 integration relay.

      Click here

      Result
      Proceed to
      OK
      NG

    NG
    OK
  8. CHECK HARNESS AND CONNECTOR (NO. 1 INTEGRATION RELAY - BATTERY)


    1. B006N63C01
      *a

      Front view of wire harness connector

      (to No. 1 Integration Relay)

      Remove the No. 1 integration relay.

      Click here

    2. Measure the voltage according to the value(s) in the table below.

      Standard Voltage
      Tester Connection Condition Specified Condition
      1C-7 - Body ground Always 11 to 14 V
      1C-8 - Body ground Engine switch on (IG) 11 to 14 V
      Engine switch off Below 1 V
      Result
      Proceed to
      OK
      NG

    NG
    OK
  9. CHECK HARNESS AND CONNECTOR (NO. 1 INTEGRATION RELAY - AIR CONDITIONING AMPLIFIER ASSEMBLY AND WINDSHIELD GLASS [WINDSHIELD DEICER])


    1. Disconnect the 1C No. 1 integration relay connector.

    2. Disconnect the G36 air conditioning amplifier assembly connector.

    3. Disconnect the VA1 windshield glass (windshield deicer) connector.

    4. Measure the resistance according to the value(s) in the table below.

      Standard Resistance
      Tester Connection Condition Specified Condition
      1C-5 - G36-39 (HRLY) Always Below 1 Ω
      1C-6 - VA1-2 Always Below 1 Ω
      1C-5 or G36-39 (HRLY) - Body ground Always 10 kΩ or higher
      1C-6 or VA1-2 - Body ground Always 10 kΩ or higher
      Result
      Proceed to
      OK
      NG

    OK
    NG