POWER WINDOW CONTROL SYSTEM Driver Side Power Window does not Operate with Power Window Master Switch

DESCRIPTION

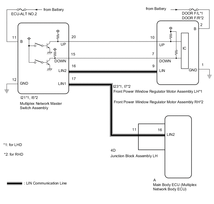
When the engine switch is on (IG), the front power window regulator motor assembly LH (for LHD) or front power window regulator motor assembly RH (for RHD) is operated by the multiplex network master switch assembly. The front power window regulator motor assembly LH (for LHD) or front power window regulator motor assembly RH (for RHD) has motor, regulator and ECU functions.

WIRING DIAGRAM

B006LRKE03

CAUTION / NOTICE / HINT

Note


  • The power window control system uses the LIN communication system. Inspect the communication function by following How to Proceed with Troubleshooting. Troubleshoot the power window control system after confirming that the communication system is functioning properly.

    Click here

  • If the front power window regulator motor assembly LH (for LHD) or front power window regulator motor assembly RH (for RHD) has been replaced with a new one, initialize the power window control system.

    Click here

  • Inspect the fuses for circuits related to this system before performing the following procedure.

  • If the main body ECU (multiplex network body ECU) is replaced, refer to Service Bulletin.

  • As the door control battery is installed between the vehicle battery and main body ECU (multiplex network body ECU), first perform the inspections in On-Vehicle Inspection to confirm that there are no malfunctions in the power source circuit for the main body ECU (multiplex network body ECU) before performing this troubleshooting procedure.

PROCEDURE


  1. READ VALUE USING GTS (MAIN BODY)


    1. Read the Data List according to the display on the GTS.

      Click here


      Body Electrical > Main Body > Data List
      Tester Display Measurement Item Range Normal Condition Diagnostic Note
      Communication D-Door Motor Connection status between front power window regulator motor assembly LH (for LHD) or front power window regulator motor assembly RH (for RHD) and main body ECU (multiplex network body ECU) STOP or OK

      STOP: Communication stopped

      OK: Normal communication

      -
      Communication Master SW Connection status between multiplex network master switch assembly and main body ECU (multiplex network body ECU) STOP or OK

      STOP: Communication stopped

      OK: Normal communication

      -

      Body Electrical > Main Body > Data List
      Tester Display
      Communication D-Door Motor
      Communication Master SW
      OK
      On the GTS screen, OK is displayed.
      Result
      Proceed to
      OK
      NG

    NG
    OK
  2. READ VALUE USING GTS (D-DOOR MOTOR)


    1. Read the Data List according to the display on the GTS.

      Click here


      Body Electrical > D-Door Motor > Data List
      Tester Display Measurement Item Range Normal Condition Diagnostic Note
      D Door P/W Up SW Driver door power window manual up switch signal OFF or ON

      OFF: Driver door power window manual up switch not being operated

      ON: Driver door power window manual up switch being operated

      -
      D Door P/W Down SW Driver door power window manual down switch signal OFF or ON

      OFF: Driver door power window manual down switch not being operated

      ON: Driver door power window manual down switch being operated

      -

      Body Electrical > D-Door Motor > Data List
      Tester Display
      D Door P/W Up SW
      D Door P/W Down SW
      OK
      On the GTS screen, ON or OFF is displayed accordingly.
      Result
      Result Proceed to
      OK A
      NG (for LHD) B
      NG (for RHD) C

    B
    C
    A
  3. PERFORM ACTIVE TEST USING GTS (D-DOOR MOTOR)


    1. Perform the Active Test according to the display on the GTS.

      Click here

      CAUTION:

      Be careful to avoid injuries as this test causes vehicle parts to move. During the Active Test, the jam protection function will not operate.


      Body Electrical > D-Door Motor > Active Test
      Tester Display Measurement Item Control Range Diagnostic Note
      Power Window Power window OFF / DOWN / UP -

      Body Electrical > D-Door Motor > Active Test
      Tester Display
      Power Window

      Tech Tips

      Up and down movement does not occur if the arrow is not pressed and held.

      OK
      Driver door power window operates normally.
      Result
      Result Proceed to
      OK A
      NG (for LHD) B
      NG (for RHD) C

    A
    B
    C
  4. CHECK HARNESS AND CONNECTOR (MULTIPLEX NETWORK MASTER SWITCH ASSEMBLY - FRONT POWER WINDOW REGULATOR MOTOR ASSEMBLY LH)


    1. Disconnect the I21 multiplex network master switch assembly connector.

    2. Disconnect the I23 front power window regulator motor assembly RH connector.

    3. Measure the resistance according to the value(s) in the table below.

      Standard Resistance
      Tester Connection Condition Specified Condition
      I21-20 (UP) - I23-10 (UP) Always Below 1 Ω
      I21-15 (DOWN) - I23-7 (DOWN) Always Below 1 Ω
      I21-20 (UP) or I23-10 (UP) - Body ground Always 10 kΩ or higher
      I21-15 (DOWN) or I23-7 (DOWN) - Body ground Always 10 kΩ or higher
      Result
      Proceed to
      OK
      NG

    NG
    OK
  5. REPLACE MULTIPLEX NETWORK MASTER SWITCH ASSEMBLY


    1. Replace the multiplex network master switch assembly.

      Click here

      Result
      Proceed to
      NEXT

    NEXT
  6. CHECK MANUAL UP / DOWN FUNCTION (FOR DRIVER DOOR)


    1. Check that the driver door power window moves when the manual up and down function of the power window regulator master switch assembly is operated.

      Click here

      OK
      Driver door manual up and down function is normal.
      Result
      Proceed to
      OK
      NG

    OK
    NG
  7. CHECK HARNESS AND CONNECTOR (MULTIPLEX NETWORK MASTER SWITCH ASSEMBLY - FRONT POWER WINDOW REGULATOR MOTOR ASSEMBLY RH)


    1. Disconnect the I5 multiplex network master switch assembly connector.

    2. Disconnect the I7 front power window regulator motor assembly RH connector.

    3. Measure the resistance according to the value(s) in the table below.

      Standard Resistance
      Tester Connection Condition Specified Condition
      I5-20 (UP) - I7-10 (UP) Always Below 1 Ω
      I5-15 (DOWN) - I7-7 (DOWN) Always Below 1 Ω
      I5-20 (UP) or I7-10 (UP) - Body ground Always 10 kΩ or higher
      I5-15 (DOWN) or I7-7 (DOWN) - Body ground Always 10 kΩ or higher
      Result
      Proceed to
      OK
      NG

    NG
    OK
  8. REPLACE MULTIPLEX NETWORK MASTER SWITCH ASSEMBLY


    1. Replace the multiplex network master switch assembly.

      Click here

      Result
      Proceed to
      NEXT

    NEXT
  9. CHECK MANUAL UP / DOWN FUNCTION (FOR DRIVER DOOR)


    1. Check that the driver door power window moves when the manual up and down function of the power window regulator master switch assembly is operated.

      Click here

      OK
      Driver door manual up and down function is normal.
      Result
      Proceed to
      OK
      NG

    OK
    NG