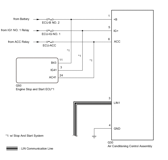
CLOCK SYSTEM SYSTEM DIAGRAM

A01IJ11E02
A01IH5YE02