CAN COMMUNICATION SYSTEM(for RHD) Navigation Receiver Assembly Communication Stop Mode

DESCRIPTION

Detection Item Symptom Trouble Area
Navigation Receiver Assembly Communication Stop Mode

Either condition is met:


  • "Display and Navigation (AVN1)" is not displayed on the CAN Bus Check screen of the GTS

    Click here

  • Communication system DTCs (DTCs that start with U) that are output correspond to "Navigation Receiver Assembly Communication Stop Mode" in "DTC Combination Table"

    Click here


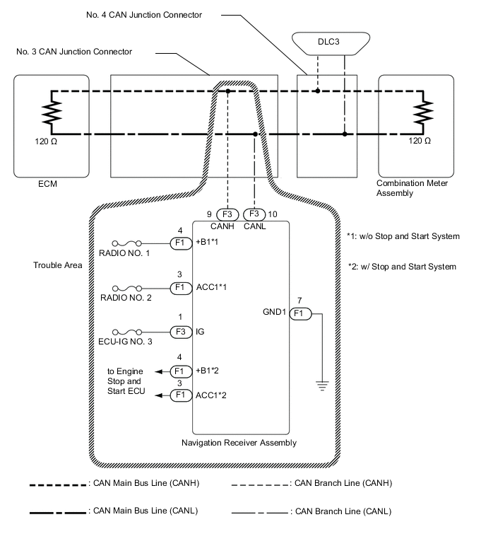
  • Navigation receiver assembly branch line or connector

  • Power source circuit of navigation receiver assembly

  • Navigation receiver assembly ground circuit

  • Navigation receiver assembly

WIRING DIAGRAM

B006PFAE02

CAUTION / NOTICE / HINT

Note


  • Before measuring the resistance of the CAN bus, turn the engine switch off and leave the vehicle for 1 minute or more without operating the key or any switches, or opening or closing the doors. After that, disconnect the cable from the negative (-) battery terminal and leave the vehicle for 1 minute or more before measuring the resistance.

  • After turning the engine switch off, waiting time may be required before disconnecting the cable from the negative (-) battery terminal. Therefore, make sure to read the disconnecting the cable from the negative (-) battery terminal notices before proceeding with work.

    Click here

  • Because the order of diagnosis is important to allow correct diagnosis, make sure to begin troubleshooting using How to Proceed with Troubleshooting when CAN communication system related DTCs are output.

    Click here

  • After performing repairs, perform the DTC check procedure and confirm that the DTCs are not output again.

  • DTC check procedure: Turn the engine switch on (IG) and wait at least 30 seconds.

  • After the repair, perform the CAN bus check and check that all the ECUs and sensors connected to the CAN communication system are displayed.

    Click here

  • Inspect the fuses for circuits related to this system before performing the following procedure.

Tech Tips


  • Operating the engine switch, any other switches or a door triggers related ECU and sensor communication on the CAN. This communication will cause the resistance value to change.

  • Even after DTCs are cleared, if a DTC is stored again after driving the vehicle for a while, the malfunction may be occurring due to vibration of the vehicle. In such a case, wiggling the ECUs or wire harness while performing the inspection below may help determine the cause of the malfunction.

PROCEDURE


  1. CHECK FOR OPEN IN CAN BUS LINES (NAVIGATION RECEIVER ASSEMBLY BRANCH LINE)


    1. Disconnect the cable from the negative (-) battery terminal.

    2. Disconnect the F3 navigation receiver assembly connector.

    3. B006QUAC09
      *a

      Front view of wire harness connector

      (to Navigation Receiver Assembly)

      Measure the resistance according to the value(s) in the table below.

      Standard Resistance
      Tester Connection Condition Specified Condition
      F3-9 (CANH) - F3-10 (CANL) Cable disconnected from negative (-) battery terminal 54 to 69 Ω
      Result
      Result Proceed to
      OK (w/o Stop and Start System) A
      OK (w/ Stop and Start System) B
      NG C

    B
    C
    A
  2. CHECK HARNESS AND CONNECTOR (POWER SOURCE CIRCUIT)


    1. Disconnect the F1 navigation receiver assembly connector.

    2. B006Q86C31
      *a

      Front view of wire harness connector

      (to Navigation Receiver Assembly)

      Measure the resistance according to the value(s) in the table below.

      Standard Resistance
      Tester Connection Condition Specified Condition
      F1-7 (GND1) - Body ground Cable disconnected from negative (-) battery terminal Below 1 Ω
    3. Reconnect the cable to the negative (-) battery terminal.

    4. Measure the voltage according to the value(s) in the table below.

      Standard Voltage
      Tester Connection Condition Specified Condition
      F1-3 (ACC1) - Body ground Engine switch on (ACC) 11 to 14 V
      F1-4 (+B1) - Body ground Always 11 to 14 V
      F3-1 (IG) - Body ground Engine switch on (IG) 11 to 14 V
      Result
      Result
      OK
      NG

    OK
    NG
  3. CHECK HARNESS AND CONNECTOR (POWER SOURCE CIRCUIT)


    1. Disconnect the F1 navigation receiver assembly connector.

    2. B006Q86C31
      *a

      Front view of wire harness connector

      (to Navigation Receiver Assembly)

      Measure the resistance according to the value(s) in the table below.

      Standard Resistance
      Tester Connection Condition Specified Condition
      F1-7 (GND1) - Body ground Cable disconnected from negative (-) battery terminal Below 1 Ω
    3. Reconnect the cable to the negative (-) battery terminal.

    4. Measure the voltage according to the value(s) in the table below.

      Standard Voltage
      Tester Connection Condition Specified Condition
      F1-3 (ACC1) - Body ground Engine switch on (ACC) 11 to 14 V
      F1-4 (+B1) - Body ground Always 11 to 14 V
      F3-1 (IG) - Body ground Engine switch on (IG) 11 to 14 V
      Result
      Result Proceed to
      OK A
      NG (+B1 or ACC1 terminal) B
      NG (Except +B1 and ACC1 terminals) C

    A
    B
    C