CAN COMMUNICATION SYSTEM(for RHD), Diagnostic DTC:U1002

DTC Code DTC Name
U1002 Lost Communication with Gateway Module (Main Body ECU)

DESCRIPTION


DTC No. Detection Item DTC Detection Condition Trouble Area Note
U1002 Lost Communication with Gateway Module (Main Body ECU) The main body ECU (multiplex network body ECU) cannot receive signals from all ECUs that have been memorized as those connected to sub bus 1.
  • Open or short in sub bus 1 main bus lines or connector

  • Short in sub bus 1 branch lines or connector

  • Main body ECU (multiplex network body ECU)

  • Outer mirror control ECU assembly (for driver side) (w/ Seat Position Memory System)

  • Outer mirror control ECU assembly (for front passenger side) (w/ Seat Position Memory System)

  • Front power seat switch RH (w/ Seat Position Memory System)

  • Room light control relay

  • Slide door motor unit LH

  • Slide door motor unit RH

  • No. 2 CAN junction terminal

  • Back door motor unit (w/ Power Back Door System)

  • Multiplex network door ECU (w/ Back Door Closer System without Power Back Door System)

  • Open or short in No. 1 CAN junction connector

  • Open or short in No. 5 CAN junction connector

Tech Tips

The main body ECU (multiplex network body ECU) stores DTCs when it detects a communication stop or network communication error for ECUs connected to sub bus 1.

Tech Tips

This diagnostic procedure is for when DTC U1002 is output by the main body ECU (multiplex network body ECU) (GTS display: Main Body).

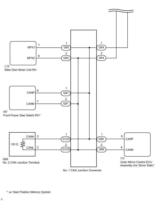
WIRING DIAGRAM

B006RAIE02
B006P8EE02

CAUTION / NOTICE / HINT

CAUTION:

When performing the confirmation driving pattern, obey all speed limits and traffic laws.

Note


  • Before measuring the resistance of the CAN bus, turn the engine switch off and leave the vehicle for 1 minute or more without operating the key or any switches, or opening or closing the doors. After that, disconnect the cable from the negative (-) battery terminal and leave the vehicle for 1 minute or more before measuring the resistance.

  • After turning the engine switch off, waiting time may be required before disconnecting the cable from the negative (-) battery terminal. Therefore, make sure to read the disconnecting the cable from the negative (-) battery terminal notices before proceeding with work.

    Click here

  • Because the order of diagnosis is important to allow correct diagnosis, make sure to begin troubleshooting using How to Proceed with Troubleshooting when CAN communication system related DTCs are output.

    Click here

  • After performing repairs, perform the DTC check procedure and confirm that the DTCs are not output again.

    DTC check procedure: Turn the engine switch on (IG) and wait for 1 minute or more. Then operate the suspected malfunctioning system and drive the vehicle at 60 km/h (37 mph) or more for 5 minutes or more.

  • After the repair, perform the CAN bus check and check that all the ECUs and sensors connected to the CAN communication system are displayed.

    Click here

  • Before replacing the main body ECU (multiplex network body ECU), refer to Service Bulletin.

Tech Tips


  • Operating the engine switch, any other switches or a door triggers related ECU and sensor communication on the CAN. This communication will cause the resistance value to change.

  • Even after DTCs are cleared, if a DTC is stored again after driving the vehicle for a while, the malfunction may be occurring due to vibration of the vehicle. In such a case, wiggling the ECUs or wire harness while performing the inspection below may help determine the cause of the malfunction.

PROCEDURE


  1. CHECK SUB BUS 1


    1. Disconnect the cable from the negative (-) battery terminal.

    2. B006OMBC40
      *1 DLC3
      *a

      Component with harness connected

      (Main Body ECU (Multiplex Network Body ECU))

      Measure the resistance according to the value(s) in the table below.

      Standard Resistance
      Tester Connection Condition Specified Condition Result
      G62-9 (CANP) - G62-10 (CANN) Cable disconnected from negative (-) battery terminal 54 to 69 Ω Below 54 Ω: Short circuit between bus lines
      70 Ω or more: Open circuit in main bus lines
      G62-9 (CANP) - G9-4 (CG) Cable disconnected from negative (-) battery terminal 200 Ω or higher Below 200 Ω: CANH short to ground
      G62-10 (CANN) - G9-4 (CG) Cable disconnected from negative (-) battery terminal 200 Ω or higher Below 200 Ω: CANL short to ground
      G62-9 (CANP) - G9-16 (BAT) Cable disconnected from negative (-) battery terminal 6 kΩ or higher Below 6 kΩ: CANH +B short
      G62-10 (CANN) - G9-16 (BAT) Cable disconnected from negative (-) battery terminal 6 kΩ or higher Below 6 kΩ: CANL +B short
      Result
      Result Proceed to
      OK A
      Open circuit in CAN main bus lines B
      Short circuit between bus lines C

      • Short to ground

      • +B short

      D

    B
    C
    D
    A
  2. CHECK FOR DTC OUTPUT


    1. Reconnect the cable to the negative (-) battery terminal.

    2. Connect the GTS to the DLC3.

    3. Turn the engine switch on (IG).

    4. Turn the GTS on.

    5. Clear the DTCs.


      Body Electrical > Main Body > Clear DTCs
    6. Turn the engine switch off.

    7. Turn the engine switch on (IG).

    8. Check for DTCs.


      Body Electrical > Main Body > Trouble Codes
      Result
      Result Proceed to
      DTC U1002 is not output from the main body ECU (multiplex network body ECU) (GTS display: Main Body) A
      DTC U1002 is output from the main body ECU (multiplex network body ECU) (GTS display: Main Body) B

    A
    B
  3. CHECK FOR OPEN IN SUB BUS 1 MAIN LINES (MAIN BODY ECU (MULTIPLEX NETWORK BODY ECU))


    1. B006LX9C41
      *a

      Front view of wire harness connector

      (to Main Body ECU (Multiplex Network Body ECU))

      Disconnect the G62 main body ECU (multiplex network body ECU) connector.

    2. Measure the resistance according to the value(s) in the table below.

      Standard Resistance
      Tester Connection Condition Specified Condition
      G62-9 (CANP) - G62-10 (CANN) Cable disconnected from negative (-) battery terminal 108 to 132 Ω
      Result
      Result
      OK
      NG

    OK
    NG
  4. CHECK FOR OPEN IN SUB BUS 1 MAIN LINES (NO. 2 CAN JUNCTION TERMINAL)


    1. Reconnect the G62 main body ECU (multiplex network body ECU) connector.

    2. Disconnect the G96 No. 2 CAN junction terminal connector.

    3. B006ML5C96
      *a

      Front view of wire harness connector

      (to No. 2 CAN Junction Terminal)

      Measure the resistance according to the value(s) in the table below.

      Standard Resistance
      Tester Connection Condition Specified Condition
      G96-3 (CANH) - G96-2 (CANL) Cable disconnected from negative (-) battery terminal 108 to 132 Ω
      Result
      Result
      OK
      NG

    OK
    NG
  5. CHECK FOR OPEN IN SUB BUS 1 MAIN LINES (NO. 5 CAN JUNCTION CONNECTOR)


    1. Reconnect the G96 No. 2 CAN junction terminal connector.

    2. Disconnect the G99 and G100 No. 5 CAN junction connectors.

      Tech Tips


      • Connectors that connect to the CAN junction connector can be distinguished by the color of their CAN bus lines.

      • Before disconnecting the connectors, make a note of where they are connected.

      • Reconnecting the connectors to non-original positions on the CAN junction connector does not affect system performance. However, it is preferred to reconnect the connectors to their original positions to avoid negative effects on the wiring such as tension on the wiring harnesses, and to make future maintenance easier.

    3. Measure the resistance according to the value(s) in the table below.

      B006R38C05
      *a

      Rear view of wire harness connector

      (to No. 5 CAN Junction Connector)

      *b to Main Body ECU (Multiplex Network Body ECU)
      *c to No. 1 CAN Junction Connector - -
      Standard Resistance
      Tester Connection Condition Specified Condition Connected to
      G99-1 (CANH) - G99-2 (CANL) Cable disconnected from negative (-) battery terminal 108 to 132 Ω Main body ECU (multiplex network body ECU)
      G100-1 (CANH) - G100-2 (CANL) Cable disconnected from negative (-) battery terminal 108 to 132 Ω No. 1 CAN junction connector
      Result
      Result Proceed to
      OK A
      NG (Main body ECU (multiplex network body ECU) main bus lines) B
      NG (No. 1 CAN junction connector main bus lines) C

    A
    B
    C
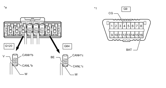
  6. CHECK FOR OPEN IN SUB BUS 1 MAIN LINES (NO. 1 CAN JUNCTION CONNECTOR)


    1. Reconnect the G99 and G100 No. 5 CAN junction connectors.

    2. Disconnect the G84 and G120 No. 1 CAN junction connectors.

      Tech Tips


      • Connectors that connect to the CAN junction connector can be distinguished by the color of their CAN bus lines.

      • Before disconnecting the connectors, make a note of where they are connected.

      • Reconnecting the connectors to non-original positions on the CAN junction connector does not affect system performance. However, it is preferred to reconnect the connectors to their original positions to avoid negative effects on the wiring such as tension on the wiring harnesses, and to make future maintenance easier.

    3. Measure the resistance according to the value(s) in the table below.

      B006LY4C03
      *a

      Rear view of wire harness connector

      (to No. 1 CAN Junction Connector)

      *b to No. 2 CAN Junction Terminal
      *c to No. 5 CAN Junction Connector - -
      Standard Resistance
      Tester Connection Condition Specified Condition Connected to
      G84-1 (CANH) - G84-2 (CANL) Cable disconnected from negative (-) battery terminal 108 to 132 Ω No. 5 CAN junction connector
      G120-1 (CANH) - G120-2 (CANL) Cable disconnected from negative (-) battery terminal 108 to 132 Ω No. 2 CAN junction terminal
      Result
      Result Proceed to
      OK A
      NG (No. 2 CAN junction terminal main bus lines) B
      NG (No. 5 CAN junction connector main bus lines) C

    A
    B
    C
  7. CHECK FOR SHORT IN SUB BUS 1 LINES (MAIN BODY ECU (MULTIPLEX NETWORK BODY ECU))


    1. B006LX9C42
      *a

      Front view of wire harness connector

      (to Main Body ECU (Multiplex Network Body ECU))

      Disconnect the G62 main body ECU (multiplex network body ECU) connector.

    2. Measure the resistance according to the value(s) in the table below.

      Standard Resistance
      Tester Connection Condition Specified Condition
      G62-9 (CANP) - G62-10 (CANN) Cable disconnected from negative (-) battery terminal 108 to 132 Ω
      Result
      Result
      OK
      NG

    OK
    NG
  8. CHECK FOR SHORT IN SUB BUS 1 LINES (NO. 2 CAN JUNCTION TERMINAL)


    1. Reconnect the G62 main body ECU (multiplex network body ECU) connector.

    2. Disconnect the G96 No. 2 CAN junction terminal connector.

    3. B006ML5C96
      *a

      Front view of wire harness connector

      (to No. 2 CAN Junction Terminal)

      Measure the resistance according to the value(s) in the table below.

      Standard Resistance
      Tester Connection Condition Specified Condition
      G96-3 (CANH) - G96-2 (CANL) Cable disconnected from negative (-) battery terminal 108 to 132 Ω
      Result
      Result
      OK
      NG

    OK
    NG
  9. CHECK FOR SHORT IN SUB BUS 1 LINES (NO. 5 CAN JUNCTION CONNECTOR)


    1. Reconnect the G96 No. 2 CAN junction terminal connector.

    2. Disconnect the G99 and G100 No. 5 CAN junction connectors.

      Tech Tips


      • Connectors that connect to the CAN junction connector can be distinguished by the color of their CAN bus lines.

      • Before disconnecting the connectors, make a note of where they are connected.

      • Reconnecting the connectors to non-original positions on the CAN junction connector does not affect system performance. However, it is preferred to reconnect the connectors to their original positions to avoid negative effects on the wiring such as tension on the wiring harnesses, and to make future maintenance easier.

    3. Measure the resistance according to the value(s) in the table below.

      B006R38C05
      *a

      Rear view of wire harness connector

      (to No. 5 CAN Junction Connector)

      *b to Main Body ECU (Multiplex Network Body ECU)
      *c to No. 1 CAN Junction Connector - -
      Standard Resistance
      Tester Connection Condition Specified Condition Connected to
      G99-1 (CANH) - G99-2 (CANL) Cable disconnected from negative (-) battery terminal 108 to 132 Ω Main body ECU (multiplex network body ECU)
      G100-1 (CANH) - G100-2 (CANL) Cable disconnected from negative (-) battery terminal 108 to 132 Ω No. 1 CAN junction connector
      Result
      Result Proceed to
      OK A
      NG (Main body ECU (multiplex network body ECU) main bus lines) B
      NG (No. 1 CAN junction connector main bus lines) C

    B
    C
    A
  10. CHECK FOR SHORT IN SUB BUS 1 LINES (NO. 5 CAN JUNCTION CONNECTOR)


    1. Reconnect the G99 and G100 No. 5 CAN junction connectors.

    2. Disconnect the G101, G102, G103 and G104 No. 5 CAN junction connectors.

      Tech Tips


      • Connectors that connect to the CAN junction connector can be distinguished by the color of their CAN bus lines.

      • Before disconnecting the connectors, make a note of where they are connected.

      • Reconnecting the connectors to non-original positions on the CAN junction connector does not affect system performance. However, it is preferred to reconnect the connectors to their original positions to avoid negative effects on the wiring such as tension on the wiring harnesses, and to make future maintenance easier.

    3. Measure the resistance according to the value(s) in the table below.

      B006OMTC05
      *a

      Rear view of wire harness connector

      (to No. 5 CAN Junction Connector)

      *b to Room Light Control Relay
      *c to Slide Door Motor Unit LH *d

      to Back Door Motor Unit

      (w/ Power Back Door System)

      *e

      to Multiplex Network Door ECU

      (w/ Back Door Closer System without Power Back Door System)

      *f

      to Outer Mirror Control ECU Assembly (for Front Passenger Side)

      (w/ Seat Position Memory System)

      Standard Resistance
      Tester Connection Condition Specified Condition Connected to
      G101-1 (CANH) - G101-2 (CANL) Cable disconnected from negative (-) battery terminal 200 Ω or higher Room light control relay
      G102-1 (CANH) - G102-2 (CANL) Cable disconnected from negative (-) battery terminal 200 Ω or higher Slide door motor unit LH
      G103-1 (CANH) - G103-2 (CANL) Cable disconnected from negative (-) battery terminal 200 Ω or higher Back door motor unit*1
      Multiplex network door ECU*2
      G104-1 (CANH) - G104-2 (CANL) Cable disconnected from negative (-) battery terminal 200 Ω or higher Outer mirror control ECU assembly (for front passenger side)*3

      • *1: w/ Power Back Door System

      • *2: w/ Back Door Closer System without Power Back Door System

      • *3: w/ Seat Position Memory System

      Result
      Result
      OK
      NG

    OK
    NG
  11. CHECK FOR SHORT IN SUB BUS 1 LINES (NO. 1 CAN JUNCTION CONNECTOR)


    1. Reconnect the G99 and G100 No. 5 CAN junction connectors.

    2. Disconnect the G84 and G120 No. 1 CAN junction connectors.

      Tech Tips


      • Connectors that connect to the CAN junction connector can be distinguished by the color of their CAN bus lines.

      • Before disconnecting the connectors, make a note of where they are connected.

      • Reconnecting the connectors to non-original positions on the CAN junction connector does not affect system performance. However, it is preferred to reconnect the connectors to their original positions to avoid negative effects on the wiring such as tension on the wiring harnesses, and to make future maintenance easier.

    3. Measure the resistance according to the value(s) in the table below.

      B006LY4C04
      *a

      Rear view of wire harness connector

      (to No. 1 CAN Junction Connector)

      *b to No. 2 CAN Junction Terminal
      *c to No. 5 CAN Junction Connector - -
      Standard Resistance
      Tester Connection Condition Specified Condition Connected to
      G84-1 (CANH) - G84-2 (CANL) Cable disconnected from negative (-) battery terminal 108 to 132 Ω No. 5 CAN junction connector
      G120-1 (CANH) - G120-2 (CANL) Cable disconnected from negative (-) battery terminal 108 to 132 Ω No. 2 CAN junction terminal
      Result
      Result Proceed to
      OK A
      NG (No. 2 CAN junction terminal connector main bus lines) B
      NG (No. 5 CAN junction connector main bus lines) C

    B
    C
    A
  12. CHECK FOR SHORT IN SUB BUS 1 LINES (NO. 1 CAN JUNCTION CONNECTOR)


    1. Reconnect the G84 and G120 No. 1 CAN junction connectors.

    2. Disconnect the G85, G86 and G87 No. 1 CAN junction connectors.

      Tech Tips


      • Connectors that connect to the CAN junction connector can be distinguished by the color of their CAN bus lines.

      • Before disconnecting the connectors, make a note of where they are connected.

      • Reconnecting the connectors to non-original positions on the CAN junction connector does not affect system performance. However, it is preferred to reconnect the connectors to their original positions to avoid negative effects on the wiring such as tension on the wiring harnesses, and to make future maintenance easier.

    3. Measure the resistance according to the value(s) in the table below.

      B006QKIC01
      *a

      Rear view of wire harness connector

      (to No. 1 CAN Junction Connector)

      *b to Slide Door Motor Unit RH
      *c

      to Outer Mirror Control ECU Assembly (for Driver Side)

      (w/ Seat Position Memory System)

      *d

      to Front Power Seat Switch RH

      (w/ Seat Position Memory System)

      Standard Resistance
      Tester Connection Condition Specified Condition Connected to
      G85-1 (CANH) - G85-2 (CANL) Cable disconnected from negative (-) battery terminal 200 Ω or higher Slide door motor unit RH
      G86-1 (CANH) - G86-2 (CANL) Cable disconnected from negative (-) battery terminal 200 Ω or higher Outer mirror control ECU assembly (for driver side)*
      G87-1 (CANH) - G87-2 (CANL) Cable disconnected from negative (-) battery terminal 200 Ω or higher Front power seat switch RH*

      • *: w/ Seat Position Memory System

      Result
      Result
      OK
      NG

    OK
    NG
  13. CHECK FOR SHORT IN SUB BUS 1 LINES (ECU, SENSOR)


    1. Reconnect all wire harness connectors.

    2. Disconnect the connector that includes terminals CANH and CANL from the ECU or sensor to which the short circuited branch line is connected.

      Click here

    3. B006QUYC21
      *a

      Component with harness connected

      (Main Body ECU (Multiplex Network Body ECU))

      Measure the resistance according to the value(s) in the table below.

      Standard Resistance
      Tester Connection Condition Specified Condition
      G62-9 (CANP) - G62-10 (CANN) Cable disconnected from negative (-) battery terminal 54 to 69 Ω

      Tech Tips

      If the resistance becomes normal (between 54 and 69 Ω) when the connector is disconnected from the ECU or sensor, there may be a short in the ECU or sensor.

      Result
      Result
      OK
      NG

    OK
    NG
  14. CHECK FOR SHORT IN SUB BUS 1 LINE (MAIN BODY ECU (MULTIPLEX NETWORK BODY ECU))


    1. Disconnect the G62 main body ECU (multiplex network body ECU) connector.

    2. Measure the resistance according to the value(s) in the table below.

      B006MDBC01
      *1 DLC3 - -
      *a

      Front view of wire harness connector

      (to Main Body ECU (Multiplex Network body ECU))

      - -
      Standard Resistance
      Tester Connection Condition Specified Condition Result
      G62-9 (CANP) - G9-4 (CG) Cable disconnected from negative (-) battery terminal 200 Ω or higher Below 200 Ω: CANH short to ground
      G62-10 (CANN) - G9-4 (CG) Cable disconnected from negative (-) battery terminal 200 Ω or higher Below 200 Ω: CANL short to ground
      G62-9 (CANP) - G9-16 (BAT) Cable disconnected from negative (-) battery terminal 6 kΩ or higher Below 6 kΩ: CANH +B short
      G62-10 (CANN) - G9-16 (BAT) Cable disconnected from negative (-) battery terminal 6 kΩ or higher Below 6 kΩ: CANL +B short

      Tech Tips


      • It is only necessary to perform the inspection in the above table for the result (short circuit) that was obtained in the Check Sub Bus 1 inspection.

      • Find the necessary inspection from the Result column that matches the result in the Result column from the Check Sub Bus 1 inspection.

      Result
      Result
      OK
      NG

    OK
    NG
  15. CHECK FOR SHORT IN SUB BUS 1 LINE (NO. 2 CAN JUNCTION TERMINAL)


    1. Reconnect the G62 main body ECU (multiplex network body ECU) connector.

    2. Disconnect the G96 No. 2 CAN junction terminal connector.

    3. B006R94C48
      *1 DLC3
      *a

      Front view of wire harness connector

      (to No. 2 CAN Junction Terminal)

      Measure the resistance according to the value(s) in the table below.

      Standard Resistance
      Tester Connection Condition Specified Condition Result
      G96-3 (CANH) - G9-4 (CG) Cable disconnected from negative (-) battery terminal 200 Ω or higher Below 200 Ω: CANH short to ground
      G96-2 (CANL) - G9-4 (CG) Cable disconnected from negative (-) battery terminal 200 Ω or higher Below 200 Ω: CANL short to ground
      G96-3 (CANH) - G9-16 (BAT) Cable disconnected from negative (-) battery terminal 6 kΩ or higher Below 6 kΩ: CANH +B short
      G96-2 (CANL)- G9-16 (BAT) Cable disconnected from negative (-) battery terminal 6 kΩ or higher Below 6 kΩ: CANL +B short

      Tech Tips


      • It is only necessary to perform the inspection in the above table for the result (short circuit) that was obtained in the Check Sub Bus 1 inspection.

      • Find the necessary inspection from the Result column that matches the result in the Result column from the Check Sub Bus 1 inspection.

      Result
      Result
      OK
      NG

    OK
    NG
  16. CHECK FOR SHORT IN SUB BUS 1 LINE (NO. 5 CAN JUNCTION CONNECTOR)


    1. Reconnect the G96 No. 2 CAN junction terminal connector.

    2. Disconnect the G99 and G100 No. 5 CAN junction connectors.

      Tech Tips


      • Connectors that connect to the CAN junction connector can be distinguished by the color of their CAN bus lines.

      • Before disconnecting the connectors, make a note of where they are connected.

      • Reconnecting the connectors to non-original positions on the CAN junction connector does not affect system performance. However, it is preferred to reconnect the connectors to their original positions to avoid negative effects on the wiring such as tension on the wiring harnesses, and to make future maintenance easier.

    3. Measure the resistance according to the value(s) in the table below.

      B006MUEC01
      *1 DLC3 - -
      *a

      Rear view of wire harness connector

      (to No. 5 CAN Junction Connector)

      *b to Main Body ECU (Multiplex Network Body ECU)
      *c to No. 1 CAN Junction Connector - -
      Standard Resistance
      Tester Connection Condition Specified Condition Result Connected to
      G99-1 (CANH) - G9-4 (CG) Cable disconnected from negative (-) battery terminal 200 Ω or higher Below 200 Ω: CANH short to ground Main body ECU (multiplex network body ECU)
      G99-2 (CANL) - G9-4 (CG) Cable disconnected from negative (-) battery terminal 200 Ω or higher Below 200 Ω: CANL short to ground
      G100-1 (CANH) - G9-4 (CG) Cable disconnected from negative (-) battery terminal 200 Ω or higher Below 200 Ω: CANH short to ground No. 1 CAN junction connector
      G100-2 (CANL) - G9-4 (CG) Cable disconnected from negative (-) battery terminal 200 Ω or higher Below 200 Ω: CANL short to ground
      G99-1 (CANH) - G9-16 (BAT) Cable disconnected from negative (-) battery terminal 6 kΩ or higher Below 6 kΩ: CANH +B short Main body ECU (multiplex network body ECU)
      G99-2 (CANL) - G9-16 (BAT) Cable disconnected from negative (-) battery terminal 6 kΩ or higher Below 6 kΩ: CANL +B short
      G100-1 (CANH) - G9-16 (BAT) Cable disconnected from negative (-) battery terminal 6 kΩ or higher Below 6 kΩ: CANH +B short No. 1 CAN junction connector
      G100-2 (CANL) - G9-16 (BAT) Cable disconnected from negative (-) battery terminal 6 kΩ or higher Below 6 kΩ: CANL +B short

      Tech Tips


      • It is only necessary to perform the inspection in the above table for the result (short circuit) that was obtained in the Check Sub Bus 1 inspection.

      • Find the necessary inspection from the Result column that matches the result in the Result column from the Check Sub Bus 1 inspection.

      Result
      Result Proceed to
      OK A
      NG (Main body ECU (multiplex network body ECU) main bus line) B
      NG (No. 1 CAN junction connector main bus line) C

    B
    C
    A
  17. CHECK FOR SHORT IN SUB BUS 1 LINE (NO. 5 CAN JUNCTION CONNECTOR)


    1. Reconnect the G99 and G100 No. 5 CAN junction connectors.

    2. Disconnect the G101, G102, G103 and G104 No. 5 CAN junction connectors.

      Tech Tips


      • Connectors that connect to the CAN junction connector can be distinguished by the color of their CAN bus lines.

      • Before disconnecting the connectors, make a note of where they are connected.

      • Reconnecting the connectors to non-original positions on the CAN junction connector does not affect system performance. However, it is preferred to reconnect the connectors to their original positions to avoid negative effects on the wiring such as tension on the wiring harnesses, and to make future maintenance easier.

    3. Measure the resistance according to the value(s) in the table below.

      B006RKGC02
      *1 DLC3 - -
      *a

      Rear view of wire harness connector

      (to No. 5 CAN Junction Connector)

      *b to Room Light Control Relay
      *c to Slide Door Motor Unit LH *d

      to Back Door Motor Unit

      (w/ Power Back Door System)

      *e

      to Multiplex Network Door ECU

      (w/ Back Door Closer System without Power Back Door System)

      *f

      to Outer Mirror Control ECU Assembly (for Front Passenger Side)

      (w/ Seat Position Memory System)

      Standard Resistance
      Tester Connection Condition Specified Condition Result Connected to
      G101-1 (CANH) - G9-4 (CG) Cable disconnected from negative (-) battery terminal 200 Ω or higher Below 200 Ω: CANH short to ground Room light control relay
      G101-2 (CANL) - G9-4 (CG) Cable disconnected from negative (-) battery terminal 200 Ω or higher Below 200 Ω: CANL short to ground
      G102-1 (CANH) - G9-4 (CG) Cable disconnected from negative (-) battery terminal 200 Ω or higher Below 200 Ω: CANH short to ground Slide door motor unit LH
      G102-2 (CANL) - G9-4 (CG) Cable disconnected from negative (-) battery terminal 200 Ω or higher Below 200 Ω: CANL short to ground
      G103-1 (CANH) - G9-4 (CG) Cable disconnected from negative (-) battery terminal 200 Ω or higher Below 200 Ω: CANH short to ground
      • Back door motor unit*1

      • Multiplex network door ECU*2

      G103-2 (CANL) - G9-4 (CG) Cable disconnected from negative (-) battery terminal 200 Ω or higher Below 200 Ω: CANL short to ground
      G104-1(CANH) - G9-4 (CG) Cable disconnected from negative (-) battery terminal 200 Ω or higher Below 200 Ω: CANH short to ground Outer mirror control ECU assembly (for front passenger side)*3
      G104-2 (CANL) - G9-4 (CG) Cable disconnected from negative (-) battery terminal 200 Ω or higher Below 200 Ω: CANL short to ground
      G101-1 (CANH) - G9-16 (BAT) Cable disconnected from negative (-) battery terminal 6 kΩ or higher Below 6 kΩ: CANH +B short Room light control relay
      G101-2 (CANL) - G9-16 (BAT) Cable disconnected from negative (-) battery terminal 6 kΩ or higher Below 6 kΩ: CANL +B short
      G102-1 (CANH) - G9-16 (BAT) Cable disconnected from negative (-) battery terminal 6 kΩ or higher Below 6 kΩ: CANH +B short Slide door motor unit LH
      G102-2 (CANL) - G9-16 (BAT) Cable disconnected from negative (-) battery terminal 6 kΩ or higher Below 6 kΩ: CANL +B short
      G103-1 (CANH) - G9-16 (BAT) Cable disconnected from negative (-) battery terminal 6 kΩ or higher Below 6 kΩ: CANH +B short
      • Back door motor unit*1

      • Multiplex network door ECU*2

      G103-2 (CANL) - G9-16 (BAT) Cable disconnected from negative (-) battery terminal 6 kΩ or higher Below 6 kΩ: CANL +B short
      G104-1 (CANH) - G9-16 (BAT) Cable disconnected from negative (-) battery terminal 6 kΩ or higher Below 6 kΩ: CANH +B short Outer mirror control ECU assembly (for front passenger side)*3
      G104-2 (CANL) - G9-16 (BAT) Cable disconnected from negative (-) battery terminal 6 kΩ or higher Below 6 kΩ: CANL +B short

      • *1: w/ Power Back Door System

      • *2: w/ Back Door Closer System without Power Back Door System

      • *3: w/ Seat Position Memory System

      Tech Tips


      • It is only necessary to perform the inspection in the above table for the result (short circuit) that was obtained in the Check Sub Bus 1 inspection.

      • Find the necessary inspection from the Result column that matches the result in the Result column from the Check Sub Bus 1 inspection.

      Result
      Result
      OK
      NG

    OK
    NG
  18. CHECK FOR SHORT IN SUB BUS 1 LINE (NO. 1 CAN JUNCTION CONNECTOR MAIN LINES)


    1. Reconnect the G99 and G100 No. 5 CAN junction connectors.

    2. Disconnect the G84 and G120 No. 1 CAN junction connectors.

      Tech Tips


      • Connectors that connect to the CAN junction connector can be distinguished by the color of their CAN bus lines.

      • Before disconnecting the connectors, make a note of where they are connected.

      • Reconnecting the connectors to non-original positions on the CAN junction connector does not affect system performance. However, it is preferred to reconnect the connectors to their original positions to avoid negative effects on the wiring such as tension on the wiring harnesses, and to make future maintenance easier.

    3. Measure the resistance according to the value(s) in the table below.

      B006OBRC02
      *1 DLC3 - -
      *a

      Rear view of wire harness connector

      (to No. 1 CAN Junction Connector)

      *b to No. 2 CAN Junction Terminal
      *c to No. 5 CAN Junction Connector - -
      Standard Resistance
      Tester Connection Condition Specified Condition Result Connected to
      G120-1 (CANH) - G9-4 (CG) Cable disconnected from negative (-) battery terminal 200 Ω or higher Below 200 Ω: CANH short to ground No. 2 CAN junction terminal
      G120-2 (CANL) - G9-4 (CG) Cable disconnected from negative (-) battery terminal 200 Ω or higher Below 200 Ω: CANL short to ground
      G84-1 (CANH) - G9-4 (CG) Cable disconnected from negative (-) battery terminal 200 Ω or higher Below 200 Ω: CANH short to ground No. 5 CAN junction connector
      G84-2 (CANL) - G9-4 (CG) Cable disconnected from negative (-) battery terminal 200 Ω or higher Below 200 Ω: CANL short to ground
      G120-1 (CANH) - G9-16 (BAT) Cable disconnected from negative (-) battery terminal 6 kΩ or higher Below 6 kΩ: CANH +B short No. 2 CAN junction terminal
      G120-2 (CANL) - G9-16 (BAT) Cable disconnected from negative (-) battery terminal 6 kΩ or higher Below 6 kΩ: CANL +B short
      G84-1 (CANH) - G9-16 (BAT) Cable disconnected from negative (-) battery terminal 6 kΩ or higher Below 6 kΩ: CANH +B short No. 5 CAN junction connector
      G84-2 (CANL) - G9-16 (BAT) Cable disconnected from negative (-) battery terminal 6 kΩ or higher Below 6 kΩ: CANL +B short

      Tech Tips


      • It is only necessary to perform the inspection in the above table for the result (short circuit) that was obtained in the Check Sub Bus 1 inspection.

      • Find the necessary inspection from the Result column that matches the result in the Result column from the Check Sub Bus 1 inspection.

      Result
      Result Proceed to
      OK A
      NG (No. 2 CAN Junction Terminal main bus line) B
      NG (No. 5 CAN junction connector main bus line) C

    B
    C
    A
  19. CHECK FOR SHORT IN SUB BUS 1 LINE (NO. 1 CAN JUNCTION CONNECTOR)


    1. Reconnect the G84 and G120 No. 1 CAN junction connectors.

    2. Disconnect the G85, G86 and G87 No. 1 CAN junction connectors.

      Tech Tips


      • Connectors that connect to the CAN junction connector can be distinguished by the color of their CAN bus lines.

      • Before disconnecting the connectors, make a note of where they are connected.

      • Reconnecting the connectors to non-original positions on the CAN junction connector does not affect system performance. However, it is preferred to reconnect the connectors to their original positions to avoid negative effects on the wiring such as tension on the wiring harnesses, and to make future maintenance easier.

    3. Measure the resistance according to the value(s) in the table below.

      B006M5ZC01
      *1 DLC3 - -
      *a

      Rear view of wire harness connector

      (to No. 1 CAN Junction Connector)

      *b to Slide Door Motor Unit RH
      *c

      to Outer Mirror Control ECU Assembly (for Driver Side)

      (w/ Seat Position Memory System)

      *d

      Front Power Seat Switch RH

      (w/ Seat Position Memory System)

      Standard Resistance
      Tester Connection Condition Specified Condition Result Connected to
      G85-1 (CANH) - G9-4 (CG) Cable disconnected from negative (-) battery terminal 200 Ω or higher Below 200 Ω: CANH short to ground Slide door motor unit RH
      G85-2 (CANL) - G9-4 (CG) Cable disconnected from negative (-) battery terminal 200 Ω or higher Below 200 Ω: CANL short to ground
      G86-1 (CANH) - G9-4 (CG) Cable disconnected from negative (-) battery terminal 200 Ω or higher Below 200 Ω: CANH short to ground Outer mirror control ECU assembly (for driver side)*
      G86-2 (CANL) - G9-4 (CG) Cable disconnected from negative (-) battery terminal 200 Ω or higher Below 200 Ω: CANL short to ground
      G87-1 (CANH) - G9-4 (CG) Cable disconnected from negative (-) battery terminal 200 Ω or higher Below 200 Ω: CANH short to ground Front power seat switch RH*
      G87-1 (CANH) - G9-4 (CG) Cable disconnected from negative (-) battery terminal 200 Ω or higher Below 200 Ω: CANL short to ground
      G85-1 (CANH) - G9-16 (BAT) Cable disconnected from negative (-) battery terminal 6 kΩ or higher Below 6 kΩ: CANH +B short Slide door motor unit RH
      G85-2 (CANL) - G9-16 (BAT) Cable disconnected from negative (-) battery terminal 6 kΩ or higher Below 6 kΩ: CANL +B short
      G86-1 (CANH) - G9-16 (BAT) Cable disconnected from negative (-) battery terminal 6 kΩ or higher Below 6 kΩ: CANH +B short Outer mirror control ECU assembly (for driver side)*
      G86-2 (CANL) - G9-16 (BAT) Cable disconnected from negative (-) battery terminal 6 kΩ or higher Below 6 kΩ: CANL +B short
      G87-1 (CANH) - G9-16 (BAT) Cable disconnected from negative (-) battery terminal 6 kΩ or higher Below 6 kΩ: CANL +B short Front power seat switch RH*
      G87-2 (CANL) - G9-16 (BAT) Cable disconnected from negative (-) battery terminal 6 kΩ or higher Below 6 kΩ: CANL +B short

      • *: w/ Seat Position Memory System

      Tech Tips


      • It is only necessary to perform the inspection in the above table for the result (short circuit) that was obtained in the Check Sub Bus 1 inspection.

      • Find the necessary inspection from the Result column that matches the result in the Result column from the Check Sub Bus 1 inspection.

      Result
      Result
      OK
      NG

    OK
    NG
  20. CHECK FOR SHORT IN SUB BUS 1 LINE (ECU, SENSOR)


    1. Reconnect all wire harness connectors.

    2. Disconnect the connector that includes terminals CANH and CANL from the ECU or sensor to which the bus line shorted to +B or shorted to GND is connected.

      Click here

    3. B006OMBC25
      *1 DLC3
      *a

      Component with harness connected

      (Main Body ECU (Multiplex Network Body ECU))

      Measure the resistance according to the value(s) in the table below.

      Standard Resistance
      Tester Connection Condition Specified Condition Result
      G62-9 (CANP) - G9-4 (CG) Cable disconnected from negative (-) battery terminal 200 Ω or higher Below 200 Ω: CANH short to ground
      G62-10 (CANN) - G9-4 (CG) Cable disconnected from negative (-) battery terminal 200 Ω or higher Below 200 Ω: CANL short to ground
      G62-9 (CANP) - G9-16 (BAT) Cable disconnected from negative (-) battery terminal 6 kΩ or higher Below 6 kΩ: CANH +B short
      G62-10 (CANN) - G9-16 (BAT) Cable disconnected from negative (-) battery terminal 6 kΩ or higher Below 6 kΩ: CANL +B short

      Tech Tips


      • It is only necessary to perform the inspection in the above table for the result (short circuit) that was obtained in the Check Sub Bus 1 inspection.

      • Find the necessary inspection from the Result column that matches the result in the Result column from the Check Sub Bus 1 inspection.

      • If the resistance becomes normal when the connector is disconnected from the ECU or sensor, there may be a short in the ECU or sensor.

      Result
      Result
      OK
      NG

    OK
    NG