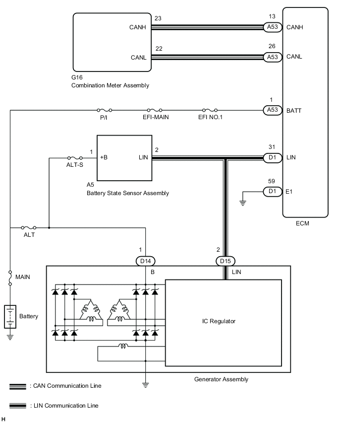
CHARGING SYSTEM SYSTEM DIAGRAM

B006P32E01