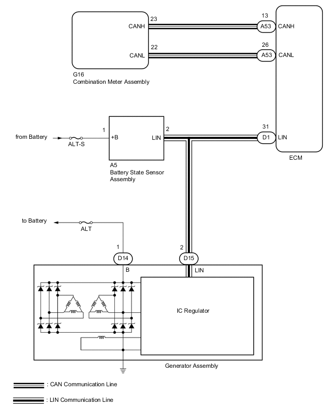
CHARGING SYSTEM SYSTEM DIAGRAM

A01IGDKE01