HEATED STEERING WHEEL SYSTEM Steering Wheel does not Heat Up When Heated Steering Wheel Switch is Pressed

DESCRIPTION

Click here

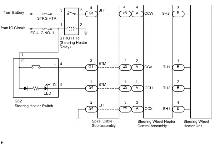
WIRING DIAGRAM

B006R8LE04

CAUTION / NOTICE / HINT

Tech Tips


  • Inspect the fuses for circuits related to this system before performing the following inspection procedure.

  • The steering wheel heater unit is built into the steering wheel assembly which cannot be disassembled. Therefore, when the steering wheel heater unit has a malfunction, replace the steering wheel assembly.

PROCEDURE


  1. INSPECT STEERING WHEEL HEATER UNIT (THERMISTOR/HEATER/THERMOSTAT)


    1. B006Q1DC03
      *a Front view of wire harness connector (to Steering Wheel Heater Control Assembly)

      Disconnect the B steering wheel heater control assembly connector.

    2. Measure the resistance according to the value(s) in the table below.

      Standard Resistance
      Tester Connection Condition Specified Condition
      B-1 (TH1) - B-2 (TH2) 10 to 30°C (50 to 86°F) 8.132 to 18.43 kΩ
      B-4 (SH1) - B-3 (SH2) 20°C (68°F) 1.89 to 2.25 Ω
      Result
      Proceed to
      OK
      NG

    NG
    OK
  2. INSPECT SPIRAL CABLE SUB-ASSEMBLY


    1. Check the connectors and cables of the spiral cable sub-assembly.

      OK
      There are no defects such as scratches, cracks, dents or damage on the connectors or cables.
    2. Disconnect the G1 and z5 spiral cable sub-assembly connectors.

    3. Measure the resistance according to the value(s) in the table below.

      B006QQRC03
      *a Component without harness connected (Spiral Cable Sub-assembly) - -
      Standard Resistance
      Tester Connection Condition Specified Condition
      z5-1 (BTM) - G1-1 (BTM) Always 3 Ω or less
      z5-2 (ETM) - G1-3 (ETM) Always 3 Ω or less
      z5-3 (EHT) - G1-2 (EHT) Always Below 0.1 Ω
      z5-4 (BHT) - G1-4 (BHT) Always Below 0.1 Ω
      Result
      Proceed to
      OK
      NG

    NG
    OK
  3. CHECK STEERING HEATER SWITCH


    1. B006LD1C02
      *a

      Component without harness connected

      (Steering Heater Switch)

      Disconnect the G52 steering heater switch connector.

    2. Measure the voltage according to the value(s) in the table below.

      Tech Tips

      As the circuit has a diode, perform the measurement in diode test mode, and do not mistake the polarity.

      Standard Voltage
      Tester Connection(Positive (+) tester probe - Negative (-) tester probe) Condition Specified Condition
      1 (IG) - 5 (IN) Always Below 1.25 V
      4 (+) - 5 (IN) Steering heater switch is pushed Below 1.25 V
    3. Measure the resistance according to the value(s) in the table below.

      Standard Resistance
      Tester Connection Condition Specified Condition
      1 (IG) - 4 (+) Steering heater switch is pushed Below 1 Ω
      Steering heater switch is not pushed 10 kΩ or higher
      Result
      Proceed to
      OK
      NG

    NG
    OK
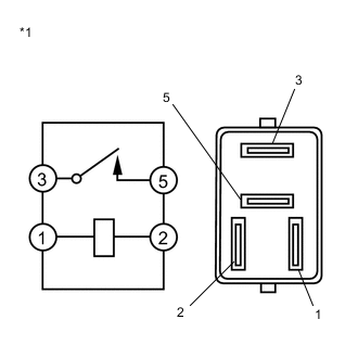
  4. CHECK STRG HTR RELAY (STEERING HEATER RELAY)


    1. B006MQ1C01
      *1 STRG HTR Relay (Steering Heater Relay)

      Remove the STRG HTR relay (steering heater relay) from the No. 2 engine room relay block and No. 2 junction block assembly.

    2. Measure the resistance according to the value(s) in the table below.

      Standard Resistance
      Tester Connection Condition Specified Condition
      3 - 5 Voltage is not applied between terminals 1 and 2 10 kΩ or higher
      3 - 5 Voltage is applied between terminals 1 and 2 Below 1 Ω
      Result
      Proceed to
      OK
      NG

    NG
    OK
  5. CHECK HARNESS AND CONNECTOR (STEERING HEATER SWITCH - SPIRAL CABLE SUB-ASSEMBLY)


    1. Disconnect the G52 steering heater switch connector.

    2. Disconnect the G1 spiral cable sub-assembly connector.

    3. Measure the resistance according to the value(s) in the table below.

      Standard Resistance
      Tester Connection Condition Specified Condition
      G52-4 (+) - G1-1 (BTM) Always Below 1 Ω
      G52-5 (IN) - G1-3 (ETM) Always Below 1 Ω
      G52-4 (+) or G1-1 (BTM) - Body ground Always 10 kΩ or higher
      G52-5 (IN) or G1-3 (ETM) - Body ground Always 10 kΩ or higher
      Result
      Proceed to
      OK
      NG

    NG
    OK
  6. CHECK HARNESS AND CONNECTOR (STRG HTR RELAY (STEERING HEATER RELAY) - SPIRAL CABLE SUB-ASSEMBLY)


    1. Remove the STRG HTR relay (steering heater relay) from the No. 2 engine room relay block and No. 2 junction block assembly.

    2. Disconnect the G1 spiral cable sub-assembly connector.

    3. Measure the resistance according to the value(s) in the table below.

      Standard Resistance
      Tester Connection Condition Specified Condition
      5 - G1-4 (BHT) Always Below 1 Ω
      5 or G1-4 (BHT) - Body ground Always 10 kΩ or higher
      Result
      Proceed to
      OK
      NG

    NG
    OK
  7. CHECK HARNESS AND CONNECTOR (STEERING HEATER SWITCH POWER SOURCE)


    1. Disconnect the G52 steering heater switch connector.

    2. Measure the voltage according to the value(s) in the table below.

      Standard Voltage
      Tester Connection Condition Specified Condition
      G52-1 (IG) - Body ground Engine switch on (IG) 11 to 14 V
      Result
      Proceed to
      OK
      NG

    NG
    OK
  8. CHECK HARNESS AND CONNECTOR (STRG HTR RELAY (STEERING HEATER RELAY) POWER SOURCE)


    1. Remove the STRG HTR relay (steering heater relay) from the No. 2 engine room relay block and No. 2 junction block assembly.

    2. Measure the voltage according to the value(s) in the table below.

      Standard Voltage
      Tester Connection Condition Specified Condition
      3 - Body ground Always 11 to 14 V
      1 - Body ground Engine switch on (IG) 11 to 14 V
    3. Measure the resistance according to the value(s) in the table below.

      Standard Resistance
      Tester Connection Condition Specified Condition
      2 - Body ground Always Below 1 Ω
      Result
      Proceed to
      OK
      NG

    NG
    OK
  9. CHECK HARNESS AND CONNECTOR (SPIRAL CABLE SUB-ASSEMBLY BODY GROUND)


    1. Disconnect the G1 spiral cable sub-assembly connector.

    2. Measure the resistance according to the value(s) in the table below.

      Standard Resistance
      Tester Connection Condition Specified Condition
      G1-2 (EHT) - Body ground Always Below 1 Ω
      Result
      Proceed to
      OK
      NG

    OK
    NG