STEERING LOCK SYSTEM Steering Lock does not Lock

DESCRIPTION

The steering lock actuator or upper bracket assembly activates the steering lock motor and moves the lock bar into the steering column to lock the steering.

When the steering lock is operating, the steering may not lock when the lock bar is not aligned with the lock hole of the steering column. In this case, the steering can be locked by turning the steering wheel a little, as is done for a vehicle with a mechanical key, to change the position of the lock hole.

Related Data List and Active Test Items
Problem Symptom Data List Item Active Test Item
Steering Lock does not Lock

    Entry&Start

  • Lock Request Receive

  • S Code Check

  • L Code Check

  • Steering Lock


    Main Body

  • FL Door Courtesy SW (for LHD)

  • FR Door Courtesy SW (for RHD)


    Power Source Control

  • Shift P Signal

-

WIRING DIAGRAM

B006KQIE07

CAUTION / NOTICE / HINT

Note


  • When using the GTS with the engine switch off, connect the GTS to the vehicle and turn a courtesy light switch on and off at intervals of 1.5 seconds or less until communication between the GTS and the vehicle begins. Then select the Model Code "KEY REGIST" under manual mode and enter the following menus: Body Electrical / Entry&Start(CAN). While using the GTS, periodically turn a courtesy light switch on and off at intervals of 1.5 seconds or less to maintain communication between the GTS and the vehicle.

  • Perform either of the following operations to lock/unlock the steering:


    • To unlock the steering, carry the key and turn the engine switch on (ACC) or on (IG).

    • To lock the steering, turn the engine switch off with the shift lever in P, and then open a door.

  • Make sure that no DTCs are output. If any DTCs are output, proceed to the Diagnostic Trouble Code Chart.

    Click here

  • The steering lock system uses LIN communication. First perform the inspections in "How to Proceed with Troubleshooting" to confirm that there are no communication malfunctions before proceeding with troubleshooting.

    Click here

  • When replacing the steering lock ECU (steering lock actuator or upper bracket assembly), certification ECU (smart key ECU assembly) or ID code box (immobiliser code ECU), registration must be performed (refer to Service Bulletin).

  • After performing repairs, confirm that the problem does not recur.

  • Inspect the fuses for circuits related to this system before performing the following procedure.

  • When disconnecting the cable from the negative (-) battery terminal, some systems need to be initialized after the cable is reconnected.

    Click here

PROCEDURE


  1. READ VALUE USING GTS (LOCK REQUEST RECEIVE)


    1. Use the Data List to check if the steering lock command is functioning properly.


      Body Electrical > Entry&Start > Data List
      Tester Display Measurement Item Range Normal Condition Diagnostic Note
      Lock Request Receive

      Reception state of steering lock request signal by certification ECU (smart key ECU assembly) sent to ID code box (immobiliser code ECU)

      Tech Tips


      • The reception state is maintained for 10 seconds.

      • When 10 seconds or more have elapsed after receiving the signal, the item changes to "NG".

      OK or NG

      OK: Lock request received within 10 seconds of opening any door with engine switch off and shift lever in P

      NG: Except above

      If this item does not change to "OK" even though the steering lock conditions are met, the certification ECU (smart key ECU assembly) may be malfunctioning.

      Body Electrical > Entry&Start > Data List
      Tester Display
      Lock Request Receive
      OK
      The certification ECU (smart key ECU assembly) receives a lock request signal within 10 seconds of turning the engine switch from on (IG) to on (ACC) or off and opening a door with the shift lever in P, and OK is displayed on the GTS screen.
      Result
      Proceed to
      OK
      NG

    NG
    OK
  2. READ VALUE USING GTS (S CODE CHECK)


    1. Use the Data List to check if S code certification is functioning properly.


      Body Electrical > Entry&Start > Data List
      Tester Display Measurement Item Range Normal Condition Diagnostic Note
      S Code Check Verification result between certification ECU (smart key ECU assembly) and ID code box (immobiliser code ECU) OK or NG

      OK: Verification result normal

      NG: Verification result abnormal

      When a malfunction is present:


      • The ID code for the certification ECU (smart key ECU assembly) or ID code box (immobiliser code ECU) is not registered or the certification ECU (smart key ECU assembly) or ID code box (immobiliser code ECU) is malfunctioning.

      • The steering cannot be locked.

      • The steering cannot be unlocked (the engine cannot be started).


      Body Electrical > Entry&Start > Data List
      Tester Display
      S Code Check
      OK
      OK is displayed on the GTS.

      Tech Tips

      Reasons for verification failure:


      • The certification ECU (smart key ECU assembly) or ID code box (immobiliser code ECU) is malfunctioning.

      • There is a problem with the communication between ECUs.

      • An ECU is replaced, but is not registered.

      • An ECU is replaced with an ECU which has a code already stored in it.

      Result
      Proceed to
      OK
      NG

    NG
    OK
  3. READ VALUE USING GTS (L CODE CHECK)


    1. Use the Data List to check if L code certification is functioning properly.


      Body Electrical > Entry&Start > Data List
      Tester Display Measurement Item Range Normal Condition Diagnostic Note
      L Code Check Verification result between ID code box (immobiliser code ECU) and steering lock ECU (steering lock actuator or upper bracket assembly) OK or NG

      OK: Verification result normal

      NG: Verification result abnormal

      When a malfunction is present:


      • The ID code for the ID code box (immobiliser code ECU) or steering lock ECU (steering lock actuator or upper bracket assembly) is not registered or the ID code box (immobiliser code ECU) or steering lock ECU (steering lock actuator or upper bracket assembly) is malfunctioning.

      • The steering cannot be locked.

      • The steering cannot be unlocked (the engine cannot be started).


      Body Electrical > Entry&Start > Data List
      Tester Display
      L Code Check
      OK
      OK is displayed on the GTS.

      Tech Tips

      Reasons for verification failure:


      • The steering lock ECU (steering lock actuator or upper bracket assembly) or ID code box (immobiliser code ECU) is malfunctioning.

      • There is a problem with the communication between ECUs.

      • An ECU is replaced, but is not registered.

      • An ECU is replaced with an ECU which has a code already stored in it.

      Result
      Proceed to
      OK
      NG

    NG
    OK
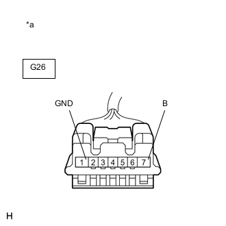
  4. CHECK HARNESS AND CONNECTOR (POWER SOURCE TERMINAL)


    1. Disconnect the G26 steering lock ECU (steering lock actuator or upper bracket assembly) connector.

    2. B006P79C97
      *a

      Front view of wire harness connector

      (to Steering Lock ECU Steering Lock Actuator or Upper Bracket Assembly))

      Measure the resistance and voltage according to the value(s) in the table below.

      Standard Resistance
      Tester Connection Condition Specified Condition
      G26-1 (GND) - Body ground Always Below 1 Ω

      Note

      If the result is not as specified, check for looseness in the ground cable connection.

      Standard Voltage
      Tester Connection Condition Specified Condition
      G26-7 (B) - Body ground Always 11 to 14 V
      Result
      Proceed to
      OK
      NG

    NG
    OK
  5. INSPECT STEERING LOCK ECU (STEERING LOCK ACTUATOR OR UPPER BRACKET ASSEMBLY)


    1. Reconnect the G26 steering lock ECU (steering lock actuator or upper bracket assembly) connector.

    2. B006KW8C66
      *a

      Component with harness connected

      (Steering Lock ECU (Steering Lock Actuator or Upper Bracket Assembly))

      *b Steering Lock Motor not Operating
      *c Steering Lock Motor Operating

      Check the signal waveform according to the condition(s) in the table below.

      Standard Frequency
      Item Content
      Tester Connection G26-3 (IGE) - G26-1 (GND)
      Tool Setting 2 V/DIV., 200 ms./DIV.
      Vehicle Condition Steering lock motor not operating → Operating → Not operating

      Tech Tips


      • When taking measurements when the lock motor is stopped, it is not necessary to perform any operations.

      • In order to take measurements when the lock motor is operating, perform either of the following operations:


        • To unlock the steering, carry the key and turn the engine switch on (ACC) or on (IG).

        • To lock the steering, turn the engine switch off with the shift lever in P, and then open a door.

      Result
      Proceed to
      OK
      NG

    OK
    NG
  6. CHECK HARNESS AND CONNECTOR (STEERING LOCK ECU (STEERING LOCK ACTUATOR OR UPPER BRACKET ASSEMBLY) - CERTIFICATION ECU (SMART KEY ECU ASSEMBLY))


    1. Make sure that there is no looseness at the locking part and the connecting part of the connectors.

    2. Disconnect the G26 steering lock ECU (steering lock actuator or upper bracket assembly) connector.

    3. Disconnect the G22 certification ECU (smart key ECU assembly) connector.

    4. Check for deformation and corrosion of the connector case and terminals.

      OK
      There is no deformation or corrosion of the connector case or terminals.
    5. Measure the resistance according to the value(s) in the table below.

      Standard Resistance
      Tester Connection Condition Specified Condition
      G26-3 (IGE) - G22-24 (SLR+) Always Below 1 Ω
      G26-3 (IGE) or G22-24 (SLR+) - Body ground Always 10 kΩ or higher
      Result
      Proceed to
      OK
      NG

    NG
    OK
  7. INSPECT STEERING LOCK ECU (STEERING LOCK ACTUATOR OR UPPER BRACKET ASSEMBLY)


    1. Reconnect the G26 steering lock ECU (steering lock actuator or upper bracket assembly) connector.

    2. Reconnect the G22 certification ECU (smart key ECU assembly) connector.

    3. B006OIDC91
      *a

      Component with harness connected

      (Steering Lock ECU (Steering Lock Actuator or Upper Bracket Assembly))

      Measure the voltage according to the value(s) in the table below.

      Standard Voltage
      Tester Connection Condition Specified Condition
      G26-3 (IGE) - Body ground Always 11 to 14 V
      Result
      Proceed to
      OK
      NG

    OK
    NG
  8. REPLACE STEERING LOCK ECU (STEERING LOCK ACTUATOR OR UPPER BRACKET ASSEMBLY)


    1. Replace the steering lock ECU (steering lock actuator or upper bracket assembly) with a new one.

      Click here

    2. Perform registration (refer to Service Bulletin).

    3. Use the Data List to check if L code certification is functioning properly.


      Body Electrical > Entry&Start > Data List
      Tester Display Measurement Item Range Normal Condition Diagnostic Note
      L Code Check Verification result between ID code box (immobiliser code ECU) and steering lock ECU (steering lock actuator or upper bracket assembly) OK or NG

      OK: Verification result normal

      NG: Verification result abnormal

      When a malfunction is present:


      • The ID code for the ID code box (immobiliser code ECU) or steering lock ECU (steering lock actuator or upper bracket assembly) is not registered or the ID code box (immobiliser code ECU) or steering lock ECU (steering lock actuator or upper bracket assembly) is malfunctioning.

      • The steering cannot be locked.

      • The steering cannot be unlocked (the engine cannot be started).


      Body Electrical > Entry&Start > Data List
      Tester Display
      L Code Check
      OK
      OK is displayed on the GTS.
      Result
      Proceed to
      OK
      NG

    OK
    NG
  9. REPLACE CERTIFICATION ECU (SMART KEY ECU ASSEMBLY)


    1. Replace the certification ECU (smart key ECU assembly) with a new one.

    2. Perform registration (refer to Service Bulletin).

    3. Use the Data List to check if S code certification is functioning properly.


      Body Electrical > Entry&Start > Data List
      Tester Display Measurement Item Range Normal Condition Diagnostic Note
      S Code Check Verification result between certification ECU (smart key ECU assembly) and ID code box (immobiliser code ECU) OK or NG

      OK: Verification result normal

      NG: Verification result abnormal

      When a malfunction is present:


      • The ID code for the certification ECU (smart key ECU assembly) or ID code box (immobiliser code ECU) is not registered or the certification ECU (smart key ECU assembly) or ID code box (immobiliser code ECU) is malfunctioning.

      • The steering cannot be locked.

      • The steering cannot be unlocked (the engine cannot be started).


      Body Electrical > Entry&Start > Data List
      Tester Display
      S Code Check
      OK
      OK is displayed on the GTS.
      Result
      Proceed to
      OK
      NG

    OK
    NG
  10. READ VALUE USING GTS (DOOR COURTESY SW)


    1. Using the GTS, check the following main body ECU (multiplex network body ECU) Data List item by opening and closing the driver door to confirm the state of the front door courtesy light switch assembly.


      Body Electrical > Main Body > Data List
      Tester Display Measurement Item Range Normal Condition Diagnostic Note
      FR Door Courtesy SW Front door courtesy light switch assembly RH (for RHD) ON or OFF

      ON: Front door RH open

      OFF: Front door RH closed

      If this item does not change according to the actual state of the driver door, there is a malfunction in the door courtesy light switch or related part.
      FL Door Courtesy SW Front door courtesy light switch assembly LH (for LHD) ON or OFF

      ON: Front door LH open

      OFF: Front door LH closed

      If this item does not change according to the actual state of the driver door, there is a malfunction in the door courtesy light switch or related part.

      Body Electrical > Main Body > Data List
      Tester Display
      FR Door Courtesy SW
      FL Door Courtesy SW
      OK
      The Data List item changes in accordance with the opening and closing of the driver door.
      Result
      Proceed to
      OK
      NG

    NG
    OK
  11. READ VALUE USING GTS (SHIFT P SIGNAL)


    1. Move the shift lever to P.

    2. Read the Data List according to the display on the GTS.


      Body Electrical > Power Source Control > Data List
      Tester Display Measurement Item Range Normal Condition Diagnostic Note
      Shift P Signal Shift position (P) signal ON or OFF

      ON: Shift lever in P

      OFF: Shift lever not in P


      • Use this item to determine if the shift position switch is malfunctioning.

      • The engine cannot be started when this item is "OFF".


      Body Electrical > Power Source Control > Data List
      Tester Display
      Shift P Signal
      OK
      ON is displayed on the GTS.
      Result
      Proceed to
      OK
      NG

    NG
    OK
  12. READ VALUE USING GTS (STEERING LOCK)


    1. Check that the steering is unlocked.

    2. Read the Data List according to the display on the GTS.


      Body Electrical > Entry&Start > Data List
      Tester Display Measurement Item Range Normal Condition Diagnostic Note
      Steering Lock State of whether steering lock ECU (steering lock actuator or upper bracket assembly) determined steering is locked Set or Unset

      Set: Steering locked

      Unset: Steering unlocked

      If this item displays "Unset", the steering is not locked.

      Body Electrical > Entry&Start > Data List
      Tester Display
      Steering Lock
      OK
      Set is displayed on the GTS.
      Result
      Proceed to
      OK
      NG

    NG
    OK
  13. READ VALUE USING GTS (LOCK REQUEST RECEIVE)


    1. Replace the certification ECU (smart key ECU assembly) with a new one.

    2. Perform registration (refer to Service Bulletin).

    3. Turn the engine switch on (IG).

    4. Use the Data List to check if the steering lock command is functioning properly.


      Body Electrical > Entry&Start > Data List
      Tester Display Measurement Item Range Normal Condition Diagnostic Note
      Lock Request Receive

      Reception state of steering lock request signal by certification ECU (smart key ECU assembly) sent to ID code box (immobiliser code ECU)

      Tech Tips


      • The reception state is maintained for 10 seconds.

      • When 10 seconds or more have elapsed after receiving the signal, the item changes to "NG".

      OK or NG

      OK: Lock request received within 10 seconds of opening any door with engine switch off and shift lever in P

      NG: Except above

      If this item does not change to "OK" even though the steering lock conditions are met, the certification ECU (smart key ECU assembly) may be malfunctioning.

      Body Electrical > Entry&Start > Data List
      Tester Display
      Lock Request Receive
      OK
      The certification ECU (smart key ECU assembly) receives a lock request signal within 10 seconds of turning the engine switch from on (IG) to on (ACC) or off and opening a door with the shift lever in P, and OK is displayed on the GTS screen.
      Result
      Proceed to
      OK
      NG

    OK
    NG