CAN COMMUNICATION SYSTEM(for RHD) HOW TO PROCEED WITH TROUBLESHOOTING

DTC Code DTC Name
HOW TO PROCEED WITH TROUBLESHOOTING

CAUTION / NOTICE / HINT


  1. PRECAUTIONS WHEN TROUBLESHOOTING

    Note


    • Because the order of diagnosis is important to allow correct diagnosis, make sure to begin troubleshooting using How to Proceed with Troubleshooting when CAN communication system related DTCs are output.

    • If the CAN communication system is malfunctioning, check the contact pressure of the terminals in connectors, as insufficient terminal contact pressure may be the cause.

      Click here

    • Refer to Diagnosis System for CAN communication system DTCs.

    • Refer to troubleshooting of each system if DTCs regarding the CAN communication system are not output.

    • Before measuring the resistance of the CAN bus, turn the engine switch off and leave the vehicle for 1 minute or more without operating the key or any switches, or opening or closing the doors. After that, disconnect the cable from the negative (-) battery terminal and leave the vehicle for 1 minute or more before measuring the resistance.

    • After turning the engine switch off, waiting time may be required before disconnecting the cable from the negative (-) battery terminal. Therefore, make sure to read the disconnecting the cable from the negative (-) battery terminal notices before proceeding with work.

      Click here


    1. CAN communication DTCs are output for CAN main bus and CAN branch malfunctions as well as for internal malfunctions or power source malfunctions of ECUs or sensors for systems using CAN communication. Therefore, when DTCs for internal malfunctions or power source malfunctions of corresponding systems are output at the same time as CAN communication DTCs, troubleshoot according to the internal malfunction and power source malfunction DTCs.

    2. An open in a branch for ECUs or sensors that are connected to the CAN main bus can be checked by performing a CAN bus check using the GTS. (This inspection is possible when the DLC3 branch and V bus main bus lines are normal.)

    3. If there was a communication error, the probable ECU or sensor for which communication stopped can be determined using the combination of communication DTCs (DTCs that start with U) that are output.

    4. If a sub bus has a communication error, the gateway function equipped ECU (sub bus monitor ECU) detects it and stores DTCs related to the error.

      Tech Tips

      On the GTS, gateway function equipped ECUs display DTCs for ECUs connected to the sub bus.

    5. When an open circuit is detected, before disconnecting related connectors for inspection, push in on the connector body to check that the connector is not loose or disconnected.

    6. When a connector is disconnected, check that the terminals and connector body are not cracked, deformed or corroded.

PROCEDURE


  1. VEHICLE BROUGHT TO WORKSHOP

    Tech Tips


    • If the engine switch can be turned on (IG) (the power source mode can be changed to on (IG)) when the vehicle is brought in for repair, check for DTCs and check the illumination condition of the indicators in the combination meter assembly and the basic operation of the vehicle (such as steering operation) promptly.

    • Do not turn the engine switch off until the inspection of the vehicle is finished, as some fail-safe functions are canceled when the engine switch is turned off.

    • If the engine switch cannot be turned on (IG) (the power source mode cannot be changed to on (IG)) when the vehicle is brought in, measure the voltage of the battery. If the voltage is below 11 V, recharge or replace the battery before performing troubleshooting.

    • If the engine switch cannot be turned on (IG) even though the battery voltage is normal, repair this malfunction before performing troubleshooting.

      Click here

    Result
    Result
    NEXT

    NEXT
  2. CUSTOMER PROBLEM ANALYSIS

    Tech Tips


    • When troubleshooting, confirm that the problem symptoms have been accurately identified. Preconceptions should be discarded in order to make an accurate judgment. To clearly understand what the problem symptoms are, it is extremely important to ask the customer about the problem and the conditions at the time the malfunction occurred.

    • Ask the customer if the vehicle is/was equipped with additional devices such as a theft deterrent device or monitor. (If equipped, explain to the customer that the additional devices will be removed before performing troubleshooting as the malfunction cannot be checked properly.)

    • Examples of points to be confirmed are shown below.


    1. It is useful to confirm the symptoms and the conditions in which the vehicle was operating at the time when a malfunction occurred. This helps to narrow down the malfunctioning part.

      Tech Tips


      • What was affected (system, part or meter warning indicators)

      • What happened (details of the malfunction)

      • When (occurrence date and time, frequency and if it recurs or not)

      • Under what kind of situation did the problem occur (driving and operating condition at the occurrence and weather)

      • Road type or condition (city, suburb, paved road, unpaved road, highway, etc.)

      • Return conditions (what made the vehicle return to normal, for example, the engine switch was turned off)

      Points to be confirmed
      Symptom
      • Electric power steering

        - Normal

        - A little heavier than usual

        - There was no assist

      • Air conditioning

        - Whether the air conditioning system operated

        - Whether the blower fan operated

      • Drive monitor display

        - Whether the update of multi-information display items stopped

        - Whether the numeric part of drivable distance was not displayed

      • Eco navigation (eco drive) display

        - Whether the average fuel consumption graph is updated every minute

        - Whether the updated section average fuel consumption graph is displayed

        - Whether the distance-to-empty is displayed on the section average fuel consumption graph display

      • Footwell lights

        - Whether the footwell illumination changed when a door was opened/closed

        - Whether the footwell lights turned off when the engine switch is turned on (ACC) or on (IG)

      • Auto lock and unlock operation

        - Whether the speed linked auto-lock function operated while driving

        - Whether the unlock function operated when the shift lever was moved to P

      • Wireless door lock function and smart entry function

        - Whether the lock/unlock function operated

        - Whether the entry warning function operated

        - Whether the illumination was turned on when the key was brought into a smart detection area

      • Seat

        - Whether the driving position memory call, auto away/return functions operated

      • Operation of other systems of concern

      Meter warning lights
      • Illumination of warning lights and the order in which they illuminated

        - Check engine (MIL)

        - ABS

        - SRS

        - EPS

        - Slip

        - Master

        - Brake

        - Others

      • Meter display

        - Speedometer

        - Tachometer

      • Content displayed on the multi-information display

        - Whether a warning message is displayed on the multi-information display

      Result
      Proceed to
      NEXT

    NEXT
  3. CHECK GTS OPERATION

    Tech Tips

    Read the GTS operators manual before use.

    Click here


    1. Connect the GTS to the DLC3.

    2. Turn the engine switch on (IG).

    3. Turn the GTS on.

    4. Check that the GTS and ECUs can communicate with the engine switch on (IG).

      Tech Tips


      • If communication is not possible, the GTS screen will indicate an error.

      • If communication between the GTS and ECUs is not possible, either the GTS or vehicle has a malfunction.

      • When communication between the GTS and the vehicle is not possible, but communication is possible when the GTS is connected to another vehicle, the vehicle is malfunctioning. Inspect the CANH and CANL branch lines of the DLC3 and the ECU power source circuits (in this case perform steps 25 to 26 first). In addition, check that the BAT terminal of the DLC3 receives battery voltage (11 V or more).

      • If communication between the GTS and ECUs is still not possible even when the GTS is connected to another vehicle, the GTS has a malfunction. Perform the self tests described in the GTS operators manual. (The GTS may be malfunctioning or its battery may be discharged.)

      Result
      Result Proceed to
      OK (Communication between the GTS and the vehicle is possible.) A
      OK (Communication between the GTS and the vehicle is not possible but communication is possible when connected to another vehicle.) B
      NG (Communication is not possible between the GTS and the vehicle, nor between the GTS and another vehicle.) C

    B
    C
    A
  4. CHECK DTC (CENTRAL GATEWAY ECU (NETWORK GATEWAY ECU))


    1. Connect the GTS to the DLC3.

    2. Turn the engine switch on (IG).

    3. Turn the GTS on.

    4. Enter the following menus: Body Electrical / Central Gateway / Trouble Codes.


      Body Electrical > Central Gateway > Trouble Codes
      OK
      DTC B1003 is not output.
      Result
      Result
      OK
      NG

    NG
    OK
  5. CHECK DTC


    1. Using the GTS, perform Health Check to read current and history DTCs and record them.

      Note


      • CAN communication DTCs are output when there is an open or short in any of the communication lines. Any problems with the power source of a corresponding ECU or sensor, or problems in the ECU or sensor itself also cause these DTCs to be output.

      • If a CAN communication line connector is disconnected with the engine switch on (IG), the ECUs of the corresponding system and related systems store a DTC.

      Tech Tips


      • If an open in a CAN main bus line, a short between the CAN bus lines (CANH and CANL) or a short to ground or +B in a CAN bus occurs, DTCs of almost all ECUs and sensors on the CAN bus may be output (or a message indicating a communication error may be displayed on the GTS screen). In this case, check the resistance of the CAN bus (steps 10 to 18) first.

      • If an open occurs in just one of the wires of a CAN branch line, DTCs which are not related to malfunctioning parts may be output (DTCs may be displayed randomly), or a message indicating a communication error may be displayed.

    2. Read the freeze frame data using the GTS and record it.

      Result
      Proceed to
      NEXT

    NEXT
  6. REPLACE CENTRAL GATEWAY ECU (NETWORK GATEWAY ECU)


    1. Replace the central gateway ECU (network gateway ECU).

      Click here

      Tech Tips

      DTC B1003 is stored when a malfunction is detected in the non-volatile storage of the central gateway ECU (network gateway ECU). As DTC B1003 is not related to a communication malfunction, continue with troubleshooting to find the cause of the communication malfunction after replacing the central gateway ECU (network gateway ECU).

      Result
      Proceed to
      NEXT

    NEXT
  7. CHECK DTC


    1. Using the GTS, perform Health Check to read current and history DTCs and record them.

      Note


      • CAN communication DTCs are output when there is an open or short in any of the communication lines. Any problems with the power source of a corresponding ECU or sensor, or problems in the ECU or sensor itself also cause these DTCs to be output.

      • If a CAN communication line connector is disconnected with the engine switch on (IG), the ECUs of the corresponding system and related systems store a DTC.

      Tech Tips


      • If an open in a CAN main bus line, a short between the CAN bus lines (CANH and CANL) or a short to ground or +B in a CAN bus occurs, DTCs of almost all ECUs and sensors on the CAN bus may be output (or a message indicating a communication error may be displayed on the GTS screen). In this case, check the resistance of the CAN bus (steps 10 to 18) first.

      • If an open occurs in just one of the wires of a CAN branch line, DTCs which are not related to malfunctioning parts may be output (DTCs may be displayed randomly), or a message indicating a communication error may be displayed.

    2. Read the freeze frame data using the GTS and record it.

      Result
      Proceed to
      NEXT

    NEXT
  8. PERFORM COMMUNICATION MALFUNCTION CHECK (CONNECTION STATUS CHECK USING GTS)


    1. Select "Communication Malfunction Check" from the screen on the GTS.

    2. Record all the DTCs stored for ECUs and sensors.

      Result
      Proceed to
      NEXT

    NEXT
  9. PERFORM CAN BUS CHECK (CONNECTION STATUS CHECK USING GTS)


    1. Based on the vehicle equipment and specifications, confirm the systems that use CAN communication.

      Click here

    2. Select "CAN Bus Check" from the screen on the GTS.


      CAN Bus Check
    3. Observe the screen for approximately 2 minutes to check the ECUs and sensors displayed on the screen.

      Result
      Proceed to
      NEXT

    NEXT
  10. CHECK BUS 2 MAIN LINE (CANH - CANL)

    Note

    Before measuring the resistance of the CAN bus, turn the engine switch off and leave the vehicle for 1 minute or more without operating the key or any switches, or opening or closing the doors. After that, disconnect the cable from the negative (-) battery terminal and leave the vehicle for 1 minute or more before measuring the resistance.

    Tech Tips

    Operating the engine switch, any other switches or a door triggers related ECU and sensor communication on the CAN. This communication will cause the resistance value to change.


    1. B006QMVC82
      *a

      Component with harness connected

      (Central Gateway ECU (Network Gateway ECU))

      Measure the resistance according to the value(s) in the table below.

      Standard Resistance
      Tester Connection Condition Specified Condition
      G116-18 (CA4H) - G116-17 (CA4L) Cable disconnected from negative (-) battery terminal 54 to 69 Ω
      Result
      Result Proceed to
      OK A
      NG (70 Ω or higher) B
      NG (Below 54 Ω) C

    B
    C
    A
  11. CHECK FOR SHORT TO GND IN BUS 2 (CANH, CANL - CG)


    1. Measure the resistance according to the value(s) in the table below.

      B006NRNC60
      *1 DLC3 - -
      *a

      Component with harness connected

      (Central Gateway ECU (Network Gateway ECU))

      - -
      Standard Resistance
      Tester Connection Condition Specified Condition
      G116-18 (CA4H) - G9-4 (CG) Cable disconnected from negative (-) battery terminal 200 Ω or higher
      G116-17 (CA4L) - G9-4 (CG) Cable disconnected from negative (-) battery terminal 200 Ω or higher
      Result
      Result
      OK
      NG

    NG
    OK
  12. CHECK FOR SHORT TO +B IN BUS 2 (CANH, CANL - BAT)


    1. Measure the resistance according to the value(s) in the table below.

      B006NRNC59
      *1 DLC3 - -
      *a

      Component with harness connected

      (Central Gateway ECU (Network Gateway ECU))

      - -
      Standard Resistance
      Tester Connection Condition Specified Condition
      G116-18 (CA4H) - G9-16 (BAT) Cable disconnected from negative (-) battery terminal 6 kΩ or higher
      G116-17 (CA4L) - G9-16 (BAT) Cable disconnected from negative (-) battery terminal 6 kΩ or higher
      Result
      Result
      OK
      NG

    NG
    OK
  13. CHECK BUS 3 MAIN LINE (CANH - CANL)

    Note

    Before measuring the resistance of the CAN bus, turn the engine switch off and leave the vehicle for 1 minute or more without operating the key or any switches, or opening or closing the doors. After that, disconnect the cable from the negative (-) battery terminal and leave the vehicle for 1 minute or more before measuring the resistance.

    Tech Tips

    Operating the engine switch, any other switches or a door triggers related ECU and sensor communication on the CAN. This communication will cause the resistance value to change.


    1. B006QMVC84
      *a

      Component with harness connected

      (Central Gateway ECU (Network Gateway ECU))

      Measure the resistance according to the value(s) in the table below.

      Standard Resistance
      Tester Connection Condition Specified Condition
      G116-6 (CA3H) - G116-21 (CA3L) Cable disconnected from negative (-) battery terminal 54 to 69 Ω
      Result
      Result Proceed to
      OK A
      NG (70 Ω or higher) B
      NG (Below 54 Ω) C

    B
    C
    A
  14. CHECK FOR SHORT TO GND IN BUS 3 (CANH, CANL - CG)


    1. Measure the resistance according to the value(s) in the table below.

      B006NRNC58
      *1 DLC3 - -
      *a

      Component with harness connected

      (Central Gateway ECU (Network Gateway ECU))

      - -
      Standard Resistance
      Tester Connection Condition Specified Condition
      G116-6 (CA3H) - G9-4 (CG) Cable disconnected from negative (-) battery terminal 200 Ω or higher
      G116-21 (CA3L) - G9-4 (CG) Cable disconnected from negative (-) battery terminal 200 Ω or higher
      Result
      Result
      OK
      NG

    NG
    OK
  15. CHECK FOR SHORT TO +B IN BUS 3 (CANH, CANL - BAT)


    1. Measure the resistance according to the value(s) in the table below.

      B006NRNC57
      *1 DLC3 - -
      *a

      Component with harness connected

      (Central Gateway ECU (Network Gateway ECU))

      - -
      Standard Resistance
      Tester Connection Condition Specified Condition
      G116-6 (CA3H) - G9-16 (BAT) Cable disconnected from negative (-) battery terminal 6 kΩ or higher
      G116-21 (CA3L) - G9-16 (BAT) Cable disconnected from negative (-) battery terminal 6 kΩ or higher
      Result
      Result
      OK
      NG

    NG
    OK
  16. CHECK BUS 5 MAIN LINE (CANH - CANL)

    Note

    Before measuring the resistance of the CAN bus, turn the engine switch off and leave the vehicle for 1 minute or more without operating the key or any switches, or opening or closing the doors. After that, disconnect the cable from the negative (-) battery terminal and leave the vehicle for 1 minute or more before measuring the resistance.

    Tech Tips

    Operating the engine switch, any other switches or a door triggers related ECU and sensor communication on the CAN. This communication will cause the resistance value to change.


    1. B006QMVC83
      *a

      Component with harness connected

      (Central Gateway ECU (Network Gateway ECU))

      Measure the resistance according to the value(s) in the table below.

      Standard Resistance
      Tester Connection Condition Specified Condition
      G116-15 (CA5H) - G116-16 (CA5L) Cable disconnected from negative (-) battery terminal 54 to 69 Ω
      Result
      Result Proceed to
      OK A
      NG (70 Ω or higher) B
      NG (Below 54 Ω) C

    B
    C
    A
  17. CHECK FOR SHORT TO GND IN BUS 5 (CANH, CANL - CG)


    1. Measure the resistance according to the value(s) in the table below.

      B006NRNC56
      *1 DLC3 - -
      *a

      Component with harness connected

      (Central Gateway ECU (Network Gateway ECU))

      - -
      Standard Resistance
      Tester Connection Condition Specified Condition
      G116-15 (CA5H) - G9-4 (CG) Cable disconnected from negative (-) battery terminal 200 Ω or higher
      G116-16 (CA5L) - G9-4 (CG) Cable disconnected from negative (-) battery terminal 200 Ω or higher
      Result
      Result
      OK
      NG

    NG
    OK
  18. CHECK FOR SHORT TO +B IN BUS 5 (CANH, CANL - BAT)


    1. Measure the resistance according to the value(s) in the table below.

      B006NRNC55
      *1 DLC3 - -
      *a

      Component with harness connected

      (Central Gateway ECU (Network Gateway ECU))

      - -
      Standard Resistance
      Tester Connection Condition Specified Condition
      G116-15 (CA5H) - G9-16 (BAT) Cable disconnected from negative (-) battery terminal 6 kΩ or higher
      G116-16 (CA5L) - G9-16 (BAT) Cable disconnected from negative (-) battery terminal 6 kΩ or higher
      Result
      Result
      OK
      NG

    NG
    OK
  19. CHECK RESULT OF CAN BUS CHECK (CONNECTION STATUS CHECK USING GTS)


    1. Inspect or repair the probable malfunctioning part based on the check result of step 9 (the step in which CAN bus check was performed).


      CAN Bus Check
      Result of CAN Bus Check (Connection Status Check Using GTS)
      Result Proceed to

      All ECUs and sensors connected to the CAN communication system are displayed as normal on the screen.

      (CAN bus circuit is currently normal.)

      A

      • All ECUs except the main body ECU (multiplex network body ECU) connected to sub bus 1 are displayed as communication stop on the screen.

      • The main body ECU (multiplex network body ECU) (Main Body) outputs DTC U1002.

      (Open or short in sub bus 1 main lines.)

      B

      The main body ECU (multiplex network body ECU) is displayed as communication stop on the screen, and all ECUs except the main body ECU (multiplex network body ECU) connected to sub bus 1 are not displayed on the screen.

      (Open in main body ECU (multiplex network body ECU) branch lines or main body ECU (multiplex network body ECU) malfunction.)

      C

      • The bus 2 main line is normal.

      • All ECUs or sensors except central gateway ECU (network gateway ECU) connected to bus 2 are displayed as communication stop on the screen.

      (Open in central gateway ECU (network gateway ECU) branch lines or central gateway ECU (network gateway ECU) malfunction.)

      D

      One of the ECUs or sensors connected to the bus 2, bus 3 or bus 5 is displayed as communication stop on the screen.

      (Open in ECU or sensor branch lines, or communication is interrupted.)

      E

      One of the ECUs or sensors connected to sub bus 1 is displayed as communication stop on the screen.*

      (Open in ECU or sensor branch lines, or communication is interrupted.)

      F

      In addition to ECUs and sensors which are connected to the bus 2 but are displayed as communication stop on the screen, there are ECUs or sensors for which the detection status changes (changes between detected and not detected) during the inspection.

      (Open in one side of ECU or sensor branch lines.)

      G

      In addition to ECUs and sensors which are connected to the bus 3 but are displayed as communication stop on the screen, there are ECUs or sensors for which the detection status changes (changes between detected and not detected) during the inspection.

      (Open in one side of ECU or sensor branch lines.)

      H

      In addition to ECUs and sensors which are connected to the bus 5 but are displayed as communication stop on the screen, there are ECUs or sensors for which the detection status changes (changes between detected and not detected) during the inspection.

      (Open in one side of ECU or sensor branch lines.)

      I

      Note


      • *: In this case, as the main body ECU (multiplex network body ECU) (Main Body) outputs communication DTCs (DTCs that start with U), the problem area can be determined from those DTCs.

      • Non-installed ECUs or sensors will not be displayed. Do not mistake them for being in communication stop mode.

      • It may be possible to select buses that do not have ECUs or sensors from the bus selection pull-down menu on the GTS. This is not a malfunction. (This occurs when optional devices are not on a sub bus that is monitored by a gateway function equipped ECU.)

      Tech Tips


      • Regarding CAN Bus Check, refer to How to Interpret CAN Bus Check Screen.

        Click here

      • If the detection status of ECUs changes during the inspection, one of the branch lines of a connected ECU or sensor may be open. (Signals from the ECU or sensor that has an open in one of its branch lines create electrical noise, affecting response to the GTS and whether or not the ECUs and sensors are displayed.)

      • Regarding the ECUs connected to sub bus 1, the main body ECU (multiplex network body ECU) displays communicating ECUs on the GTS. If the communication between the main body ECU (multiplex network body ECU) and an ECU stops for 10 seconds or more, the ECU will no longer be displayed on the GTS.

      • Regarding the communication stop mode for ECUs connected to sub bus 1, refer to the inspection procedure for the DTCs that indicate a communication stop.


    B
    C
    D
    E
    F
    G
    H
    I
    A
  20. CHECK RESULT OF COMMUNICATION MALFUNCTION CHECK (SELECT THE MALFUNCTIONING BUS)


    1. Inspect or repair the probable malfunctioning part based on the check result of step 8 (the step in which checking for communication malfunction DTCs was performed).

      Check Result of Communication Malfunction Check (Select Malfunctioning Bus)
      Result Proceed to

      The sub bus monitor ECU has not output communication DTCs but ECUs connected to the bus 2, bus 3 or bus 5 have stored communication DTCs.

      (A malfunction occurred in the bus 2, bus 3 or bus 5.)

      A

      The main body ECU (multiplex network body ECU) (Main Body) outputs DTC U1002.

      (A malfunction occurred in sub bus 1.)

      B

      One or more communication error DTCs for an ECU or sensor connected to sub bus 1 are output, but DTC U1002 is not output by the main body ECU (multiplex network body ECU) (Main Body).

      (A malfunction occurred in an ECU branch line connected to sub bus 1.)

      C

      Tech Tips


      • The term ''sub bus monitor ECU'' refers to a gateway function equipped ECU that is able to monitor a bus and store DTCs.

      • When checking for communication DTCs, refer to How to Interpret Communication DTCs (DTCs that start with U).

        Click here

      • Because a gateway function equipped ECU (sub bus monitor ECU) monitors signals from all ECUs that are connected to its sub bus, a gateway function equipped ECU can detect ECUs with a communication stop more accurately. In this case, perform troubleshooting by referring to the DTC combination table for the sub bus.

        Click here

      • If communication DTCs are stored, and all ECUs and sensors connected to the CAN communication system are displayed on the CAN Bus Check screen of the GTS, a past malfunction that is currently not occurring is suspected.

      • When a CAN branch of the bus 2, bus 3 or bus 5 is malfunctioning, because the ECUs and sensors related to it detect the malfunction, the problem area can be determined using the combination of DTCs that are output.

      • When sub bus 1 is malfunctioning, the main body ECU (multiplex network body ECU) detects a communication stop for connected ECUs and a network communication error, and stores DTCs.

      • On the GTS, the Main Body item displays the DTCs for ECUs connected to sub bus 1.

      • When both the sub bus monitor ECU and the ECUs connected to the bus 2, bus 3 or bus 5 store communication DTCs, check and repair the corresponding sub bus first.


    B
    C
    A
  21. DTC COMBINATION TABLE


    1. Confirm the problem according to the combination of output DTCs regarding the CAN communication system.

      Click here

      Result
      Result Proceed to
      Combination of DTCs is not in DTC Combination Table A
      Combination of DTCs is in DTC Combination Table B

      Tech Tips

      CAN communication system history DTCs may indicate the problem if CAN communication system DTCs are output and all ECUs and sensors connected to the CAN communication system are displayed on the CAN Bus Check screen of the GTS.


    B
    A
  22. IDENTIFICATION OF PROBLEM (PAST MALFUNCTION IN MAIN BUS OF V BUS)


    1. Connect the cable to the negative (-) battery terminal.

    2. Clear the DTCs using the GTS.

    3. Perform the tests in Symptom Simulation to check the wire harnesses and connectors including those for main bus lines.

      Click here

    4. Based on the results of the check, inspect the parts that output DTCs to determine the malfunctioning part.

      Tech Tips

      If DTCs are output, do not turn the engine switch off.

      Result
      Proceed to
      NEXT

    NEXT
  23. REPAIR OR REPLACEMENT

    Result
    Proceed to
    NEXT

    NEXT
  24. CONFIRMATION TEST

    Result
    Proceed to
    NEXT

    NEXT
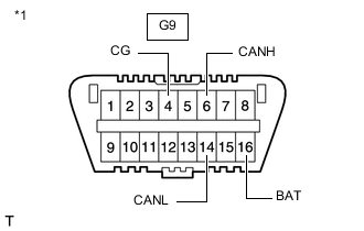
  25. CHECK V BUS BRANCH LINE (DLC3 - CENTRAL GATEWAY ECU (NETWORK GATEWAY ECU))

    Note

    Before measuring the resistance of the CAN bus, turn the engine switch off and leave the vehicle for 1 minute or more without operating the key or any switches, or opening or closing the doors. After that, disconnect the cable from the negative (-) battery terminal and leave the vehicle for 1 minute or more before measuring the resistance.

    Tech Tips

    Operating the engine switch, any other switches or a door triggers related ECU and sensor communication on the CAN. This communication will cause the resistance value to change.


    1. Disconnect the cable from the negative (-) battery terminal.

    2. B006L74C18
      *1 DLC3

      Measure the resistance according to the value(s) in the table below.

      Standard Resistance
      Tester Connection Condition Specified Condition
      G9-6 (CANH) - G9-14 (CANL) Cable disconnected from negative (-) battery terminal 54 to 69 Ω
      G9-6 (CANH) - G9-4 (CG) Cable disconnected from negative (-) battery terminal 200 Ω or higher
      G9-14 (CANL) - G9-4 (CG) Cable disconnected from negative (-) battery terminal 200 Ω or higher
      G9-6 (CANH) - G9-16 (BAT) Cable disconnected from negative (-) battery terminal 6 kΩ or higher
      G9-14 (CANL) - G9-16 (BAT) Cable disconnected from negative (-) battery terminal 6 kΩ or higher
      Result
      Result
      OK
      NG

    NG
    OK
  26. CHECK HARNESS AND CONNECTOR (POWER SOURCE CIRCUIT)


    1. Disconnect the G116 central gateway ECU (network gateway ECU) connector.

    2. B006QD2C62
      *a

      Front view of wire harness connector

      (to Central Gateway ECU (Network Gateway ECU))

      Measure the resistance according to the value(s) in the table below.

      Standard Resistance
      Tester Connection Condition Specified Condition
      G116-10 (GND) - Body ground Cable disconnected from negative (-) battery terminal Below 1 Ω
    3. Reconnect the cable to the negative (-) battery terminal.

    4. Measure the voltage according to the value(s) in the table below.

      Standard Voltage
      Tester Connection Condition Specified Condition
      G116-1 (BATT) - Body ground Always 11 to 14 V
      G116-2 (ACC) - Body ground Engine switch on (ACC) 11 to 14 V
      G116-11 (IG1) - Body ground Engine switch on (IG) 11 to 14 V
      G116-12 (IG2) - Body ground Engine switch on (IG) 11 to 14 V
      Result
      Result
      OK
      NG

    OK
    NG