CRUISE CONTROL SYSTEM Cruise Control Switch Circuit

DESCRIPTION

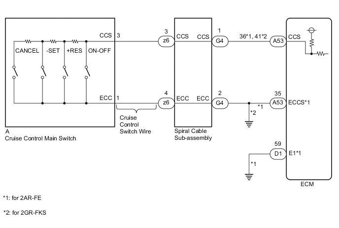
The cruise control main switch (ON-OFF button) is used to turn the cruise control system on and off, as well as operate 7 functions: SET, - (COAST), TAP-DOWN, RES (RESUME), + (ACCEL), TAP-UP and CANCEL. The SET, TAP-DOWN and - (COAST) functions, and the RES (RESUME), TAP-UP and + (ACCEL) functions are operated with the same switch. The cruise control main switch contains momentary type contacts for each function. The contacts close only while the cruise control main switch is being operated in the direction of the relative function arrow, and open when the cruise control main switch is released. The voltage at the terminal of the ECM changes as each of the different contacts open or close. The ECM reads this voltage and controls the SET, - (COAST), RES (RESUME), + (ACCEL), and CANCEL functions accordingly.

WIRING DIAGRAM

B006QPNE03

CAUTION / NOTICE / HINT

Note


  • The vehicle is equipped with a Supplemental Restraint System (SRS) which includes components such as airbags. Before servicing (including removal or installation of parts), be sure to read the precaution for Supplemental Restraint System.

    Click here

  • Before replacing the ECM, refer to Service Bulletin.

PROCEDURE


  1. READ VALUE ON GTS (CANCEL SWITCH, -SET SWITCH, +RES SWITCH, CRUISE MAIN SWITCH OPERATION CONDITION)


    1. Connect the GTS to the DLC3.

    2. Turn the engine switch on (IG).

    3. Turn the GTS on.

    4. Enter the following menus: Powertrain / Cruise Control / Data List.

    5. Read the Data List according to the display on the GTS.


      1. for 2AR-FE:


        Powertrain > Cruise Control > Data List
        Tester Display Measurement Item Range Normal Condition Diagnostic Note
        Cancel Switch CANCEL switch status ON or OFF

        ON: CANCEL switch on

        OFF: CANCEL switch off

        -
        -SET Switch -/SET switch status ON or OFF

        ON: -/SET switch on

        OFF: -/SET switch off

        -
        +RES Switch +/RES switch status ON or OFF

        ON: +/RES switch on

        OFF: +/RES switch off

        -
        Cruise Main Switch Operation Condition Cruise control main switch (ON-OFF button) status ON or OFF

        ON: Cruise control main switch (ON-OFF button) pushed

        OFF: Cruise control main switch (ON-OFF button) not pushed

        -

        Powertrain > Cruise Control > Data List
        Tester Display
        Cancel Switch
        -SET Switch
        +RES Switch
        Cruise Main Switch Operation Condition
      2. for 2GR-FKS:


        Powertrain > Cruise Control > Data List
        Tester Display Measurement Item Range Normal Condition Diagnostic Note
        Cancel Switch CANCEL switch status ON or OFF

        ON: CANCEL switch on

        OFF: CANCEL switch off

        -
        -SET Switch -/SET switch status ON or OFF

        ON: -/SET switch on

        OFF: -/SET switch off

        -
        +RES Switch +/RES switch status ON or OFF

        ON: +/RES switch on

        OFF: +/RES switch off

        -
        Cruise Main Switch Operation Condition Cruise control main switch (ON-OFF button) status ON or OFF

        ON: Cruise control main switch (ON-OFF button) pushed

        OFF: Cruise control main switch (ON-OFF button) not pushed

        -

        Powertrain > Cruise Control > Data List
        Tester Display
        Cancel Switch
        -SET Switch
        +RES Switch
        Cruise Main Switch Operation Condition
      OK
      The Data List items shown in the table change according to the operation of the cruise control main switch.
      Result
      Proceed to
      OK
      NG

    OK
    NG
  2. INSPECT CRUISE CONTROL MAIN SWITCH


    1. Remove the cruise control main switch.

      Click here

    2. Inspect the cruise control main switch.

      Click here

      Result
      Proceed to
      OK
      NG

    NG
    OK
  3. CHECK CRUISE CONTROL SWITCH WIRE


    1. B006PZPC34
      *a

      Front view of wire harness connector

      (to Spiral Cable Sub-assembly)

      *b

      Front view of wire harness connector

      (to Cruise Control Main Switch)

      Remove the cruise control switch wire.

      Click here

    2. Measure the resistance according to the value(s) in the table below.

      Standard Resistance
      Tester Connection Condition Specified Condition
      z6-3 (CCS) - A-3 (CCS) Always Below 1 Ω
      z6-4 (ECC) - A-1 (ECC) Always Below 1 Ω
      z6-3 (CCS) or A-3 (CCS) - Other terminals Always 10 kΩ or higher
      z6-4 (ECC) or A-1 (ECC) - Other terminals Always 10 kΩ or higher
      Result
      Proceed to
      OK
      NG

    NG
    OK
  4. INSPECT SPIRAL CABLE SUB-ASSEMBLY


    1. Remove the spiral cable sub-assembly.

      Click here

    2. Inspect the spiral cable sub-assembly.

      Click here

      Result
      Proceed to
      OK
      NG

    NG
    OK
  5. CHECK VEHICLE CONDITION


    1. Choose the model to be inspected.

      Result
      Result Proceed to
      for 2AR-FE A
      for 2GR-FKS B

    B
    A
  6. CHECK HARNESS AND CONNECTOR (SPIRAL CABLE SUB-ASSEMBLY - ECM)


    1. Disconnect the G4 spiral cable sub-assembly connector.

    2. Disconnect the A53 ECM connector.

    3. Measure the resistance according to the value(s) in the table below.

      Standard Resistance
      Tester Connection Condition Specified Condition
      G4-1 (CCS) - A53-36 (CCS) Always Below 1 Ω
      G4-2 (ECC) - A53-35 (ECCS) Always Below 1 Ω
      G4-1 (CCS) or A53-36 (CCS) - Body ground Always 10 kΩ or higher
      G4-2 (ECC) or A53-35 (ECCS) - Body ground Always 10 kΩ or higher
      Result
      Proceed to
      OK
      NG

    NG
    OK
  7. CHECK HARNESS AND CONNECTOR (ECM - BODY GROUND)


    1. Disconnect the D1 ECM connector.

    2. Measure the resistance according to the value(s) in the table below.

      Standard Resistance
      Tester Connection Condition Specified Condition
      D1-59 (E1) - Body ground Always Below 1 Ω
      Result
      Proceed to
      OK
      NG

    OK
    NG
  8. CHECK HARNESS AND CONNECTOR (SPIRAL CABLE SUB-ASSEMBLY - ECM AND BODY GROUND)


    1. Disconnect the G4 spiral cable sub-assembly connector.

    2. Disconnect the A53 ECM connector.

    3. Measure the resistance according to the value(s) in the table below.

      Standard Resistance
      Tester Connection Condition Specified Condition
      G4-1 (CCS) - A53-41 (CCS) Always Below 1 Ω
      G4-2 (ECC) - Body ground Always Below 1 Ω
      G4-1 (CCS) or A53-41 (CCS) - Body ground Always 10 kΩ or higher
      Result
      Proceed to
      OK
      NG

    OK
    NG