TIRE PRESSURE WARNING SYSTEM TC and CG Terminal Circuit

DESCRIPTION

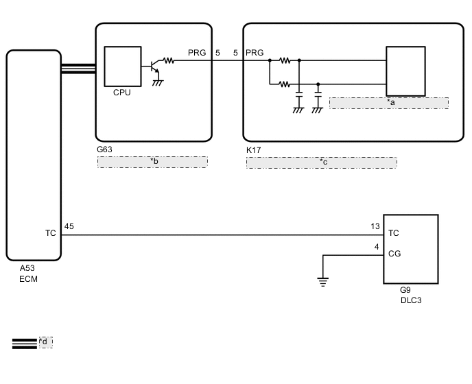
Tire pressure warning system DTCs can be checked by connecting terminals 13 (TC) and 4 (CG) of the DLC3. The DTCs are indicated by blinking the tire pressure warning light.

WIRING DIAGRAM

B006QVNE01
*a CONTROL AND PROCESSING CIRCUIT
*b Main Body ECU (Multiplex Network Body ECU)
*c Tire Pressure Warning ECU and Receiver
*d CAN Communication Line

PROCEDURE


  1. CHECK CAN COMMUNICATION SYSTEM


    1. Check for DTCs.

      Click here

      Result
      Result Proceed to
      DTCs are not output. A
      DTCs are output. B

    B
    A
  2. CHECK DTC (C2179/79)


    1. Check if DTC C2179/79 is output.

      Click here

      Result
      Result Proceed to
      DTC C2179/79 is not output. A
      DTC C2179/79 is output. B

    B
    A
  3. CHECK HARNESS AND CONNECTOR (TC of DLC3 - ECM)


    1. Disconnect the A53 ECM connector.

    2. Measure the resistance according to the value(s) in the table below.

      Standard Resistance
      Tester Connection Condition Specified Condition
      G9-13 (TC) - A53-45 (TC) Always Below 1 Ω
      G9-13 (TC) or A53-45 (TC) - Body ground Always 10 kΩ or higher
      Result
      Proceed to
      OK
      NG

    NG
    OK
  4. CHECK HARNESS AND CONNECTOR (CG of DLC3 - BODY GROUND)


    1. B006P1EC93
      *a Front view of DLC3

      Measure the resistance according to the value(s) in the table below.

      Standard Resistance
      Tester Connection Condition Specified Condition
      G9-4 (CG) - Body ground Always Below 1 Ω
      Result
      Proceed to
      OK
      NG

    NG
    OK
  5. INSPECT DLC3 (TC VOLTAGE)


    1. Connect the A53 ECM connector.

    2. B006P1EC92
      *a Front view of DLC3

      Turn the engine switch on (IG).

    3. Measure the voltage according to the value(s) in the table below.

      Standard Voltage
      Tester Connection Condition Specified Condition
      G9-13 (TC) - G9-4 (CG) Engine switch on (IG) 11 to 14 V
      Result
      Proceed to
      OK
      NG

    OK
    NG