TIRE PRESSURE WARNING SYSTEM ECU Power Source Circuit

DESCRIPTION

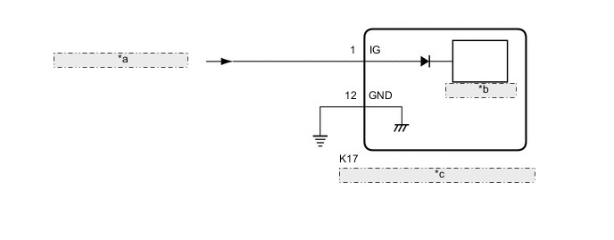
The IG circuit is the power source for the tire pressure warning ECU and receiver.

WIRING DIAGRAM

B006L23E01
*a from Stop and Start System
*b DC SUPPLY CIRCUIT
*c Tire Pressure Warning ECU and Receiver

CAUTION / NOTICE / HINT

Note


  • When replacing the tire pressure warning ECU and receiver, read the transmitter IDs stored in the old ECU using the GTS and write them down before removal.

  • It is necessary to perform initialization after registration Click here of the transmitter IDs into the tire pressure warning ECU and receiver if the ECU has been replaced.

Tech Tips

Inspect the fuses for circuits related to this system before performing the following inspection procedure.

PROCEDURE


  1. CHECK HARNESS AND CONNECTOR (IG - BODY GROUND)


    1. B006LVSC55
      *a

      Front view of wire harness connector

      (to Tire Pressure Warning ECU and Receiver)

      Disconnect the K17 tire pressure warning ECU and receiver connector.

    2. Measure the voltage according to the value(s) in the table below.

      Standard Voltage
      Tester Connection Condition Specified Condition
      K17-1 (IG) - Body ground Engine switch on (IG) 10 to 16 V
      Engine switch off Below 1 V
      Result
      Proceed to
      OK
      NG

    NG
    OK
  2. CHECK HARNESS AND CONNECTOR (GND - BODY GROUND)


    1. B006LVSC55
      *a

      Front view of wire harness connector

      (to Tire Pressure Warning ECU and Receiver)

      Disconnect the K17 tire pressure warning ECU and receiver connector.

    2. Measure the resistance according to the value(s) in the table below.

      Standard Resistance
      Tester Connection Condition Specified Condition
      K17-12 (GND) - Body ground Always Below 1 Ω
      Result
      Proceed to
      OK
      NG

    OK
    NG