TIRE PRESSURE WARNING SYSTEM, Diagnostic DTC:B1247

DTC Code DTC Name
B1247 Tire Pressure Monitor Receiver Communication Stop

DESCRIPTION

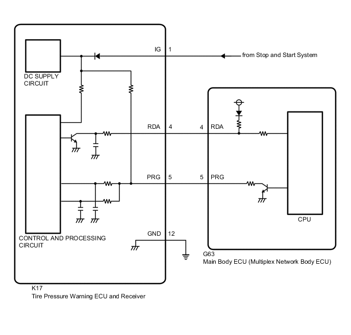
The main body ECU (multiplex network body ECU) and tire pressure warning ECU and receiver are connected using 2 direct lines that they use to communicate with each other.

DTC No. Detection Item DTC Detection Condition Trouble Area Note
B1247 Tire Pressure Monitor Receiver Communication Stop In diagnostic mode, an applicable RDA signal cannot be received within 10 seconds after a PRG signal is sent from the main body ECU (multiplex network body ECU).
  • Tire pressure warning ECU and receiver

  • Wire harness or connector

  • Main body ECU (multiplex network body ECU)

This DTC is for main body ECU (multiplex network body ECU)

WIRING DIAGRAM

B006KSDE01

CAUTION / NOTICE / HINT

Note


  • When replacing the tire pressure warning ECU and receiver, read the transmitter IDs stored in the old ECU using the GTS and write them down before removal.

  • It is necessary to perform initialization after registration Click here of the transmitter IDs into the tire pressure warning ECU and receiver after the ECU has been replaced.

  • If the main body ECU (multiplex network body ECU) is replaced, refer to Service Bulletin.

Tech Tips

Inspect the fuses for circuits related to this system before performing the following inspection procedure.

PROCEDURE


  1. CHECK HARNESS AND CONNECTOR (MAIN BODY ECU (MULTIPLEX NETWORK BODY ECU) - TIRE PRESSURE WARNING ECU AND RECEIVER)


    1. Disconnect the K17 tire pressure warning ECU and receiver connector.

    2. Disconnect the G63 main body ECU (multiplex network body ECU) connector.

    3. Measure the resistance according to the value(s) in the table below.

      Standard Resistance
      Tester Connection Condition Specified Condition
      K17-4 (RDA) - G63-4 (RDA) Always Below 1 Ω
      K17-4 (RDA) or G63-4 (RDA) - Body ground Always 10 kΩ or higher
      Result
      Proceed to
      OK
      NG

    NG
    OK
  2. CHECK HARNESS AND CONNECTOR (IG - BODY GROUND)


    1. B006LVSC55
      *a

      Front view of wire harness connector

      (to Tire Pressure Warning ECU and Receiver)

      Measure the voltage according to the value(s) in the table below.

      Standard Voltage
      Tester Connection Condition Specified Condition
      K17-1 (IG) - Body ground Engine switch on (IG) 10.5 to 16 V
      Result
      Proceed to
      OK
      NG

    NG
    OK
  3. CHECK HARNESS AND CONNECTOR (GND - BODY GROUND)


    1. B006LVSC55
      *a

      Front view of wire harness connector

      (to Tire Pressure Warning ECU and Receiver)

      Measure the resistance according to the value(s) in the table below.

      Standard Resistance
      Tester Connection Condition Specified Condition
      K17-12 (GND) - Body ground Always Below 1 Ω
      Result
      Proceed to
      OK
      NG

    NG
    OK
  4. REPLACE TIRE PRESSURE WARNING ECU AND RECEIVER


    1. Replace the tire pressure warning ECU and receiver.

      Click here

      Result
      Proceed to
      NEXT

    NEXT
  5. CHECK DTC OUTPUT


    1. Clear the DTCs.

      Click here


      Body Electrical > Main Body > Clear DTCs
    2. Turn the engine switch off.

    3. Turn the engine switch on (IG).

    4. Check for DTCs.

      Click here


      Body Electrical > Main Body > Trouble Codes
      OK
      DTC B1247 is not output.
      Result
      Proceed to
      OK
      NG

    OK
    NG