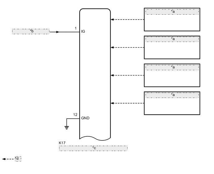
| *a | Tire Pressure Warning Valve and Transmitter |
| *b | from Stop and Start System |
| *c | Tire Pressure Warning ECU and Receiver |
| *d | Radio Waves |
Tech Tips
Each tire pressure warning valve and transmitter sends its transmitter ID, temperature and tire pressure information to the tire pressure warning ECU and receiver.
| Transmitting ECU (Transmitter) | Receiving ECU | Signal | Communication Method |
|---|---|---|---|
| Combination Meter Assembly | Main Body ECU (Multiplex Network Body ECU) | Vehicle speed signal | CAN communication line |
| Main Body ECU (Multiplex Network Body ECU) | Combination Meter Assembly | Tire pressure warning light signal | CAN communication line |