TIRE PRESSURE WARNING SYSTEM, Diagnostic DTC:C2179/79

DTC Code DTC Name
C2179/79 Tire Pressure Monitor ECU Communication Stop

DESCRIPTION

The main body ECU (multiplex network body ECU) sends signals to the tire pressure warning ECU and receiver via a direct line.

DTC No. Detection Item DTC Detection Condition Trouble Area Note
C2179/79 Tire Pressure Monitor ECU Communication Stop Communication between the main body ECU (multiplex network body ECU) and tire pressure warning ECU and receiver is interrupted for 10 seconds or more.
  • Main body ECU (Multiplex network body ECU)

  • Wire harness or connector

  • Tire pressure warning ECU and receiver

-

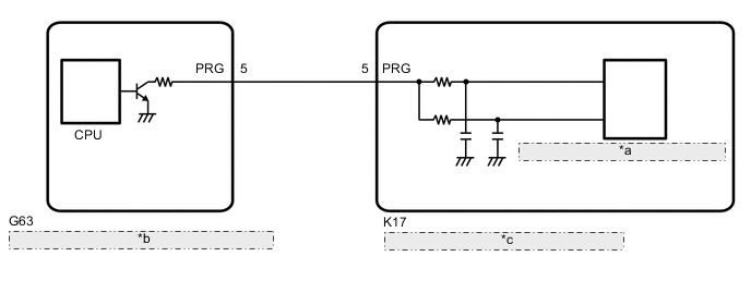
WIRING DIAGRAM

B006M2VE01
*a CONTROL AND PROCESSING CIRCUIT
*b Main Body ECU (Multiplex Network Body ECU)
*c Tire Pressure Warning ECU and Receiver

CAUTION / NOTICE / HINT

Note


  • When replacing the tire pressure warning ECU and receiver, read the transmitter IDs stored in the old ECU using the GTS and write them down before removal.

  • It is necessary to perform initialization after registration Click here of the transmitter IDs into the tire pressure warning ECU and receiver after the ECU has been replaced.

  • If the main body ECU (multiplex network body ECU) is replaced, refer to Service Bulletin.

PROCEDURE


  1. CHECK HARNESS AND CONNECTOR (TIRE PRESSURE WARNING ECU AND RECEIVER - MAIN BODY ECU (MULTIPLEX NETWORK BODY ECU))


    1. Disconnect the K17 tire pressure warning ECU and receiver connector.

    2. Disconnect the G63 main body ECU (multiplex network body ECU) connector.

    3. Measure the resistance according to the value(s) in the table below.

      Standard Resistance
      Tester Connection Condition Specified Condition
      K17-5 (PRG) - G63-5 (PRG) Always Below 1 Ω
      K17-5 (PRG) or G63-5 (PRG) - Body ground Always 10 kΩ or higher
      Result
      Proceed to
      OK
      NG

    NG
    OK
  2. REPLACE TIRE PRESSURE WARNING ECU AND RECEIVER


    1. Replace the tire pressure warning ECU and receiver.

      Click here

      Result
      Proceed to
      NEXT

    NEXT
  3. CHECK DTC OUTPUT


    1. Clear the DTCs.

      Click here


      Chassis > Tire Pressure Monitor > Clear DTCs
    2. Turn the engine switch off.

    3. Turn the engine switch on (IG).

    4. Check for DTCs.

      Click here


      Chassis > Tire Pressure Monitor > Trouble Codes
      OK
      DTC C2179/79 is not output.
      Result
      Proceed to
      OK
      NG

    OK
    NG