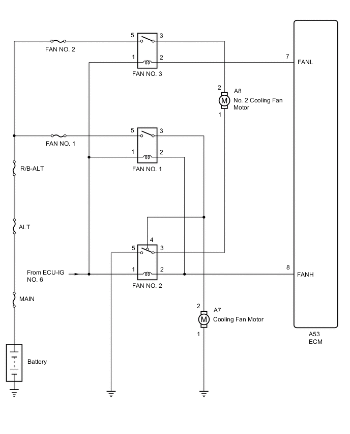
COOLING FAN SYSTEM SYSTEM DIAGRAM

B006RK0E02