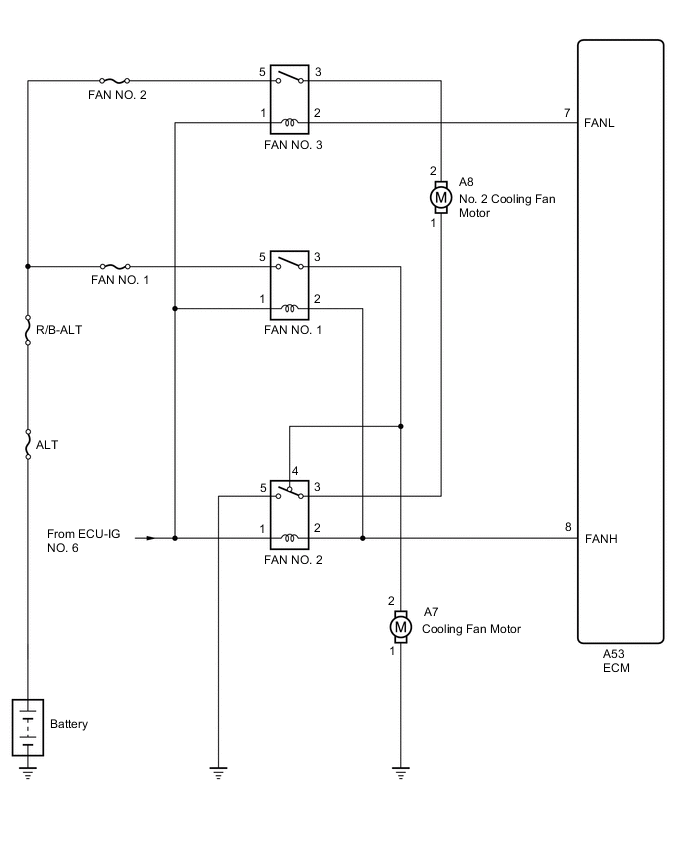
COOLING FAN SYSTEM SYSTEM DIAGRAM

A01IGU8E02