MILLIMETER WAVE RADAR SENSOR ADJUSTMENT

PROCEDURE


  1. PREPARATION FOR MILLIMETER WAVE RADAR SENSOR ASSEMBLY ADJUSTMENT


    1. B005AG8C01
      *a 5 m (16.4 ft.)
      *b 6 m (19.7 ft.)
      *c 4 m (13.1 ft.)
      *d 2 m (6.56 ft.)
      B0059LJ Do not place any metal objects in this area
      B0057KY Do not place metal objects with a height of more than 50 mm (1.97 in.) in this area

      Park the vehicle on a level surface where the area in front of the vehicle shown in the illustration is free of metal objects.

      Tech Tips

      Metal objects with a height of 50 mm (1.97 in.) or less placed within the area shown in the illustration will not affect the adjustment.

    2. Check the levelness of the ground.


      1. B00587PC01
        *a 3 m (9.84 ft.)
        B0057KY Levelness Check Point

        Check the levelness of the ground at the 3 points shown in the illustration.

      2. Place the level on each levelness check point and check that the air bubble of the level is centered.

        B0058FV
    3. Adjust the tire inflation pressure to the specified pressure.

      Click here

    4. Clean the radiator grille emblem or millimeter wave radar sensor assembly.

    5. Visually inspect the front of the vehicle.

      Tech Tips

      Confirm that there is no damage or deformation.

    6. Check that the radiator grille emblem and millimeter wave radar sensor assembly is clean and there is no dirt or snow covering them.

    7. Visually inspect the front bamper cover, radiator grille and stays.

      Tech Tips

      Confirm that there is no damage or deformation.

  2. ADJUST MILLIMETER WAVE RADAR SENSOR ASSEMBLY VERTICALLY AND HORIZONTALLY


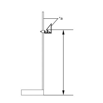
    1. Adjust SST (reflector) height.


      1. B0058Q2C03
        *a SST (reflector)

        Adjust SST (reflector) so that the center of SST (reflector) is the same height as the millimeter wave radar sensor assembly.

        Tech Tips

        Make sure to align the center of SST (reflector) with the millimeter wave radar sensor assembly (the center of the emblem).

        Reference Value
        745 mm (2.44 ft.)
        SST
        09870-60000   ( 09870-60010 )
        09870-60040
    2. Place SST (reflector).


      1. Hang a weight with a pointed tip from the center of the back door name plate, and mark the rear center point of the vehicle (point A) on the ground.

        B0057EKC02
        *a String *b Weight
        *c Center *d Bilateral Symmetry

        Tech Tips

        Lightly flick the string with your fingers several times to confirm that the string is perpendicular to the ground.

      2. Hang a weight with a pointed tip from the center of the radiator grille emblem, and mark the front center point of the vehicle (point B) on the ground.

        B005941C02
        *a String *b Weight
        *c Center *d Bilateral Symmetry

        Tech Tips

        Lightly flick the string with your fingers several times to confirm that the string is perpendicular to the ground.

      3. Using tape and a string, create a line that connects point B to point A and extends at least 3000 mm (9.84 ft.) beyond the front center point of the vehicle.

        B0059Y4C02
        *a String *b Tape
        *c 3000 mm (9.84 ft.) - -

        Tech Tips


        • Make sure the string is taut when securing it with tape.

        • Lightly flick the string with your fingers several times to confirm that the string is aligned with point B.

      4. Mark point C (SST (reflector) placement position) at a position 3000 mm (9.84 ft.) from point B.

      5. Place SST (reflector) at point C.

    3. Front Beam Axis Adjustment:

      Note


      • Close all of the doors.

      • Ensure that nobody enters the adjustment area during the adjustment.

      • Do not move or shake the vehicle during adjustment (do not get in or out of the vehicle).

      • During the procedure, do not enter the adjustment area.

      • Do not turn off the GTS or engine switch.


      1. Connect the GTS to the DLC3.

      2. Turn the engine switch on (IG).

      3. Turn the GTS on and turn the cruise control system on using the cruise control main switch (ON/OFF button).

      4. Enter the following menus: Body Electrical / Pre-Collision 2 / Utility.


        Body Electrical > Pre-Collision 2 > Utility
        Tester Display
        Front Beam Axis Adjustment
      5. According to the display on the GTS, press "Next".

      6. Perform the adjustment according to the display on the GTS.

        Note

        If an error code is displayed, perform troubleshooting according to the following table, then perform the adjustment again.

        Error No. Error Description Cause of Error Action to be Taken
        1 No target abnormality
        • SST (reflector) is placed incorrectly.

        • There is dirt on the radiator grille emblem or millimeter wave radar sensor assembly.

        • The radiator grille emblem or millimeter wave radar sensor assembly is covered by dirt or snow.

        Place SST (reflector) in the correct position. (See page 2. MILLIMETER WAVE RADAR SENSOR ASSEMBLY VERTICALLY AND HORIZONTALLY (b) Place SST (reflector))
        Clean the radiator grille emblem or millimeter wave radar sensor assembly.
        Dirt, snow or other obstruction is on the surface of the radiator grille emblem or millimeter wave sensor assembly.Check and remove any dirt, snow or other obstruction on the surface of the radiator grille emblem or millimeter wave sensor.
        2 Target distance abnormality
        • SST (reflector) is placed incorrectly.

        Place SST (reflector) in the correct position. (See page 2. MILLIMETER WAVE RADAR SENSOR ASSEMBLY VERTICALLY AND HORIZONTALLY (b) Place SST (reflector))
        3 Plural targets abnormality
        • There is a reflective object near SST (reflector).

        • A person entered the adjustment area.

        Remove any reflective objects.
        Ensure that nobody enters the adjustment area during the adjustment. (See page 1. PREPARATION FOR MILLIMETER WAVE RADAR SENSOR ASSEMBLY ADJUSTMENT)
        4 Target move abnormality
        • SST (reflector) was moved out of position or shaking during the adjustment due to wind.

        • SST (reflector) shaking during beam axis adjustment

        • A person entered the adjustment area.

        Place SST (reflector) in the correct position. (See page 2. MILLIMETER WAVE RADAR SENSOR ASSEMBLY VERTICALLY AND HORIZONTALLY (b)Place SST (reflector))
        Perform adjustment in an area with no wind.
        Ensure that nobody enters the adjustment area during the adjustment. (See page 1. PREPARATION FOR MILLIMETER WAVE RADAR SENSOR ASSEMBLY ADJUSTMENT)
        5 Motor stop
        • Operation of the millimeter wave radar sensor assembly (motor) is abnormal.

        Turn the engine switch off then on (IG). (See page 2. MILLIMETER WAVE RADAR SENSOR ASSEMBLY VERTICALLY AND HORIZONTALLY (c)Front Beam Axis Adjustment)
        Replace the millimeter wave radar sensor assembly.
        6 Target angle abnormality
        • SST (reflector) is placed incorrectly.

        • The beam axis of the millimeter wave radar sensor assembly is outside the automatic correction range.

        Place SST (reflector) in the correct position. (See page 2. MILLIMETER WAVE RADAR SENSOR ASSEMBLY VERTICALLY AND HORIZONTALLY (b)Place SST (reflector))
        Check the condition of the millimeter wave radar sensor assembly.
        Check the condition of the sensor, radiator grille and front bamper cover. Check the installation condition of the front bamper cover, radiator grille and radiator grille emblem.
        7 Radar abnormality
        • Operation of the millimeter wave radar sensor assembly is abnormal.

        Replace the millimeter wave radar sensor assembly.
        8 Radar dirtiness
        • There is dirt on the radiator grille emblem or millimeter wave radar sensor assembly.

        • Dirt, snow or other obstruction is on the surface of No. 1 radiator grill garnish or millimeter wave sensor assembly.

        Clean the radiator grille emblem or millimeter wave radar sensor assembly.
        9 Temperature abnormality
        • The temperature around the millimeter wave radar sensor assembly is outside the operable range of the millimeter wave radar sensor assembly.

        Wait until the temperature drops to the operable range (-30 to 50°C).
        10 Voltage abnormality
        • IG power source voltage is outside the operable range of the millimeter wave radar sensor assembly.

        Check the battery voltage (specified condition: 10 to 16 V).

        Click here

        11 External communication abnormality
        • CAN communication between DSS and the millimeter wave radar sensor assembly is abnormal.

        Check the condition of the connectors.
        12 Radar axis aiming failure upward
        • The beam axis of the millimeter wave radar sensor assembly is outside the automatic correction range (upward).

        Manually change the beam axis. (See page 3. MANUALLY CHANGE BEAM AXIS OF MILLIMETER WAVE RADAR SENSOR ASSEMBLY)
        13 Radar axis aiming failure downward
        • The beam axis of the millimeter wave radar sensor assembly is outside the automatic correction range (downward).

        Manually change the beam axis. (See page 3. MANUALLY CHANGE BEAM AXIS OF MILLIMETER WAVE RADAR SENSOR ASSEMBLY)
        14 Vehicle speed abnormality
        • The vehicle is not stationary.

        Ensure that the vehicle remains stationary.
        15 Other
        • A mode change error occurred.

        • Operation of the yaw rate sensor is abnormal.

        • The vehicle is shaking.

        Perform adjustment again.
      7. Press the "Exit" button to finish front beam axis adjustment.

    4. Front Beam Axis Misalignment Reading:

      Note


      • Close all of the doors.

      • Ensure that nobody enters the adjustment area during the adjustment.

      • Do not move or shake the vehicle during adjustment (do not get in or out of the vehicle).

      • During the procedure, do not enter the adjustment area.

      • Do not turn off the GTS or engine switch.


      1. Enter the following menus: Body Electrical / Pre-Collision 2 / Utility / Front Beam Axis Misalignment Reading.


        Body Electrical > Pre-Collision 2 > Utility
        Tester Display
        Front Beam Axis Misalignment Reading
      2. According to the display on the GTS, press "Next".

      3. Perform the adjustment according to the display on the GTS.

        Specified Condition
        Vertical -0.5 to 0.5 deg
        Horizontal -0.6 to 0.6 deg

        Note

        If the result is not as specified, perform beam axis adjustment again.

    5. Front Beam Axis Offset Reading:


      1. Enter the following menus: Body Electrical > Pre-Collision 2 > Utility.


        Body Electrical > Pre-Collision 2 > Utility
        Tester Display
        Front Beam Axis Offset Reading
      2. According to the display on the GTS, press "Next".

      3. Perform the adjustment according to the display on the GTS.

        Specified Condition
        Vertical learning value 0 deg
        Horizontal learning value 0 deg

        Note

        If the result is not as specified, perform beam axis adjustment again.

      4. Turn the engine switch off.

      5. Disconnect the GTS from the DLC3.

  3. MANUALLY CHANGE BEAM AXIS OF MILLIMETER WAVE RADAR SENSOR ASSEMBLY

    Note


    • Manually change the beam axis when error code 1 (no target abnormality), error code 2 target distance abnormality(target distance abnormality), error code 3 (plural targets abnormality), error code 12 (radar axis aiming failure upward) or 13 (radar axis aiming failure downward) is displayed when the target is correctly set.

    • If the beam axis change mechanism is in the most upward or downward position, check for DTCs.

    • If no DTCs are output, repair or correctly install the front bamper cover.

    Tech Tips

    The millimeter wave radar sensor assembly is installed to the front bamper cover. If the front bumper is misaligned, the beam axis will be misaligned.For this reason, if the front bamper cover is deformed, etc. and the millimeter wave radar sensor assembly is replaced or its beam axis is changed manually without repairing the deformation, the beam axis alignment may not be successfully completed.


    1. Remove the radiator support opening cover.


      1. for Sport Package:

        Click here

      2. except Sport Package:

        Click here

    2. Turn the bolt to change the beam axis of the millimeter wave radar sensor assembly.

      B005BA6C01
      *a Standard Position *b Most Downward Position
      *c Most Upward Position - -
      Vertical axis change Upward direction: Turn screwdriver to negative (-) side
      Downward direction: Turn screwdriver to positive (+) side
      Torque:
      1.5 N*m  { 15 kgf*cm, 13 in.*lbf }

      Note

      The manual axis switching mechanism may get damaged if a torque higher than the above is applied.

      If the manual axis switching mechanism is damaged, replace the No. 1 millimeter wave radar sensor bracket.

      Tech Tips


      • Make sure to set the beam axis to the most upward or downward position.

      • Manually change the beam axis to the position *b (most downward position) when error code 12 (radar axis aiming failure upward) is displayed.

      • Manually change the beam axis to the position *c (most upward position) when error code 13 (radar axis aiming failure downward) is displayed.

    3. Perform Front Beam Axis Adjustment. (See page 2. MILLIMETER WAVE RADAR SENSOR ASSEMBLY VERTICALLY AND HORIZONTALLY (c) Front Beam Axis Adjustment)

    4. Install the radiator support opening cover.


      1. for Sport Package:

        Click here

      2. except Sport Package:

        Click here