DYNAMIC TORQUE CONTROL AWD SYSTEM SYSTEM DIAGRAM

B0057L0E02
B005AYLE02
B005BHXE03
*a Rear Speed Sensor RH
*b Rear Speed Sensor LH
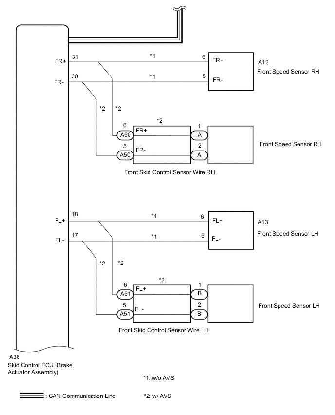
*c Skid Control ECU (Brake Actuator Assembly)
Communication Table
Transmitting ECU Receiving ECU Signal Communication Method
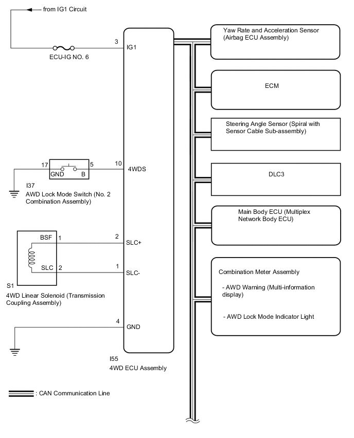
Skid control ECU (Brake actuator assembly) 4WD ECU assembly
  • Wheel speed sensor signal

  • Stop light switch signal

CAN communication system
ECM 4WD ECU assembly
  • Shift position sensor signal

  • Throttle position sensor signal

  • Crankshaft position sensor signal

CAN communication system
Main body ECU (Multiplex network body ECU) 4WD ECU assembly
  • Parking brake switch signal

  • Ambient temperature signal

CAN communication system
4WD ECU assembly Combination meter assembly
  • AWD warning signal

  • AWD lock mode indicator light signal

CAN communication system
Steering angle sensor (Spiral with sensor cable sub-assembly) 4WD ECU assembly Steering angle sensor signal CAN communication system
Yaw rate and acceleration sensor (Airbag ECU assembly) 4WD ECU assembly
  • Yaw rate sensor signal

  • Acceleration sensor signal

CAN communication system