Click here

СИСТЕМА ПЕРЕДАЧИ ДАННЫХ CAN (для моделей с правосторонним рулевым управлением), Diagnostic DTC:U1002

Click here
Click here Click here
Код DTC Наименование DTC
U1002 Нарушение связи с блоком сетевого шлюза (главный ЭБУ кузова)
Click here

ОПИСАНИЕ


№ DTC Неисправность Условие обнаружения DTC Неисправный участок Примечание
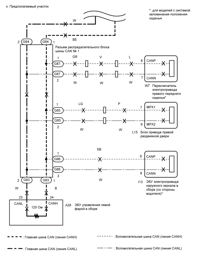
U1002 Нарушение связи с блоком сетевого шлюза (главный ЭБУ кузова) Главный ЭБУ кузова (бортовой ЭБУ сети мультиплексной связи) не получает сигналы от всех ЭБУ, которые были сохранены в памяти как блоки, подключенные к вспомогательной шине 1.
  • Обрыв или короткое замыкание в главных линиях или разъеме вспомогательной шины 1

  • Короткое замыкание во вспомогательных линиях или разъеме вспомогательной шины 1

  • Главный ЭБУ кузова (бортовой ЭБУ сети мультиплексной связи)

  • ЭБУ электропривода наружного зеркала в сборе (со стороны водителя)

    (для моделей с системой запоминания положения сиденья)

  • ЭБУ электропривода наружного зеркала в сборе (со стороны переднего пассажира)

    (для моделей с системой запоминания положения сиденья)

  • Переключатель электропривода правого переднего сиденья

    (для моделей с системой запоминания положения сиденья)

  • Реле управления освещением салона

  • Блок электропривода левой раздвижной двери

  • Блок электропривода правой раздвижной двери

  • ЭБУ управления левой фарой

  • Блок электропривода двери багажного отделения

    (для моделей с автоматизированным электроприводом двери багажного отделения)

  • ЭБУ левой передней двери сети мультиплексной связи

    (для моделей с доводчиком двери багажного отделения без автоматизированного привода двери багажного отделения)

  • Обрыв или короткое замыкание в разъеме распределительного блока шины CAN № 1

  • Обрыв или короткое замыкание в разъеме распределительного блока шины CAN № 5

Tip:

Главный ЭБУ кузова (бортовой ЭБУ сети мультиплексной связи) сохраняет коды DTC, когда он регистрирует прекращение обмена данными или ошибку связи по сети для ЭБУ, подключенных к вспомогательной шине 1.

Tip:

Эта диагностическая процедура предназначена для случаев, когда главный ЭБУ кузова (бортовой ЭБУ сети мультиплексной связи) выводит код DTC U1002 (информация на экране GTS: Main Body).

A01UCLBE05
Click here

СХЕМА ЭЛЕКТРИЧЕСКИХ СОЕДИНЕНИЙ

Click here

ПРЕДОСТЕРЕЖЕНИЕ / ПРИМЕЧАНИЕ / УКАЗАНИЕ

Note:
  • Перед измерением сопротивления шины CAN, выключите зажигание и оставьте автомобиль в покое на 1 минуту или более, не приводя в действие ключ, любые другие переключатели и не открывая/закрывая двери. После этого, отсоедините провод от отрицательного (-) вывода аккумуляторной батареи и перед измерением сопротивления оставьте автомобиль в покое на 1 минуту или более.

  • После выключения зажигания следует подождать некоторое время, прежде чем отсоединять провод от отрицательного (-) вывода аккумуляторной батареи. Поэтому, прежде чем приступать к этой работе, обязательно ознакомьтесь с примечанием относительно отсоединения провода от отрицательного (-) вывода аккумуляторной батареи.

    Нажмите здесьClick here

  • Так как порядок проведения диагностики важен для получения корректных результатов, начните поиск неисправностей с раздела "Порядок поиска неисправностей", если выводятся коды DTC, связанные с системой передачей данных CAN.

    Нажмите здесьClick here

  • После ремонта выполните процедуру проверки кодов DTC и убедитесь, что коды DTC не выводятся снова.

  • Процедура проверки кодов DTC: Включите зажигание (IG) и подождите не менее 20 с.

  • После ремонта выполните проверку шины CAN и убедитесь, что отображаются все ЭБУ и датчики, подсоединенные к системе передачи данных CAN.

    Нажмите здесьClick here

  • Перед заменой главного ЭБУ кузова (бортового ЭБУ сети мультиплексной связи) обратитесь к бюллетеню технического обслуживания.

Tip:
  • Управление выключателем зажигания, какими-либо выключателями или дверями приводит к обмену данными между ЭБУ и датчиками по шине CAN. При осуществлении обмена данными сопротивление изменяется.

  • Если DTC регистрируется при непродолжительном движении на автомобиле даже после удаления кодов DTC, неисправность может возникать вследствие вибрации автомобиля. В подобных случаях необходимо пошевелить разъемы ЭБУ или жгутов проводов во время проверки, чтобы установить причину неисправности.

Click here

ПОРЯДОК ВЫПОЛНЕНИЯ


  1. Click here

    ПРОВЕРЬТЕ ВСПОМОГАТЕЛЬНУЮ ШИНУ 1


    1. Отсоедините провод от отрицательного (-) вывода аккумуляторной батареи.

    2. A01UDI8C24
      *1 DLC3
      *a

      Устройство с подсоединенным жгутом проводов

      (главный ЭБУ кузова (бортовой ЭБУ сети мультиплексной связи))

      Измерьте сопротивление в соответствии со значениями, приведенными в таблице ниже.

      Номинальное сопротивление
      Подключение диагностического прибора Значение Заданные условия Результат
      G62-9 (CANP) - G62-10 (CANN) Провод отсоединен от отрицательного (-) вывода аккумуляторной батареи 54 - 69 Ом Менее 54 Ом: Короткое замыкание между шинами
      Не менее 70 Ом: Обрыв в линиях главной шины
      G62-9 (CANP) - G9-4 (CG) Провод отсоединен от отрицательного (-) вывода аккумуляторной батареи 200 Ом или более Менее 200 Ом: Короткое замыкание цепи CANH на массу
      G62-10 (CANN) - G9-4 (CG) Провод отсоединен от отрицательного (-) вывода аккумуляторной батареи 200 Ом или более Менее 200 Ом: Короткое замыкание цепи CANL на массу
      G62-9 (CANP) - G9-16 (BAT) Провод отсоединен от отрицательного (-) вывода аккумуляторной батареи 6 кОм или более Менее 6 кОм: Короткое замыкание CANH на +B
      G62-10 (CANN) - G9-16 (BAT) Провод отсоединен от отрицательного (-) вывода аккумуляторной батареи 6 кОм или более Менее 6 кОм: Короткое замыкание CANL на +B
      Результат
      Результат Следующий шаг
      OK А
      Обрыв в главных шинах CAN B
      Короткое замыкание между шинами C

      • Короткое замыкание на массу

      • Короткое замыкание на +B

      D

  2. Click here

    ПРОВЕРЬТЕ, ВЫВОДЯТСЯ ЛИ DTC


    1. Вновь подсоедините провод к отрицательному (-) выводу аккумуляторной батареи.

    2. Подключите GTS к DLC3.

    3. Включите зажигание (IG).

    4. Включите GTS.

    5. Сбросьте коды DTC.


      1. Body Electrical > Main Body > Clear DTCs


    6. Выключите зажигание.

    7. g. Включите зажигание (IG).

    8. Проверьте наличие кодов DTC.


      1. Body Electrical > Main Body > Trouble Codes


      Результат
      Результат Следующий шаг
      Главный ЭБУ кузова (бортовой ЭБУ сети мультиплексной связи) не выводит код DTC U1002 (информация на экране GTS: Main Body) А
      Главный ЭБУ кузова (бортовой ЭБУ сети мультиплексной связи) выводит код DTC U1002 (информация на экране GTS: Main Body) B

    • А

      ИМИТАЦИЯ УСЛОВИЙ ВОЗНИКНОВЕНИЯ НЕИСПРАВНОСТИ Нажмите здесьClick here

    • B

      ЗАМЕНИТЕ ГЛАВНЫЙ ЭБУ КУЗОВА (БОРТОВОЙ ЭБУ СЕТИ МУЛЬТИПЛЕКСНОЙ СВЯЗИ) Нажмите здесьClick here

  3. Click here

    ПРОВЕРЬТЕ ГЛАВНЫЕ ЛИНИИ ВСПОМОГАТЕЛЬНОЙ ШИНЫ 1 НА ОБРЫВ (ГЛАВНЫЙ ЭБУ КУЗОВА (БОРТОВОЙ ЭБУ СЕТИ МУЛЬТИПЛЕКСНОЙ СВЯЗИ))


    1. A01UEXYC41
      *a

      Вид спереди разъема со стороны жгута проводов:

      (к главному ЭБУ кузова (бортовому ЭБУ сети мультиплексной связи))

      Отсоедините разъем G62 главного ЭБУ кузова (бортового ЭБУ сети мультиплексной связи).

    2. Измерьте сопротивление в соответствии со значениями, приведенными в таблице ниже.

      Номинальное сопротивление
      Подключение диагностического прибора Условие Заданные условия
      G62-9 (CANP) - G62-10 (CANN) Провод отсоединен от отрицательного (-) вывода аккумуляторной батареи 108 - 132 Ом
      Результат
      Результат
      OK
      NG

    • OK

      ЗАМЕНИТЕ ГЛАВНЫЙ ЭБУ КУЗОВА (БОРТОВОЙ ЭБУ СЕТИ МУЛЬТИПЛЕКСНОЙ СВЯЗИ) Нажмите здесьClick here

    • NGClick here
  4. Click here

    ПРОВЕРЬТЕ ГЛАВНЫЕ ЛИНИИ ВСПОМОГАТЕЛЬНОЙ ШИНЫ 1 НА ОБРЫВ (ЭБУ УПРАВЛЕНИЯ ЛЕВОЙ ФАРОЙ)


    1. Подсоедините разъем G62 главного ЭБУ кузова (бортового ЭБУ сети мультиплексной связи).

    2. Отсоедините разъем A28 ЭБУ управления левой фарой.

    3. A01UEXUC37
      *a

      Вид спереди разъема со стороны жгута проводов:

      (к ЭБУ левой фары)

      Измерьте сопротивление в соответствии со значениями, приведенными в таблице ниже.

      Номинальное сопротивление
      Подключение диагностического прибора Условие Заданные условия
      A28-24 (CANH) - A28-23 (CANL) Провод отсоединен от отрицательного (-) вывода аккумуляторной батареи 108 - 132 Ом
      Результат
      Результат
      OK
      NG

    • OK

      ЗАМЕНИТЕ ЭБУ УПРАВЛЕНИЯ ЛЕВОЙ ФАРОЙ В СБОРЕ Нажмите здесьClick here

    • NGClick here
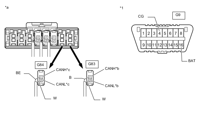
  5. Click here

    ПРОВЕРЬТЕ ГЛАВНЫЕ ЛИНИИ ВСПОМОГАТЕЛЬНОЙ ШИНЫ 1 НА ОБРЫВ (РАЗЪЕМ РАСПРЕДЕЛИТЕЛЬНОГО БЛОКА ШИНЫ CAN № 5)


    1. Подсоедините разъем A28 ЭБУ управления левой фарой.

    2. Отсоедините разъемы G99 и G100 распределительного блока шины CAN № 5.

      Tip:
      • Разъемы, подключенные к разъему распределительного блока шины CAN, можно различать по цвету шин CAN.

      • Перед отсоединением разъемов сделайте пометку, где они подключены.

      • Подсоединение разъемов к ненадлежащим местам распределительного блока шины CAN не влияет на работу системы. Однако желательно подсоединять разъемы к соответствующим местам, чтобы не повредить проводку, например, в результате натяжения жгутов, а также облегчить последующее обслуживание.

    3. A01UDMOC03
      *a

      Вид сзади разъема со стороны жгута проводов

      (к разъему распределительного блока шины CAN № 5)

      *b К главному ЭБУ кузова (бортовому ЭБУ сети мультиплексной связи)
      *c к разъему № 1 распределительного блока шины CAN - -

      Измерьте сопротивление в соответствии со значениями, приведенными в таблице ниже.

      Table 1. Цвет проводки:
      Код Цвет (со стороны CANH) Цвет (со стороны CANL) Куда подсоединить
      G99 G W Главный ЭБУ кузова (бортовой ЭБУ сети мультиплексной связи)
      G100 BE W Разъем распределительного блока шины CAN № 1
      Номинальное сопротивление
      Подключение диагностического прибора Условие Заданные условия Куда подсоединить
      G99-1 (CANH) - G99-2 (CANL) Провод отсоединен от отрицательного (-) вывода аккумуляторной батареи 108 - 132 Ом Главный ЭБУ кузова (бортовой ЭБУ сети мультиплексной связи)
      G100-1 (CANH) - G100-2 (CANL) Провод отсоединен от отрицательного (-) вывода аккумуляторной батареи 108 - 132 Ом Разъем распределительного блока шины CAN № 1
      Результат
      Результат Перейти к
      OK А
      NG (главные шины главного ЭБУ кузова (бортовой ЭБУ сети мультиплексной связи)) B
      NG (главная шина распределительного блока шины CAN № 1) C

    • А

      ЗАМЕНИТЕ РАЗЪЕМ РАСПРЕДЕЛИТЕЛЬНОГО БЛОКА ШИНЫ CAN № 5

    • B

      ОТРЕМОНТИРУЙТЕ ИЛИ ЗАМЕНИТЕ ГЛАВНУЮ ШИНУ CAN ИЛИ РАЗЪЕМ (РАЗЪЕМ РАСПРЕДЕЛИТЕЛЬНОГО БЛОКА ШИНЫ CAN № 5 - ГЛАВНЫЙ ЭБУ КУЗОВА (БОРТОВОЙ ЭБУ СЕТИ МУЛЬТИПЛЕКСНОЙ СВЯЗИ))

    • CClick here
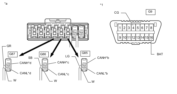
  6. Click here

    ПРОВЕРЬТЕ ГЛАВНЫЕ ЛИНИИ ВСПОМОГАТЕЛЬНОЙ ШИНЫ 1 НА ОБРЫВ (РАЗЪЕМ РАСПРЕДЕЛИТЕЛЬНОГО БЛОКА ШИНЫ CAN № 1)


    1. Подсоедините разъемы G99 и G100 распределительного блока шины CAN № 5.

    2. Отсоедините разъемы G83 и G84 распределительного блока шины CAN № 1.

      Tip:
      • Разъемы, подключенные к разъему распределительного блока шины CAN, можно различать по цвету шин CAN.

      • Перед отсоединением разъемов сделайте пометку, где они подключены.

      • Подсоединение разъемов к ненадлежащим местам распределительного блока шины CAN не влияет на работу системы. Однако желательно подсоединять разъемы к соответствующим местам, чтобы не повредить проводку, например, в результате натяжения жгутов, а также облегчить последующее обслуживание.

    3. A01UFK6C03
      *a

      Вид сзади разъема со стороны жгута проводов

      (к разъему распределительного блока шины CAN № 1)

      *b к ЭБУ левой фары
      *c к разъему № 5 распределительного блока шины CAN - -

      Измерьте сопротивление в соответствии со значениями, приведенными в таблице ниже.

      Table 2. Цвет проводки:
      Код Цвет (со стороны CANH) Цвет (со стороны CANL) Куда подсоединить
      G83 B W ЭБУ управления левой фарой
      G84 BE W Разъем распределительного блока шины CAN № 5
      Номинальное сопротивление
      Подключение диагностического прибора Условие Заданные условия Куда подсоединить
      G83-1 (CANH) - G83-2 (CANL) Провод отсоединен от отрицательного (-) вывода аккумуляторной батареи 108 - 132 Ом ЭБУ управления левой фарой
      G84-1 (CANH) - G84-2 (CANL) Провод отсоединен от отрицательного (-) вывода аккумуляторной батареи 108 - 132 Ом Разъем распределительного блока шины CAN № 5
      Результат
      Результат Перейти к
      OK А
      NG (главная шина ЭБУ управления левой фарой) B
      NG (главная шина распределительного блока шины CAN № 5) C

    • А

      ЗАМЕНИТЕ РАЗЪЕМ РАСПРЕДЕЛИТЕЛЬНОГО БЛОКА ШИНЫ CAN № 1

    • B

      ОТРЕМОНТИРУЙТЕ ИЛИ ЗАМЕНИТЕ ГЛАВНУЮ ШИНУ CAN ИЛИ РАЗЪЕМ (РАЗЪЕМ РАСПРЕДЕЛИТЕЛЬНОГО БЛОКА ШИНЫ CAN № 1 - ЭБУ УПРАВЛЕНИЯ ЛЕВОЙ ФАРОЙ)

    • C

      ОТРЕМОНТИРУЙТЕ ИЛИ ЗАМЕНИТЕ ГЛАВНУЮ ШИНУ CAN ИЛИ РАЗЪЕМ (РАЗЪЕМ РАСПРЕДЕЛИТЕЛЬНОГО БЛОКА ШИНЫ CAN № 5 - РАЗЪЕМ РАСПРЕДЕЛИТЕЛЬНОГО БЛОКА ШИНЫ CAN № 1)

  7. Click here

    ПРОВЕРЬТЕ ЛИНИИ ВСПОМОГАТЕЛЬНОЙ ШИНЫ 1 НА КОРОТКОЕ ЗАМЫКАНИЕ (ГЛАВНЫЙ ЭБУ КУЗОВА (БОРТОВОЙ ЭБУ СЕТИ МУЛЬТИПЛЕКСНОЙ СВЯЗИ))


    1. A01UEXYC42
      *a

      Вид спереди разъема со стороны жгута проводов:

      (к главному ЭБУ кузова (бортовому ЭБУ сети мультиплексной связи))

      Отсоедините разъем G62 главного ЭБУ кузова (бортового ЭБУ сети мультиплексной связи).

    2. Измерьте сопротивление в соответствии со значениями, приведенными в таблице ниже.

      Номинальное сопротивление
      Подключение диагностического прибора Условие Заданные условия
      G62-9 (CANP) - G62-10 (CANN) Провод отсоединен от отрицательного (-) вывода аккумуляторной батареи 108 - 132 Ом
      Результат
      Результат
      OK
      NG

    • OK

      ЗАМЕНИТЕ ГЛАВНЫЙ ЭБУ КУЗОВА (БОРТОВОЙ ЭБУ СЕТИ МУЛЬТИПЛЕКСНОЙ СВЯЗИ) Нажмите здесьClick here

    • NGClick here
  8. Click here

    ПРОВЕРЬТЕ ВСПОМОГАТЕЛЬНУЮ ШИНУ 1 НА КОРОТКОЕ ЗАМЫКАНИЕ (ЭБУ УПРАВЛЕНИЯ ЛЕВОЙ ФАРОЙ)


    1. Подсоедините разъем G62 главного ЭБУ кузова (бортового ЭБУ сети мультиплексной связи).

    2. Отсоедините разъем A28 ЭБУ управления левой фарой.

    3. A01UEXUC37
      *a

      Вид спереди разъема со стороны жгута проводов:

      (к ЭБУ левой фары)

      Измерьте сопротивление в соответствии со значениями, приведенными в таблице ниже.

      Номинальное сопротивление
      Подключение диагностического прибора Условие Заданные условия
      A28-24 (CANH) - A28-23 (CANL) Провод отсоединен от отрицательного (-) вывода аккумуляторной батареи 108 - 132 Ом
      Результат
      Результат
      OK
      NG

    • OK

      ЗАМЕНИТЕ ЭБУ УПРАВЛЕНИЯ ЛЕВОЙ ФАРОЙ В СБОРЕ Нажмите здесьClick here

    • NGClick here
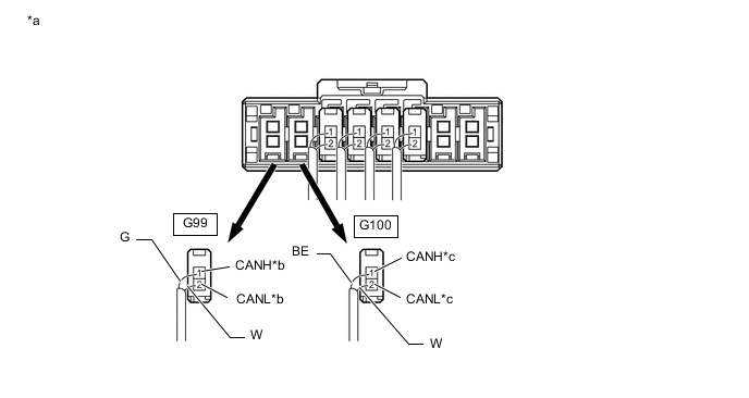
  9. Click here

    ПРОВЕРЬТЕ ВСПОМОГАТЕЛЬНУЮ ШИНУ 1 НА КОРОТКОЕ ЗАМЫКАНИЕ (ГЛАВНЫЙ ЭБУ КУЗОВА (БОРТОВОЙ ЭБУ СЕТИ МУЛЬТИПЛЕКСНОЙ СВЯЗИ) - РАЗЪЕМ РАСПРЕДЕЛИТЕЛЬНОГО БЛОКА ШИНЫ CAN № 5)


    1. Подсоедините разъем A28 ЭБУ управления левой фарой.

    2. Отсоедините разъемы G99 и G100 распределительного блока шины CAN № 5.

      Tip:
      • Разъемы, подключенные к разъему распределительного блока шины CAN, можно различать по цвету шин CAN.

      • Перед отсоединением разъемов сделайте пометку, где они подключены.

      • Подсоединение разъемов к ненадлежащим местам распределительного блока шины CAN не влияет на работу системы. Однако желательно подсоединять разъемы к соответствующим местам, чтобы не повредить проводку, например, в результате натяжения жгутов, а также облегчить последующее обслуживание.

    3. A01UDMOC03
      *a

      Вид сзади разъема со стороны жгута проводов

      (к разъему распределительного блока шины CAN № 5)

      *b К главному ЭБУ кузова (бортовому ЭБУ сети мультиплексной связи)
      *c к разъему № 1 распределительного блока шины CAN - -

      Измерьте сопротивление в соответствии со значениями, приведенными в таблице ниже.

      Table 3. Цвет проводки:
      Код Цвет (со стороны CANH) Цвет (со стороны CANL) Куда подсоединить
      G99 G W Главный ЭБУ кузова (бортовой ЭБУ сети мультиплексной связи)
      G100 BE W Разъем распределительного блока шины CAN № 1
      Номинальное сопротивление
      Подключение диагностического прибора Условие Заданные условия Куда подсоединить
      G99-1 (CANH) - G99-2 (CANL) Провод отсоединен от отрицательного (-) вывода аккумуляторной батареи 108 - 132 Ом Главный ЭБУ кузова (бортовой ЭБУ сети мультиплексной связи)
      G100-1 (CANH) - G100-2 (CANL) Провод отсоединен от отрицательного (-) вывода аккумуляторной батареи 108 - 132 Ом Разъем распределительного блока шины CAN № 1
      Результат
      Результат Перейти к
      OK А
      NG (главные шины главного ЭБУ кузова (бортовой ЭБУ сети мультиплексной связи)) B
      NG (главная шина распределительного блока шины CAN № 1) C

    • АClick here
    • B

      ОТРЕМОНТИРУЙТЕ ИЛИ ЗАМЕНИТЕ ГЛАВНУЮ ШИНУ CAN ИЛИ РАЗЪЕМ (РАЗЪЕМ РАСПРЕДЕЛИТЕЛЬНОГО БЛОКА ШИНЫ CAN № 5 - ГЛАВНЫЙ ЭБУ КУЗОВА (БОРТОВОЙ ЭБУ СЕТИ МУЛЬТИПЛЕКСНОЙ СВЯЗИ))

    • CClick here
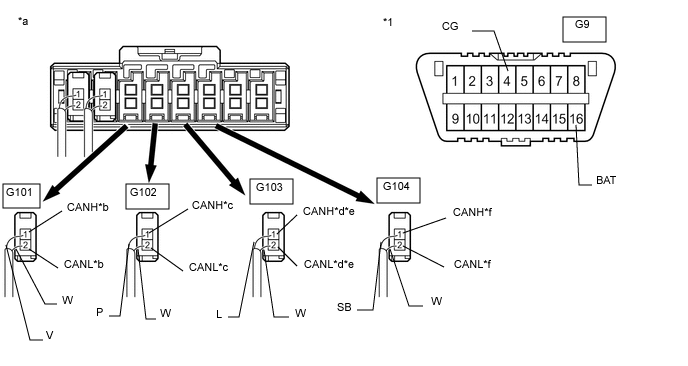
  10. Click here

    ПРОВЕРЬТЕ ЛИНИИ ВСПОМОГАТЕЛЬНОЙ ШИНЫ 1 НА КОРОТКОЕ ЗАМЫКАНИЕ (РАЗЪЕМ РАСПРЕДЕЛИТЕЛЬНОГО БЛОКА ШИНЫ CAN № 5)


    1. Подсоедините разъемы G99 и G100 распределительного блока шины CAN № 5.

    2. Отсоедините разъемы G101, G102, G103 и G104 распределительного блока шины CAN № 5.

      Tip:
      • Разъемы, подключенные к разъему распределительного блока шины CAN, можно различать по цвету шин CAN.

      • Перед отсоединением разъемов сделайте пометку, где они подключены.

      • Подсоединение разъемов к ненадлежащим местам распределительного блока шины CAN не влияет на работу системы. Однако желательно подсоединять разъемы к соответствующим местам, чтобы не повредить проводку, например, в результате натяжения жгутов, а также облегчить последующее обслуживание.

    3. A01UCVSC03
      *a

      Вид сзади разъема со стороны жгута проводов

      (к разъему распределительного блока шины CAN № 5)

      *b к реле управления освещением салона
      *c к блоку электропривода левой раздвижной двери *d

      к блоку электропривода двери багажного отделения

      (для моделей с автоматизированным электроприводом двери багажного отделения)

      *e

      К ЭБУ двери сети мультиплексной связи

      (для моделей с доводчиком двери багажного отделения без автоматизированного привода двери багажного отделения)

      *f

      К ЭБУ электропривода наружного зеркала в сборе (со стороны переднего пассажира)

      (для моделей с системой запоминания положения сиденья)

      Измерьте сопротивление в соответствии со значениями, приведенными в таблице ниже.

      Table 4. Цвет проводки:
      Код Цвет (со стороны CANH) Цвет (со стороны CANL) Куда подсоединить
      G101 V W Реле управления освещением салона
      G102 P W Блок электропривода левой раздвижной двери
      G103 L W Блок электропривода двери багажного отделения*1
      G103 L W ЭБУ двери сети мультиплексной связи*2
      G104 SB W ЭБУ электропривода наружного зеркала в сборе (со стороны переднего пассажира)*3

      *1: Для моделей с системой автоматизированного привода двери багажного отделения

      *2: Для моделей с доводчиком двери багажного отделения без автоматизированного привода двери багажного отделения

      *3: для моделей с системой запоминания положения сиденья

      Номинальное сопротивление
      Подключение диагностического прибора Условие Заданные условия Куда подсоединить
      G101-1 (CANH) - G101-2 (CANL) Провод отсоединен от отрицательного (-) вывода аккумуляторной батареи 200 Ом или более Реле управления освещением салона
      G102-1 (CANH) - G102-2 (CANL) Провод отсоединен от отрицательного (-) вывода аккумуляторной батареи 200 Ом или более Блок электропривода левой раздвижной двери
      G103-1 (CANH) - G103-2 (CANL) Провод отсоединен от отрицательного (-) вывода аккумуляторной батареи 200 Ом или более Блок электропривода двери багажного отделения*1
      G103-1 (CANH) - G103-2 (CANL) Провод отсоединен от отрицательного (-) вывода аккумуляторной батареи 200 Ом или более ЭБУ двери сети мультиплексной связи*2
      G104-1 (CANH) - G104-2 (CANL) Провод отсоединен от отрицательного (-) вывода аккумуляторной батареи 200 Ом или более ЭБУ электропривода наружного зеркала в сборе (со стороны переднего пассажира)*3
      *1: Для моделей с системой автоматизированного привода двери багажного отделения *2: Для моделей с доводчиком двери багажного отделения без автоматизированного привода двери багажного отделения *3: для моделей с системой запоминания положения сиденья
      Результат
      Результат
      OK
      NG

    • OK

      ЗАМЕНИТЕ РАЗЪЕМ РАСПРЕДЕЛИТЕЛЬНОГО БЛОКА ШИНЫ CAN № 5

    • NGClick here

      ПЕРЕЙДИТЕ К ШАГУ 13

  11. Click here

    ПРОВЕРЬТЕ ЛИНИИ ВСПОМОГАТЕЛЬНОЙ ШИНЫ 1 НА КОРОТКОЕ ЗАМЫКАНИЕ (РАЗЪЕМ РАСПРЕДЕЛИТЕЛЬНОГО БЛОКА ШИНЫ CAN № 1 - РАЗЪЕМ РАСПРЕДЕЛИТЕЛЬНОГО БЛОКА ШИНЫ CAN № 5)


    1. Подсоедините разъемы G99 и G100 распределительного блока шины CAN № 5.

    2. Отсоедините разъемы G83 и G84 распределительного блока шины CAN № 1.

      Tip:
      • Разъемы, подключенные к разъему распределительного блока шины CAN, можно различать по цвету шин CAN.

      • Перед отсоединением разъемов сделайте пометку, где они подключены.

      • Подсоединение разъемов к ненадлежащим местам распределительного блока шины CAN не влияет на работу системы. Однако желательно подсоединять разъемы к соответствующим местам, чтобы не повредить проводку, например, в результате натяжения жгутов, а также облегчить последующее обслуживание.

    3. A01UFK6C03
      *a

      Вид сзади разъема со стороны жгута проводов

      (к разъему распределительного блока шины CAN № 1)

      *b к ЭБУ левой фары
      *c к разъему № 5 распределительного блока шины CAN - -

      Измерьте сопротивление в соответствии со значениями, приведенными в таблице ниже.

      Table 5. Цвет проводки:
      Код Цвет (со стороны CANH) Цвет (со стороны CANL) Куда подсоединить
      G83 B W ЭБУ управления левой фарой
      G84 BE W Разъем распределительного блока шины CAN № 5
      Номинальное сопротивление
      Подключение диагностического прибора Условие Заданные условия Куда подсоединить
      G83-1 (CANH) - G83-2 (CANL) Провод отсоединен от отрицательного (-) вывода аккумуляторной батареи 108 - 132 Ом ЭБУ управления левой фарой
      G84-1 (CANH) - G84-2 (CANL) Провод отсоединен от отрицательного (-) вывода аккумуляторной батареи 108 - 132 Ом Разъем распределительного блока шины CAN № 5
      Результат
      Результат Перейти к
      OK А
      NG (главная шина ЭБУ управления левой фарой) B
      NG (главная шина распределительного блока шины CAN № 5) C

    • АClick here
    • B

      ОТРЕМОНТИРУЙТЕ ИЛИ ЗАМЕНИТЕ ГЛАВНУЮ ШИНУ CAN ИЛИ РАЗЪЕМ (РАЗЪЕМ РАСПРЕДЕЛИТЕЛЬНОГО БЛОКА ШИНЫ CAN № 1 - ЭБУ УПРАВЛЕНИЯ ЛЕВОЙ ФАРОЙ)

    • C

      ОТРЕМОНТИРУЙТЕ ИЛИ ЗАМЕНИТЕ ГЛАВНУЮ ШИНУ CAN ИЛИ РАЗЪЕМ (РАЗЪЕМ РАСПРЕДЕЛИТЕЛЬНОГО БЛОКА ШИНЫ CAN № 1 - РАЗЪЕМ РАСПРЕДЕЛИТЕЛЬНОГО БЛОКА ШИНЫ CAN № 5)

  12. Click here

    ПРОВЕРЬТЕ ЛИНИИ ВСПОМОГАТЕЛЬНОЙ ШИНЫ 1 НА КОРОТКОЕ ЗАМЫКАНИЕ (РАЗЪЕМ РАСПРЕДЕЛИТЕЛЬНОГО БЛОКА ШИНЫ CAN № 1)


    1. Подсоедините разъемы G83 и G84 распределительного блока шины CAN № 1.

    2. Отсоедините разъемы G85, G86 и G87 распределительного блока шины CAN № 1.

      Tip:
      • Разъемы, подключенные к разъему распределительного блока шины CAN, можно различать по цвету шин CAN.

      • Перед отсоединением разъемов сделайте пометку, где они подключены.

      • Подсоединение разъемов к ненадлежащим местам распределительного блока шины CAN не влияет на работу системы. Однако желательно подсоединять разъемы к соответствующим местам, чтобы не повредить проводку, например, в результате натяжения жгутов, а также облегчить последующее обслуживание.

    3. A01UD0HC03
      *a

      Вид сзади разъема со стороны жгута проводов

      (к разъему распределительного блока шины CAN № 1)

      *b к блоку электропривода правой раздвижной двери
      *c

      К ЭБУ электропривода наружного зеркала в сборе (со стороны водителя)

      (для моделей с системой запоминания положения сиденья)

      *d

      К переключателю электропривода правого переднего сиденья

      (для моделей с системой запоминания положения сиденья)

      Измерьте сопротивление в соответствии со значениями, приведенными в таблице ниже.

      Table 6. Цвет проводки:
      Код Цвет (со стороны CANH) Цвет (со стороны CANL) Куда подсоединить
      G85 LG W Блок электропривода правой раздвижной двери
      G86 SB W ЭБУ электропривода наружного зеркала в сборе (со стороны водителя)*
      G87 GR W Переключатель электропривода правого переднего сиденья*

      *: для моделей с системой запоминания положения сиденья

      Номинальное сопротивление
      Подключение диагностического прибора Условие Заданные условия Куда подсоединить
      G85-1 (CANH) - G85-2 (CANL) Провод отсоединен от отрицательного (-) вывода аккумуляторной батареи 200 Ом или более Блок электропривода правой раздвижной двери
      G86-1 (CANH) - G86-2 (CANL) Провод отсоединен от отрицательного (-) вывода аккумуляторной батареи 200 Ом или более ЭБУ электропривода наружного зеркала в сборе (со стороны водителя)*
      G87-1 (CANH) - G87-2 (CANL) Провод отсоединен от отрицательного (-) вывода аккумуляторной батареи 200 Ом или более Переключатель электропривода правого переднего сиденья*
      *: для моделей с системой запоминания положения сиденья
      Результат
      Результат
      OK
      NG

    • OK

      ЗАМЕНИТЕ РАЗЪЕМ РАСПРЕДЕЛИТЕЛЬНОГО БЛОКА ШИНЫ CAN № 1

    • NGClick here
  13. Click here

    ПРОВЕРЬТЕ ЛИНИИ ВСПОМОГАТЕЛЬНОЙ ШИНЫ 1 CAN НА КОРОТКОЕ ЗАМЫКАНИЕ (ЭБУ, ДАТЧИК)


    1. Подсоедините все жгуты проводов.

    2. Отсоедините разъем, содержащий контакты CANH и CANL, от ЭБУ (или датчика), к которому подсоединена замкнутая накоротко вспомогательная шина.

      Нажмите здесьClick here

    3. A01UCIZC21
      *a

      Устройство с подсоединенным жгутом проводов

      (главный ЭБУ кузова (бортовой ЭБУ сети мультиплексной связи))

      Измерьте сопротивление в соответствии со значениями, приведенными в таблице ниже.

      Номинальное сопротивление
      Подключение диагностического прибора Условие Заданные условия
      G62-9 (CANP) - G62-10 (CANN) Провод отсоединен от отрицательного (-) вывода аккумуляторной батареи 54 - 69 Ом
      Tip:

      Если при отсоединении разъема от ЭБУ (или датчика) сопротивление стало нормальным (54–69 Ом), возможно короткое замыкание в ЭБУ (или датчике).

      Результат
      Результат
      OK
      NG

    • OK

      ЗАМЕНИТЕ СООТВЕТСТВУЮЩИЙ ЭБУ ИЛИ ДАТЧИК

    • NG

      ОТРЕМОНТИРУЙТЕ ИЛИ ЗАМЕНИТЕ ВСПОМОГАТЕЛЬНУЮ ШИНУ ИЛИ РАЗЪЕМ СООТВЕТСТВУЮЩЕГО ЭБУ ИЛИ ДАТЧИКА

  14. Click here

    ПРОВЕРЬТЕ ЛИНИЮ ВСПОМОГАТЕЛЬНОЙ ШИНЫ 1 НА КОРОТКОЕ ЗАМЫКАНИЕ (ГЛАВНЫЙ ЭБУ КУЗОВА (БОРТОВОЙ ЭБУ СЕТИ МУЛЬТИПЛЕКСНОЙ СВЯЗИ))


    1. Отсоедините разъем G62 главного ЭБУ кузова (бортового ЭБУ сети мультиплексной связи).

    2. A01UF3WC01
      *1 DLC3 - -
      *a

      Вид спереди разъема со стороны жгута проводов:

      (к главному ЭБУ кузова (бортовому ЭБУ сети мультиплексной связи))

      - -

      Измерьте сопротивление в соответствии со значениями, приведенными в таблице ниже.

      Номинальное сопротивление
      Подключение диагностического прибора Условие Заданные условия Результат
      G62-9 (CANP) - G9-4 (CG) Провод отсоединен от отрицательного (-) вывода аккумуляторной батареи 200 Ом или более Менее 200 Ом: Короткое замыкание цепи CANH на массу
      G62-10 (CANN) - G9-4 (CG) Провод отсоединен от отрицательного (-) вывода аккумуляторной батареи 200 Ом или более Менее 200 Ом: Короткое замыкание цепи CANL на массу
      G62-9 (CANP) - G9-16 (BAT) Провод отсоединен от отрицательного (-) вывода аккумуляторной батареи 6 кОм или более Менее 6 кОм: Короткое замыкание CANH на +B
      G62-10 (CANN) - G9-16 (BAT) Провод отсоединен от отрицательного (-) вывода аккумуляторной батареи 6 кОм или более Менее 6 кОм: Короткое замыкание CANL на +B
      Tip:
      • Для достижения результата (короткое замыкание), полученного при проверке вспомогательной шины 1, необходимо лишь выполнить проверку, указанную в приведенной выше таблице.

      • Найдите в столбце "Результат" необходимую проверку, которая соответствует результату в столбце "Результат" для проверки вспомогательной шины 1.

      Результат
      Результат
      OK
      NG

    • OK

      ЗАМЕНИТЕ ГЛАВНЫЙ ЭБУ КУЗОВА (БОРТОВОЙ ЭБУ СЕТИ МУЛЬТИПЛЕКСНОЙ СВЯЗИ) Нажмите здесьClick here

    • NGClick here
  15. Click here

    ПРОВЕРЬТЕ ВСПОМОГАТЕЛЬНУЮ ШИНУ 1 НА КОРОТКОЕ ЗАМЫКАНИЕ (ЭБУ УПРАВЛЕНИЯ ЛЕВОЙ ФАРОЙ)


    1. Подсоедините разъем G62 главного ЭБУ кузова (бортового ЭБУ сети мультиплексной связи).

    2. Отсоедините разъем A28 ЭБУ управления левой фарой.

    3. A01UCMXC01
      *1 DLC3
      *a

      Вид спереди разъема со стороны жгута проводов:

      (к ЭБУ левой фары)

      Измерьте сопротивление в соответствии со значениями, приведенными в таблице ниже.

      Номинальное сопротивление
      Подключение диагностического прибора Условие Заданные условия Результат
      A28-24 (CANH) - G9-4 (CG) Провод отсоединен от отрицательного (-) вывода аккумуляторной батареи 200 Ом или более Менее 200 Ом: Короткое замыкание цепи CANH на массу
      A28-23 (CANL) - G9-4 (CG) Провод отсоединен от отрицательного (-) вывода аккумуляторной батареи 200 Ом или более Менее 200 Ом: Короткое замыкание цепи CANL на массу
      A28-24 (CANH) - G9-16 (BAT) Провод отсоединен от отрицательного (-) вывода аккумуляторной батареи 6 кОм или более Менее 6 кОм: Короткое замыкание CANH на +B
      A28-23 (CANL) - G9-16 (BAT) Провод отсоединен от отрицательного (-) вывода аккумуляторной батареи 6 кОм или более Менее 6 кОм: Короткое замыкание CANL на +B
      Tip:
      • Для достижения результата (короткое замыкание), полученного при проверке вспомогательной шины 1, необходимо лишь выполнить проверку, указанную в приведенной выше таблице.

      • Найдите в столбце "Результат" необходимую проверку, которая соответствует результату в столбце "Результат" для проверки вспомогательной шины 1.

      Результат
      Результат
      OK
      NG

    • OK

      ЗАМЕНИТЕ ЭБУ УПРАВЛЕНИЯ ЛЕВОЙ ФАРОЙ В СБОРЕ Нажмите здесьClick here

    • NGClick here
  16. Click here

    ПРОВЕРЬТЕ ВСПОМОГАТЕЛЬНУЮ ШИНУ 1 НА КОРОТКОЕ ЗАМЫКАНИЕ (ГЛАВНЫЙ ЭБУ КУЗОВА (БОРТОВОЙ ЭБУ СЕТИ МУЛЬТИПЛЕКСНОЙ СВЯЗИ) - РАЗЪЕМ РАСПРЕДЕЛИТЕЛЬНОГО БЛОКА ШИНЫ CAN № 5)


    1. Подсоедините разъем A28 ЭБУ управления фарой.

    2. Отсоедините разъемы G99 и G100 распределительного блока шины CAN № 5.

      Tip:
      • Разъемы, подключенные к разъему распределительного блока шины CAN, можно различать по цвету шин CAN.

      • Перед отсоединением разъемов сделайте пометку, где они подключены.

      • Подсоединение разъемов к ненадлежащим местам распределительного блока шины CAN не влияет на работу системы. Однако желательно подсоединять разъемы к соответствующим местам, чтобы не повредить проводку, например, в результате натяжения жгутов, а также облегчить последующее обслуживание.

    3. A01UF8WC02
      *1 DLC3 - -
      *a

      Вид сзади разъема со стороны жгута проводов

      (к разъему распределительного блока шины CAN № 5)

      *b К главному ЭБУ кузова (бортовому ЭБУ сети мультиплексной связи)
      *c к разъему № 1 распределительного блока шины CAN - -

      Измерьте сопротивление в соответствии со значениями, приведенными в таблице ниже.

      Table 7. Цвет проводки:
      Код Цвет (со стороны CANH) Цвет (со стороны CANL) Куда подсоединить
      G99 G W Главный ЭБУ кузова (бортовой ЭБУ сети мультиплексной связи)
      G100 BE W Разъем распределительного блока шины CAN № 1
      Номинальное сопротивление
      Подключение диагностического прибора Условие Заданные условия Результат Куда подсоединить
      G99-1 (CANH) - G9-4 (CG) Провод отсоединен от отрицательного (-) вывода аккумуляторной батареи 200 Ом или более Менее 200 Ом: Короткое замыкание цепи CANH на массу Главный ЭБУ кузова (бортовой ЭБУ сети мультиплексной связи)
      G99-2 (CANL) - G9-4 (CG) Провод отсоединен от отрицательного (-) вывода аккумуляторной батареи 200 Ом или более Менее 200 Ом: Короткое замыкание цепи CANL на массу
      G100-1 (CANH) - G9-4 (CG) Провод отсоединен от отрицательного (-) вывода аккумуляторной батареи 200 Ом или более Менее 200 Ом: Короткое замыкание цепи CANH на массу Разъем распределительного блока шины CAN № 1
      G100-2 (CANL) - G9-4 (CG) Провод отсоединен от отрицательного (-) вывода аккумуляторной батареи 200 Ом или более Менее 200 Ом: Короткое замыкание цепи CANL на массу
      G99-1 (CANH) - G9-16 (BAT) Провод отсоединен от отрицательного (-) вывода аккумуляторной батареи 6 кОм или более Менее 6 кОм: Короткое замыкание CANH на +B Главный ЭБУ кузова (бортовой ЭБУ сети мультиплексной связи)
      G99-2 (CANL) - G9-16 (BAT) Провод отсоединен от отрицательного (-) вывода аккумуляторной батареи 6 кОм или более Менее 6 кОм: Короткое замыкание CANL на +B
      G100-1 (CANH) - G9-16 (BAT) Провод отсоединен от отрицательного (-) вывода аккумуляторной батареи 6 кОм или более Менее 6 кОм: Короткое замыкание CANH на +B Разъем распределительного блока шины CAN № 1
      G100-2 (CANL) - G9-16 (BAT) Провод отсоединен от отрицательного (-) вывода аккумуляторной батареи 6 кОм или более Менее 6 кОм: Короткое замыкание CANL на +B
      Tip:
      • Для достижения результата (короткое замыкание), полученного при проверке вспомогательной шины 1, необходимо лишь выполнить проверку, указанную в приведенной выше таблице.

      • Найдите в столбце "Результат" необходимую проверку, которая соответствует результату в столбце "Результат" для проверки вспомогательной шины 1.

      Результат
      Результат Перейти к
      OK А
      NG (главная шина главного ЭБУ кузова (бортовой ЭБУ сети мультиплексной связи)) B
      NG (главная шина распределительного блока шины CAN № 1) C

    • АClick here
    • B

      ОТРЕМОНТИРУЙТЕ ИЛИ ЗАМЕНИТЕ ЛИНИЮ ГЛАВНОЙ ШИНЫ CAN ИЛИ РАЗЪЕМ (РАЗЪЕМ РАСПРЕДЕЛИТЕЛЬНОГО БЛОКА ШИНЫ CAN № 5 – ГЛАВНЫЙ ЭБУ КУЗОВА (БОРТОВОЙ ЭБУ СЕТИ МУЛЬТИПЛЕКСНОЙ СВЯЗИ))

    • CClick here
  17. Click here

    ПРОВЕРЬТЕ ЛИНИИ ВСПОМОГАТЕЛЬНОЙ ШИНЫ 1 НА КОРОТКОЕ ЗАМЫКАНИЕ (РАЗЪЕМ РАСПРЕДЕЛИТЕЛЬНОГО БЛОКА ШИНЫ CAN № 5)


    1. Подсоедините разъемы G99 и G100 распределительного блока шины CAN № 5.

    2. Отсоедините разъемы G101, G102, G103 и G104 распределительного блока шины CAN № 5.

      Tip:
      • Разъемы, подключенные к разъему распределительного блока шины CAN, можно различать по цвету шин CAN.

      • Перед отсоединением разъемов сделайте пометку, где они подключены.

      • Подсоединение разъемов к ненадлежащим местам распределительного блока шины CAN не влияет на работу системы. Однако желательно подсоединять разъемы к соответствующим местам, чтобы не повредить проводку, например, в результате натяжения жгутов, а также облегчить последующее обслуживание.

    3. A01UEQRC02
      *1 DLC3 - -
      *a

      Вид сзади разъема со стороны жгута проводов

      (к разъему распределительного блока шины CAN № 5)

      *b к реле управления освещением салона
      *c к блоку электропривода левой раздвижной двери *d

      к блоку электропривода двери багажного отделения

      (для моделей с автоматизированным электроприводом двери багажного отделения)

      *e

      К ЭБУ двери сети мультиплексной связи

      (для моделей с доводчиком двери багажного отделения без автоматизированного привода двери багажного отделения)

      *f

      К ЭБУ электропривода наружного зеркала в сборе (со стороны переднего пассажира)

      (для моделей с системой запоминания положения сиденья)

      Измерьте сопротивление в соответствии со значениями, приведенными в таблице ниже.

      Table 8. Цвет проводки:
      Код Цвет (со стороны CANH) Цвет (со стороны CANL) Куда подсоединить
      G101 V W Реле управления освещением салона
      G102 P W Блок электропривода левой раздвижной двери
      G103 L W Блок электропривода двери багажного отделения*1
      G103 L W ЭБУ двери сети мультиплексной связи*2
      G104 SB W ЭБУ электропривода наружного зеркала в сборе (со стороны переднего пассажира)*3

      *1: Для моделей с системой автоматизированного привода двери багажного отделения

      *2: Для моделей с доводчиком двери багажного отделения без автоматизированного привода двери багажного отделения

      *3: для моделей с системой запоминания положения сиденья

      Номинальное сопротивление
      Подключение диагностического прибора Условие Заданные условия Результат Куда подсоединить
      G101-1 (CANH) - G9-4 (CG) Провод отсоединен от отрицательного (-) вывода аккумуляторной батареи 200 Ом или более Менее 200 Ом: Короткое замыкание цепи CANH на массу Реле управления освещением салона
      G101-2 (CANL) - G9-4 (CG) Провод отсоединен от отрицательного (-) вывода аккумуляторной батареи 200 Ом или более Менее 200 Ом: Короткое замыкание цепи CANL на массу
      G102-1 (CANH) - G9-4 (CG) Провод отсоединен от отрицательного (-) вывода аккумуляторной батареи 200 Ом или более Менее 200 Ом: Короткое замыкание цепи CANH на массу Блок электропривода левой раздвижной двери
      G102-2 (CANL) - G9-4 (CG) Провод отсоединен от отрицательного (-) вывода аккумуляторной батареи 200 Ом или более Менее 200 Ом: Короткое замыкание цепи CANL на массу
      G103-1 (CANH) - G9-4 (CG) Провод отсоединен от отрицательного (-) вывода аккумуляторной батареи 200 Ом или более Менее 200 Ом: Короткое замыкание цепи CANH на массу Блок электропривода двери багажного отделения*1
      G103-2 (CANL) - G9-4 (CG) Провод отсоединен от отрицательного (-) вывода аккумуляторной батареи 200 Ом или более Менее 200 Ом: Короткое замыкание цепи CANL на массу
      G103-1 (CANH) - G9-4 (CG) Провод отсоединен от отрицательного (-) вывода аккумуляторной батареи 200 Ом или более Менее 200 Ом: Короткое замыкание цепи CANH на массу ЭБУ двери сети мультиплексной связи*2
      G103-2 (CANL) - G9-4 (CG) Провод отсоединен от отрицательного (-) вывода аккумуляторной батареи 200 Ом или более Менее 200 Ом: Короткое замыкание цепи CANL на массу
      G104-1 (CANH) - G9-4 (CG) Провод отсоединен от отрицательного (-) вывода аккумуляторной батареи 200 Ом или более Менее 200 Ом: Короткое замыкание цепи CANH на массу ЭБУ электропривода наружного зеркала в сборе (со стороны переднего пассажира)*3
      G104-2 (CANL) - G9-4 (CG) Провод отсоединен от отрицательного (-) вывода аккумуляторной батареи 200 Ом или более Менее 200 Ом: Короткое замыкание цепи CANL на массу
      G101-1 (CANH) - G9-16 (BAT) Провод отсоединен от отрицательного (-) вывода аккумуляторной батареи 6 кОм или более Менее 6 кОм: Короткое замыкание CANH на +B Реле управления освещением салона
      G101-2 (CANL) - G9-16 (BAT) Провод отсоединен от отрицательного (-) вывода аккумуляторной батареи 6 кОм или более Менее 6 кОм: Короткое замыкание CANL на +B
      G102-1 (CANH) - G9-16 (BAT) Провод отсоединен от отрицательного (-) вывода аккумуляторной батареи 6 кОм или более Менее 6 кОм: Короткое замыкание CANH на +B Блок электропривода левой раздвижной двери
      G102-2 (CANL) - G9-16 (BAT) Провод отсоединен от отрицательного (-) вывода аккумуляторной батареи 6 кОм или более Менее 6 кОм: Короткое замыкание CANL на +B
      G103-1 (CANH) - G9-16 (BAT) Провод отсоединен от отрицательного (-) вывода аккумуляторной батареи 6 кОм или более Менее 6 кОм: Короткое замыкание CANH на +B Блок электропривода двери багажного отделения*1
      G103-2 (CANL) - G9-16 (BAT) Провод отсоединен от отрицательного (-) вывода аккумуляторной батареи 6 кОм или более Менее 6 кОм: Короткое замыкание CANL на +B
      G103-1 (CANH) - G9-16 (BAT) Провод отсоединен от отрицательного (-) вывода аккумуляторной батареи 6 кОм или более Менее 6 кОм: Короткое замыкание CANH на +B ЭБУ двери сети мультиплексной связи*2
      G103-2 (CANL) - G9-16 (BAT) Провод отсоединен от отрицательного (-) вывода аккумуляторной батареи 6 кОм или более Менее 6 кОм: Короткое замыкание CANL на +B
      G104-1 (CANH) - G9-16 (BAT) Провод отсоединен от отрицательного (-) вывода аккумуляторной батареи 6 кОм или более Менее 6 кОм: Короткое замыкание CANH на +B ЭБУ электропривода наружного зеркала в сборе (со стороны переднего пассажира)*3
      G104-2 (CANL) - G9-16 (BAT) Провод отсоединен от отрицательного (-) вывода аккумуляторной батареи 6 кОм или более Менее 6 кОм: Короткое замыкание CANL на +B
      *1: Для моделей с системой автоматизированного привода двери багажного отделения *2: Для моделей с доводчиком двери багажного отделения без автоматизированного привода двери багажного отделения *3: для моделей с системой запоминания положения сиденья
      Tip:
      • Для достижения результата (короткое замыкание), полученного при проверке вспомогательной шины 1, необходимо лишь выполнить проверку, указанную в приведенной выше таблице.

      • Найдите в столбце "Результат" необходимую проверку, которая соответствует результату в столбце "Результат" для проверки вспомогательной шины 1.

      Результат
      Результат
      OK
      NG

    • OK

      ЗАМЕНИТЕ РАЗЪЕМ РАСПРЕДЕЛИТЕЛЬНОГО БЛОКА ШИНЫ CAN № 5

    • NGClick here

      ПЕРЕЙДИТЕ К ШАГУ 20

  18. Click here

    ПРОВЕРЬТЕ ВСПОМОГАТЕЛЬНУЮ ШИНУ 1 НА КОРОТКОЕ ЗАМЫКАНИЕ (ГЛАВНЫЕ ЛИНИИ РАЗЪЕМА РАСПРЕДЕЛИТЕЛЬНОГО БЛОКА ШИНЫ CAN № 1)


    1. Подсоедините разъемы G99 и G100 распределительного блока шины CAN № 5.

    2. Отсоедините разъемы G83 и G84 распределительного блока шины CAN № 1.

      Tip:
      • Разъемы, подключенные к разъему распределительного блока шины CAN, можно различать по цвету шин CAN.

      • Перед отсоединением разъемов сделайте пометку, где они подключены.

      • Подсоединение разъемов к ненадлежащим местам распределительного блока шины CAN не влияет на работу системы. Однако желательно подсоединять разъемы к соответствующим местам, чтобы не повредить проводку, например, в результате натяжения жгутов, а также облегчить последующее обслуживание.

    3. A01UEOYC01
      *1 DLC3 - -
      *a

      Вид сзади разъема со стороны жгута проводов

      (к разъему распределительного блока шины CAN № 1)

      *b к ЭБУ левой фары
      *c к разъему № 5 распределительного блока шины CAN - -

      Измерьте сопротивление в соответствии со значениями, приведенными в таблице ниже.

      Table 9. Цвет проводки:
      Код Цвет (со стороны CANH) Цвет (со стороны CANL) Куда подсоединить
      G83 B W ЭБУ управления левой фарой
      G84 BE W Разъем распределительного блока шины CAN № 5
      Номинальное сопротивление
      Подключение диагностического прибора Условие Заданные условия Результат Куда подсоединить
      G83-1 (CANH) - G9-4 (CG) Провод отсоединен от отрицательного (-) вывода аккумуляторной батареи 200 Ом или более Менее 200 Ом: Короткое замыкание цепи CANH на массу ЭБУ управления левой фарой
      G83-2 (CANL) - G9-4 (CG) Провод отсоединен от отрицательного (-) вывода аккумуляторной батареи 200 Ом или более Менее 200 Ом: Короткое замыкание цепи CANL на массу
      G84-1 (CANH) - G9-4 (CG) Провод отсоединен от отрицательного (-) вывода аккумуляторной батареи 200 Ом или более Менее 200 Ом: Короткое замыкание цепи CANH на массу Разъем распределительного блока шины CAN № 5
      G84-2 (CANL) - G9-4 (CG) Провод отсоединен от отрицательного (-) вывода аккумуляторной батареи 200 Ом или более Менее 200 Ом: Короткое замыкание цепи CANL на массу
      G83-1 (CANH) - G9-16 (BAT) Провод отсоединен от отрицательного (-) вывода аккумуляторной батареи 6 кОм или более Менее 6 кОм: Короткое замыкание CANH на +B ЭБУ управления левой фарой
      G83-2 (CANL) - G9-16 (BAT) Провод отсоединен от отрицательного (-) вывода аккумуляторной батареи 6 кОм или более Менее 6 кОм: Короткое замыкание CANL на +B
      G84-1 (CANH) - G9-16 (BAT) Провод отсоединен от отрицательного (-) вывода аккумуляторной батареи 6 кОм или более Менее 6 кОм: Короткое замыкание CANH на +B Разъем распределительного блока шины CAN № 5
      G84-2 (CANL) - G9-16 (BAT) Провод отсоединен от отрицательного (-) вывода аккумуляторной батареи 6 кОм или более Менее 6 кОм: Короткое замыкание CANL на +B
      Tip:
      • Для достижения результата (короткое замыкание), полученного при проверке вспомогательной шины 1, необходимо лишь выполнить проверку, указанную в приведенной выше таблице.

      • Найдите в столбце "Результат" необходимую проверку, которая соответствует результату в столбце "Результат" для проверки вспомогательной шины 1.

      Результат
      Результат Перейти к
      OK А
      NG (главная шина ЭБУ управления левой фарой) B
      NG (главная шина распределительного блока шины CAN № 5) C

    • АClick here
    • B

      ОТРЕМОНТИРУЙТЕ ИЛИ ЗАМЕНИТЕ ГЛАВНУЮ ШИНУ CAN ИЛИ РАЗЪЕМ (РАЗЪЕМ РАСПРЕДЕЛИТЕЛЬНОГО БЛОКА ШИНЫ CAN № 1 - ЭБУ УПРАВЛЕНИЯ ЛЕВОЙ ФАРОЙ)

    • C

      ОТРЕМОНТИРУЙТЕ ИЛИ ЗАМЕНИТЕ ГЛАВНУЮ ШИНУ CAN ИЛИ РАЗЪЕМ ГЛАВНОЙ ШИНЫ CAN (РАЗЪЕМ РАСПРЕДЕЛИТЕЛЬНОГО БЛОКА ШИНЫ CAN № 1 - РАЗЪЕМ РАСПРЕДЕЛИТЕЛЬНОГО БЛОКА ШИНЫ CAN № 5)

  19. Click here

    ПРОВЕРЬТЕ ЛИНИИ ВСПОМОГАТЕЛЬНОЙ ШИНЫ 1 НА КОРОТКОЕ ЗАМЫКАНИЕ (РАЗЪЕМ РАСПРЕДЕЛИТЕЛЬНОГО БЛОКА ШИНЫ CAN № 1)


    1. Подсоедините разъемы G83 и G84 распределительного блока шины CAN № 1.

    2. Отсоедините разъемы G85, G86 и G87 распределительного блока шины CAN № 1.

      Tip:
      • Разъемы, подключенные к разъему распределительного блока шины CAN, можно различать по цвету шин CAN.

      • Перед отсоединением разъемов сделайте пометку, где они подключены.

      • Подсоединение разъемов к ненадлежащим местам распределительного блока шины CAN не влияет на работу системы. Однако желательно подсоединять разъемы к соответствующим местам, чтобы не повредить проводку, например, в результате натяжения жгутов, а также облегчить последующее обслуживание.

    3. A01UFJIC01
      *1 DLC3 - -
      *a

      Вид сзади разъема со стороны жгута проводов

      (к разъему распределительного блока шины CAN № 1)

      *b к блоку электропривода правой раздвижной двери
      *c

      К ЭБУ электропривода наружного зеркала в сборе (со стороны водителя)

      (для моделей с системой запоминания положения сиденья)

      *d

      К переключателю электропривода правого переднего сиденья

      (для моделей с системой запоминания положения сиденья)

      Измерьте сопротивление в соответствии со значениями, приведенными в таблице ниже.

      Table 10. Цвет проводки:
      Код Цвет (со стороны CANH) Цвет (со стороны CANL) Куда подсоединить
      G85 LG W Блок электропривода правой раздвижной двери
      G86 SB W ЭБУ электропривода наружного зеркала в сборе (со стороны водителя)*
      G87 GR W Переключатель электропривода правого переднего сиденья*

      *: для моделей с системой запоминания положения сиденья

      Номинальное сопротивление
      Подключение диагностического прибора Условие Заданные условия Результат Куда подсоединить
      G85-1 (CANH) - G9-4 (CG) Провод отсоединен от отрицательного (-) вывода аккумуляторной батареи 200 Ом или более Менее 200 Ом: Короткое замыкание цепи CANH на массу Блок электропривода правой раздвижной двери
      G85-2 (CANL) - G9-4 (CG) Провод отсоединен от отрицательного (-) вывода аккумуляторной батареи 200 Ом или более Менее 200 Ом: Короткое замыкание цепи CANL на массу
      G86-1 (CANH) - G9-4 (CG) Провод отсоединен от отрицательного (-) вывода аккумуляторной батареи 200 Ом или более Менее 200 Ом: Короткое замыкание цепи CANH на массу ЭБУ электропривода наружного зеркала в сборе (со стороны водителя)*
      G86-2 (CANL) - G9-4 (CG) Провод отсоединен от отрицательного (-) вывода аккумуляторной батареи 200 Ом или более Менее 200 Ом: Короткое замыкание цепи CANL на массу
      G87-1 (CANH) - G9-4 (CG) Провод отсоединен от отрицательного (-) вывода аккумуляторной батареи 200 Ом или более Менее 200 Ом: Короткое замыкание цепи CANH на массу Переключатель электропривода правого переднего сиденья*
      G87-2 (CANL) - G9-4 (CG) Провод отсоединен от отрицательного (-) вывода аккумуляторной батареи 200 Ом или более Менее 200 Ом: Короткое замыкание цепи CANL на массу
      G85-1 (CANH) - G9-16 (BAT) Провод отсоединен от отрицательного (-) вывода аккумуляторной батареи 6 кОм или более Менее 6 кОм: Короткое замыкание CANH на +B Блок электропривода правой раздвижной двери
      G85-2 (CANL) - G9-16 (BAT) Провод отсоединен от отрицательного (-) вывода аккумуляторной батареи 6 кОм или более Менее 6 кОм: Короткое замыкание CANL на +B
      G86-1 (CANH) - G9-16 (BAT) Провод отсоединен от отрицательного (-) вывода аккумуляторной батареи 6 кОм или более Менее 6 кОм: Короткое замыкание CANH на +B ЭБУ электропривода наружного зеркала в сборе (со стороны водителя)*
      G86-2 (CANL) - G9-16 (BAT) Провод отсоединен от отрицательного (-) вывода аккумуляторной батареи 6 кОм или более Менее 6 кОм: Короткое замыкание CANL на +B
      G87-1 (CANH) - G9-16 (BAT) Провод отсоединен от отрицательного (-) вывода аккумуляторной батареи 6 кОм или более Менее 6 кОм: Короткое замыкание CANH на +B Переключатель электропривода правого переднего сиденья*
      G87-2 (CANL) - G9-16 (BAT) Провод отсоединен от отрицательного (-) вывода аккумуляторной батареи 6 кОм или более Менее 6 кОм: Короткое замыкание CANL на +B
      *: для моделей с системой запоминания положения сиденья
      Tip:
      • Для достижения результата (короткое замыкание), полученного при проверке вспомогательной шины 1, необходимо лишь выполнить проверку, указанную в приведенной выше таблице.

      • Найдите в столбце "Результат" необходимую проверку, которая соответствует результату в столбце "Результат" для проверки вспомогательной шины 1.

      Результат
      Результат
      OK
      NG

    • OK

      ЗАМЕНИТЕ РАЗЪЕМ РАСПРЕДЕЛИТЕЛЬНОГО БЛОКА ШИНЫ CAN № 1

    • NGClick here
  20. Click here

    ПРОВЕРЬТЕ ВСПОМОГАТЕЛЬНУЮ ШИНУ 1 НА КОРОТКОЕ ЗАМЫКАНИЕ (ЭБУ, ДАТЧИК)


    1. Подсоедините все жгуты проводов.

    2. Отсоедините разъем, содержащий контакты CANH и CANL, от ЭБУ (или датчика), к которому подсоединена линия шины, коротко замкнутая на +В или массу.

      Нажмите здесьClick here

    3. A01UDI8C25
      *1 DLC3
      *a

      Устройство с подсоединенным жгутом проводов

      (главный ЭБУ кузова (бортовой ЭБУ сети мультиплексной связи))

      Измерьте сопротивление в соответствии со значениями, приведенными в таблице ниже.

      Номинальное сопротивление
      Подключение диагностического прибора Условие Заданные условия Результат
      G62-9 (CANP) - G9-4 (CG) Провод отсоединен от отрицательного (-) вывода аккумуляторной батареи 200 Ом или более Менее 200 Ом: Короткое замыкание цепи CANH на массу
      G62-10 (CANN) - G9-4 (CG) Провод отсоединен от отрицательного (-) вывода аккумуляторной батареи 200 Ом или более Менее 200 Ом: Короткое замыкание цепи CANL на массу
      G62-9 (CANP) - G9-16 (BAT) Провод отсоединен от отрицательного (-) вывода аккумуляторной батареи 6 кОм или более Менее 6 кОм: Короткое замыкание CANH на +B
      G62-10 (CANN) - G9-16 (BAT) Провод отсоединен от отрицательного (-) вывода аккумуляторной батареи 6 кОм или более Менее 6 кОм: Короткое замыкание CANL на +B
      Tip:
      • Для достижения результата (короткое замыкание), полученного при проверке вспомогательной шины 1, необходимо лишь выполнить проверку, указанную в приведенной выше таблице.

      • Найдите в столбце "Результат" необходимую проверку, которая соответствует результату в столбце "Результат" для проверки вспомогательной шины 1.

      • Если при отсоединении разъема от ЭБУ или датчика сопротивление стало нормальным, возможно короткое замыкание в ЭБУ или датчике.

      Результат
      Результат
      OK
      NG

    • OK

      ЗАМЕНИТЕ СООТВЕТСТВУЮЩИЙ ЭБУ ИЛИ ДАТЧИК

    • NG

      ОТРЕМОНТИРУЙТЕ ИЛИ ЗАМЕНИТЕ ВСПОМОГАТЕЛЬНУЮ ШИНУ ИЛИ РАЗЪЕМ СООТВЕТСТВУЮЩЕГО ЭБУ ИЛИ ДАТЧИКА