СИСТЕМА ПЕРЕДАЧИ ДАННЫХ CAN (для моделей с левосторонним рулевым управлением), Diagnostic DTC:U1002

Код DTC Наименование DTC
U1002 Нарушение связи с блоком сетевого шлюза (ЭБУ сетевого шлюза)

ОПИСАНИЕ


№ DTC Неисправность Условие обнаружения DTC Неисправный участок Примечание
U1002 Нарушение связи с блоком сетевого шлюза (ЭБУ сетевого шлюза) ЭБУ сетевого шлюза не получает сигналы от всех ЭБУ, которые были сохранены в памяти как блоки, подключенные к вспомогательной шине 2.
  • Обрыв или короткое замыкание в главных линиях или разъеме вспомогательной шины 2

  • Короткое замыкание во вспомогательных линиях или разъеме вспомогательной шины 2

  • ЭБУ сетевого шлюза

  • Внутреннее зеркало заднего вида в сборе

    (для моделей с системой автоматического включения дальнего света)

  • ЭБУ системы помощи при парковке

    (для моделей с системой панорамного обзора)

  • Обрыв или короткое замыкание в разъеме распределительного блока шины CAN № 2

  • Обрыв или короткое замыкание в цепи контакта распределительного блока шины CAN № 2

Tech Tips

ЭБУ сетевого шлюза сохраняет коды DTC, когда регистрирует прекращение обмена данными или ошибку передачи данных по сети для ЭБУ, подключенных к вспомогательной шине 2.

Tech Tips

Эта диагностическая процедура предназначена для случаев, когда ЭБУ сетевого шлюза выводит код DTC U1002 (информация на экране GTS: Gateway).

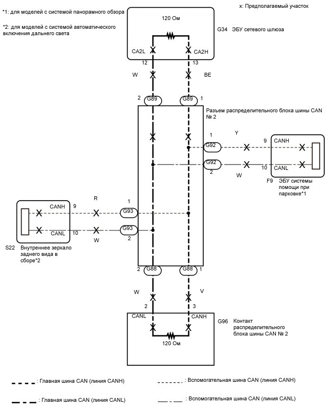
СХЕМА ЭЛЕКТРИЧЕСКИХ СОЕДИНЕНИЙ

A01UDX5E01

ПРЕДОСТЕРЕЖЕНИЕ / ПРИМЕЧАНИЕ / УКАЗАНИЕ

Note


  • Перед измерением сопротивления шины CAN, выключите зажигание и оставьте автомобиль в покое на 1 минуту или более, не приводя в действие ключ, любые другие переключатели и не открывая/закрывая двери. После этого, отсоедините провод от отрицательного (-) вывода аккумуляторной батареи и перед измерением сопротивления оставьте автомобиль в покое на 1 минуту или более.

  • После выключения зажигания следует подождать некоторое время, прежде чем отсоединять провод от отрицательного (-) вывода аккумуляторной батареи. Поэтому, прежде чем приступать к этой работе, обязательно ознакомьтесь с примечанием относительно отсоединения провода от отрицательного (-) вывода аккумуляторной батареи.

    Нажмите здесь Click here

  • Так как порядок проведения диагностики важен для получения корректных результатов, начните поиск неисправностей с раздела "Порядок поиска неисправностей", если выводятся коды DTC, связанные с системой передачей данных CAN.

    Нажмите здесь Click here

  • После ремонта выполните процедуру проверки кодов DTC и убедитесь, что коды DTC не выводятся снова.

  • Процедура проверки кодов DTC: Включите зажигание (IG) и подождите не менее 21 с.

  • После ремонта выполните проверку шины CAN и убедитесь, что отображаются все ЭБУ и датчики, подсоединенные к системе передачи данных CAN.

    Нажмите здесь Click here

Tech Tips


  • Управление выключателем зажигания, какими-либо выключателями или дверями приводит к обмену данными между ЭБУ и датчиками по шине CAN. При осуществлении обмена данными сопротивление изменяется.

  • Если DTC регистрируется при непродолжительном движении на автомобиле даже после удаления кодов DTC, неисправность может возникать вследствие вибрации автомобиля. В подобных случаях необходимо пошевелить разъемы ЭБУ или жгутов проводов во время проверки, чтобы установить причину неисправности.

ПОРЯДОК ВЫПОЛНЕНИЯ


  1. ПРОВЕРЬТЕ ВСПОМОГАТЕЛЬНУЮ ШИНУ 2


    1. Отсоедините провод от отрицательного (-) вывода аккумуляторной батареи.

    2. A01UDWNC33
      *a

      Устройство с подсоединенным жгутом проводов

      (ЭБУ сетевого шлюза)

      Измерьте сопротивление в соответствии со значениями, приведенными в таблице ниже.

      Номинальное сопротивление
      Подключение диагностического прибора Условие Заданные условия Результат
      G34-13 (CA2H) - G34-12 (CA2L) Провод отсоединен от отрицательного (-) вывода аккумуляторной батареи 54 - 69 Ом Менее 54 Ом: Короткое замыкание между шинами
      70 Ом или более: Обрыв в линиях главной шины
      G34-13 (CA2H) - G34-4 (GND) Провод отсоединен от отрицательного (-) вывода аккумуляторной батареи 200 Ом или более Менее 200 Ом: Короткое замыкание цепи CANH на массу
      G34-12 (CA2L) - G34-4 (GND) Провод отсоединен от отрицательного (-) вывода аккумуляторной батареи 200 Ом или более Менее 200 Ом: Короткое замыкание цепи CANL на массу
      G34-13 (CA2H) - G34-2 (BATT) Провод отсоединен от отрицательного (-) вывода аккумуляторной батареи 6 кОм или более Менее 6 кОм: Короткое замыкание CANH на +B
      G34-12 (CA2L) - G34-2 (BATT) Провод отсоединен от отрицательного (-) вывода аккумуляторной батареи 6 кОм или более Менее 6 кОм: Короткое замыкание CANL на +B
      Результат
      Результат Перейти к
      OK А
      Обрыв в главных шинах CAN B
      Короткое замыкание между шинами C

      • Короткое замыкание на массу

      • Замыкание на +B

      D

    B
    C
    D
    А
  2. ПРОВЕРЬТЕ, ВЫВОДЯТСЯ ЛИ DTC


    1. Вновь подсоедините провод к отрицательному (-) выводу аккумуляторной батареи.

    2. Подключите GTS к DLC3.

    3. Включите зажигание (IG).

    4. Включите GTS.

    5. Удалите коды DTC.


      Body Electrical > Gateway > Clear DTCs
    6. Выключите зажигание.

    7. Включите зажигание (IG).

    8. Проверьте наличие кодов DTC.


      Body Electrical > Gateway > Trouble Codes
      Результат
      Результат Перейти к
      ЭБУ сетевого шлюза не выводит код DTC U1002 (информация на экране GTS: Gateway) А
      ЭБУ сетевого шлюза выводит код DTC U1002 (информация на экране GTS: Gateway) B

    А
    B
  3. ПРОВЕРЬТЕ ГЛАВНЫЕ ЛИНИИ ВСПОМОГАТЕЛЬНОЙ ШИНЫ 2 НА ОБРЫВ (ЭБУ СЕТЕВОГО ШЛЮЗА)


    1. A01UFJ3C07
      *a

      Вид спереди разъема со стороны жгута проводов:

      (к ЭБУ сетевого шлюза)

      Отсоедините разъем G34 ЭБУ сетевого шлюза.

    2. Измерьте сопротивление в соответствии со значениями, приведенными в таблице ниже.

      Номинальное сопротивление
      Подключение диагностического прибора Условие Заданные условия
      G34-13 (CA2H) - G34-12 (CA2L) Провод отсоединен от отрицательного (-) вывода аккумуляторной батареи 108 - 132 Ом
      Результат
      Результат
      OK
      NG

    OK
    NG
  4. ПРОВЕРЬТЕ ГЛАВНЫЕ ЛИНИИ ВСПОМОГАТЕЛЬНОЙ ШИНЫ 2 НА ОБРЫВ (КОНТАКТ РАСПРЕДЕЛИТЕЛЬНОГО БЛОКА ШИНЫ CAN № 2)


    1. Подсоедините разъем G34 ЭБУ сетевого шлюза.

    2. A01UEGTC59
      *a

      Вид спереди разъема со стороны жгута проводов:

      (к контакту распределительного блока шины CAN № 2)

      Отсоедините разъем G96 распределительного блока шины CAN № 2.

    3. Измерьте сопротивление в соответствии со значениями, приведенными в таблице ниже.

      Номинальное сопротивление
      Подключение диагностического прибора Условие Заданные условия
      G96-3 (CANH) - G96-2 (CANL) Провод отсоединен от отрицательного (-) вывода аккумуляторной батареи 108 - 132 Ом
      Результат
      Результат
      OK
      NG

    OK
    NG
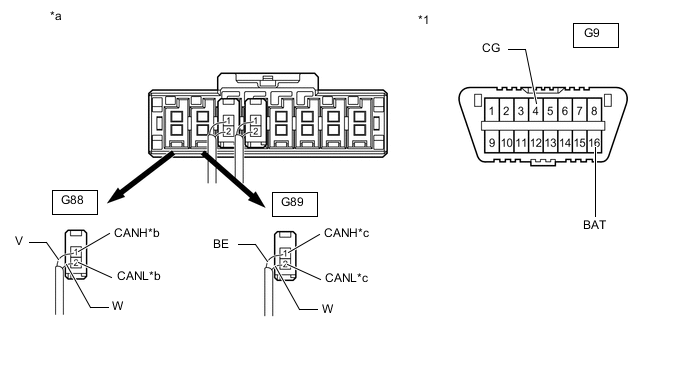
  5. ПРОВЕРЬТЕ ГЛАВНЫЕ ЛИНИИ ВСПОМОГАТЕЛЬНОЙ ШИНЫ 2 НА ОБРЫВ (РАЗЪЕМ РАСПРЕДЕЛИТЕЛЬНОГО БЛОКА ШИНЫ CAN № 2)


    1. Подсоедините разъем G96 распределительного блока шины CAN № 2.

    2. Отсоедините разъемы G88 и G89 распределительного блока шины CAN № 2.

      Tech Tips


      • Разъемы, подключенные к разъему распределительного блока шины CAN, можно различать по цвету шин CAN.

      • Перед отсоединением разъемов сделайте пометку, где они подключены.

      • Подсоединение разъемов к ненадлежащим местам распределительного блока шины CAN не влияет на работу системы. Однако желательно подсоединять разъемы к соответствующим местам, чтобы не повредить проводку, например, в результате натяжения жгутов, а также облегчить последующее обслуживание.

    3. Измерьте сопротивление в соответствии со значениями, приведенными в таблице ниже.

      A01UF8GC01
      *a

      Вид сзади разъема со стороны жгута проводов

      (к разъему распределительного блока шины CAN № 2)

      *b к контакту распределительного блока шины CAN № 2
      *c К ЭБУ сетевого шлюза - -
      Цвет проводки:
      Код Цвет (со стороны CANH) Цвет (со стороны CANL) Куда подсоединить
      G88 V W Контакт распределительного блока шины CAN № 2
      G89 BE W ЭБУ сетевого шлюза
      Номинальное сопротивление
      Подключение диагностического прибора Условие Заданные условия Куда подсоединить
      G88-1 (CANH) - G88-2 (CANL) Провод отсоединен от отрицательного (-) вывода аккумуляторной батареи 108 - 132 Ом Контакт распределительного блока шины CAN № 2
      G89-1 (CANH) - G89-2 (CANL) Провод отсоединен от отрицательного (-) вывода аккумуляторной батареи 108 - 132 Ом ЭБУ сетевого шлюза
      Результат
      Результат Перейти к
      OK А
      NG (главная шина распределительного блока шины CAN № 2) B
      NG (главная шина ЭБУ сетевого шлюза) C

    А
    B
    C
  6. ПРОВЕРЬТЕ ГЛАВНЫЕ ЛИНИИ ВСПОМОГАТЕЛЬНОЙ ШИНЫ 2 НА КОРОТКОЕ ЗАМЫКАНИЕ (ЭБУ СЕТЕВОГО ШЛЮЗА)


    1. A01UFJ3C07
      *a

      Вид спереди разъема со стороны жгута проводов:

      (к ЭБУ сетевого шлюза)

      Отсоедините разъем G34 ЭБУ сетевого шлюза.

    2. Измерьте сопротивление в соответствии со значениями, приведенными в таблице ниже.

      Номинальное сопротивление
      Подключение диагностического прибора Условие Заданные условия
      G34-13 (CA2H) - G34-12 (CA2L) Провод отсоединен от отрицательного (-) вывода аккумуляторной батареи 108 - 132 Ом
      Результат
      Результат
      OK
      NG

    OK
    NG
  7. ПРОВЕРЬТЕ ЛИНИИ ВСПОМОГАТЕЛЬНОЙ ШИНЫ 2 НА КОРОТКОЕ ЗАМЫКАНИЕ (КОНТАКТ РАСПРЕДЕЛИТЕЛЬНОГО БЛОКА ШИНЫ CAN № 2)


    1. Подсоедините разъем G34 ЭБУ сетевого шлюза.

    2. A01UEGTC59
      *a

      Вид спереди разъема со стороны жгута проводов:

      (к контакту распределительного блока шины CAN № 2)

      Отсоедините разъем G96 распределительного блока шины CAN № 2.

    3. Измерьте сопротивление в соответствии со значениями, приведенными в таблице ниже.

      Номинальное сопротивление
      Подключение диагностического прибора Условие Заданные условия
      G96-3 (CANH) - G96-2 (CANL) Провод отсоединен от отрицательного (-) вывода аккумуляторной батареи 108 - 132 Ом
      Результат
      Результат
      OK
      NG

    OK
    NG
  8. ПРОВЕРЬТЕ ЛИНИИ ВСПОМОГАТЕЛЬНОЙ ШИНЫ 2 НА КОРОТКОЕ ЗАМЫКАНИЕ (РАЗЪЕМ РАСПРЕДЕЛИТЕЛЬНОГО БЛОКА ШИНЫ CAN № 2 - ЭБУ СЕТЕВОГО ШЛЮЗА)


    1. Подсоедините разъем G96 распределительного блока шины CAN № 2.

    2. Отсоедините разъемы G88 и G89 распределительного блока шины CAN № 2.

      Tech Tips


      • Разъемы, подключенные к разъему распределительного блока шины CAN, можно различать по цвету шин CAN.

      • Перед отсоединением разъемов сделайте пометку, где они подключены.

      • Подсоединение разъемов к ненадлежащим местам распределительного блока шины CAN не влияет на работу системы. Однако желательно подсоединять разъемы к соответствующим местам, чтобы не повредить проводку, например, в результате натяжения жгутов, а также облегчить последующее обслуживание.

    3. Измерьте сопротивление в соответствии со значениями, приведенными в таблице ниже.

      A01UF8GC02
      *a

      Вид сзади разъема со стороны жгута проводов

      (к разъему распределительного блока шины CAN № 2)

      *b к контакту распределительного блока шины CAN № 2
      *c К ЭБУ сетевого шлюза - -
      Цвет проводки:
      Код Цвет (со стороны CANH) Цвет (со стороны CANL) Куда подсоединить
      G88 V W Контакт распределительного блока шины CAN № 2
      G89 BE W ЭБУ сетевого шлюза
      Номинальное сопротивление
      Подключение диагностического прибора Условие Заданные условия Куда подсоединить
      G88-1 (CANH) - G88-2 (CANL) Провод отсоединен от отрицательного (-) вывода аккумуляторной батареи 108 - 132 Ом Контакт распределительного блока шины CAN № 2
      G89-1 (CANH) - G89-2 (CANL) Провод отсоединен от отрицательного (-) вывода аккумуляторной батареи 108 - 132 Ом ЭБУ сетевого шлюза
      Результат
      Результат Перейти к
      OK А
      NG (главная шина распределительного блока шины CAN № 2) B
      NG (главная шина ЭБУ сетевого шлюза) C

    B
    C
    А
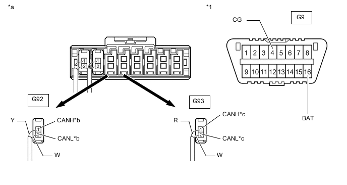
  9. ПРОВЕРЬТЕ ЛИНИИ ВСПОМОГАТЕЛЬНОЙ ШИНЫ 2 НА КОРОТКОЕ ЗАМЫКАНИЕ (РАЗЪЕМ РАСПРЕДЕЛИТЕЛЬНОГО БЛОКА ШИНЫ CAN № 2)


    1. Подсоедините разъемы G88 и G89 распределительного блока шины CAN № 2.

    2. Отсоедините разъемы G92, G93 и G95 распределительного блока шины CAN № 2.

      Tech Tips


      • Разъемы, подключенные к разъему распределительного блока шины CAN, можно различать по цвету шин CAN.

      • Перед отсоединением разъемов сделайте пометку, где они подключены.

      • Подсоединение разъемов к ненадлежащим местам распределительного блока шины CAN не влияет на работу системы. Однако желательно подсоединять разъемы к соответствующим местам, чтобы не повредить проводку, например, в результате натяжения жгутов, а также облегчить последующее обслуживание.

    3. Измерьте сопротивление в соответствии со значениями, приведенными в таблице ниже.

      A01UE0DC01
      *a

      Вид сзади разъема со стороны жгута проводов

      (к разъему распределительного блока шины CAN № 2)

      *b

      К ЭБУ системы помощи при парковке

      (для моделей с системой панорамного обзора)

      *c

      к внутреннему зеркалу заднего вида в сборе

      (для моделей с системой автоматического включения дальнего света)

      - -
      Цвет проводки:
      Код Цвет (со стороны CANH) Цвет (со стороны CANL) Куда подсоединить
      G92 Y W ЭБУ системы помощи при парковке*1
      G93 R W Внутреннее зеркало заднего вида в сборе*2

      *1: для моделей с системой панорамного обзора

      *2: для моделей с системой автоматического включения дальнего света

      Номинальное сопротивление
      Подключение диагностического прибора Условие Заданные условия Куда подсоединить
      G92-1 (CANH) - G92-2 (CANL) Провод отсоединен от отрицательного (-) вывода аккумуляторной батареи 200 Ом или более ЭБУ системы помощи при парковке*1
      G93-1 (CANH) - G93-2 (CANL) Провод отсоединен от отрицательного (-) вывода аккумуляторной батареи 200 Ом или более Внутреннее зеркало заднего вида в сборе*2
      *1: для моделей с системой панорамного обзора
      *2: для моделей с системой автоматического включения дальнего света
      Результат
      Результат
      OK
      NG

    OK
    NG
  10. ПРОВЕРЬТЕ ЛИНИИ ВСПОМОГАТЕЛЬНОЙ ШИНЫ 2 CAN НА КОРОТКОЕ ЗАМЫКАНИЕ (ЭБУ, ДАТЧИК)


    1. Подсоедините все жгуты проводов.

    2. Отсоедините разъем, содержащий контакты CANH и CANL, от ЭБУ (или датчика), к которому подсоединена замкнутая накоротко вспомогательная шина.

      Нажмите здесь Click here

    3. A01UDWNC34
      *a

      Устройство с подсоединенным жгутом проводов

      (ЭБУ сетевого шлюза)

      Измерьте сопротивление в соответствии со значениями, приведенными в таблице ниже.

      Номинальное сопротивление
      Подключение диагностического прибора Условие Заданные условия
      G34-13 (CA2H) - G34-12 (CA2L) Провод отсоединен от отрицательного (-) вывода аккумуляторной батареи 54 - 69 Ом

      Tech Tips

      Если при отсоединении разъема от ЭБУ (или датчика) сопротивление стало нормальным (54–69 Ом), возможно короткое замыкание в ЭБУ (или датчике).

      Результат
      Результат
      OK
      NG

    OK
    NG
  11. ПРОВЕРЬТЕ ВСПОМОГАТЕЛЬНУЮ ШИНУ 2 НА КОРОТКОЕ ЗАМЫКАНИЕ (ЭБУ СЕТЕВОГО ШЛЮЗА)


    1. Отсоедините разъем G34 ЭБУ сетевого шлюза.

    2. A01UFJ3C08
      *a

      Вид спереди разъема со стороны жгута проводов:

      (к ЭБУ сетевого шлюза)

      Измерьте сопротивление в соответствии со значениями, приведенными в таблице ниже.

      Номинальное сопротивление
      Подключение диагностического прибора Условие Заданные условия Результат
      G34-13 (CA2H) - G34-4 (GND) Провод отсоединен от отрицательного (-) вывода аккумуляторной батареи 200 Ом или более Менее 200 Ом: Короткое замыкание цепи CANH на массу
      G34-12 (CA2L) - G34-4 (GND) Провод отсоединен от отрицательного (-) вывода аккумуляторной батареи 200 Ом или более Менее 200 Ом: Короткое замыкание цепи CANL на массу
      G34-13 (CA2H) - G34-2 (BATT) Провод отсоединен от отрицательного (-) вывода аккумуляторной батареи 6 кОм или более Менее 6 кОм: Короткое замыкание CANH на +B
      G34-12 (CA2L) - G34-2 (BATT) Провод отсоединен от отрицательного (-) вывода аккумуляторной батареи 6 кОм или более Менее 6 кОм: Короткое замыкание CANL на +B

      Tech Tips


      • Для достижения результата (короткое замыкание), полученного при проверке вспомогательной шины 2, необходимо лишь выполнить проверку, указанную в приведенной выше таблице.

      • Найдите в столбце "Результат" необходимую проверку, которая соответствует результату в столбце "Результат" для проверки вспомогательной шины 2.

      Результат
      Результат
      OK
      NG

    OK
    NG
  12. ПРОВЕРЬТЕ ЛИНИИ ВСПОМОГАТЕЛЬНОЙ ШИНЫ 2 НА КОРОТКОЕ ЗАМЫКАНИЕ (КОНТАКТ РАСПРЕДЕЛИТЕЛЬНОГО БЛОКА ШИНЫ CAN № 2)


    1. Подсоедините разъем G34 ЭБУ сетевого шлюза.

    2. A01UENIC28
      *1 DLC3
      *a

      Вид спереди разъема со стороны жгута проводов:

      (к контакту распределительного блока шины CAN № 2)

      Отсоедините разъем G96 распределительного блока шины CAN № 2.

    3. Измерьте сопротивление в соответствии со значениями, приведенными в таблице ниже.

      Номинальное сопротивление
      Подключение диагностического прибора Условие Заданные условия Результат
      G96-3 (CANH) - G9-4 (CG) Провод отсоединен от отрицательного (-) вывода аккумуляторной батареи 200 Ом или более Менее 200 Ом: Короткое замыкание цепи CANH на массу
      G96-2 (CANL) - G9-4 (CG) Провод отсоединен от отрицательного (-) вывода аккумуляторной батареи 200 Ом или более Менее 200 Ом: Короткое замыкание цепи CANL на массу
      G96-3 (CANH) - G9-16 (BAT) Провод отсоединен от отрицательного (-) вывода аккумуляторной батареи 6 кОм или более Менее 6 кОм: Короткое замыкание CANH на +B
      G96-2 (CANL) - G9-16 (BAT) Провод отсоединен от отрицательного (-) вывода аккумуляторной батареи 6 кОм или более Менее 6 кОм: Короткое замыкание CANL на +B

      Tech Tips


      • Для достижения результата (короткое замыкание), полученного при проверке вспомогательной шины 2, необходимо лишь выполнить проверку, указанную в приведенной выше таблице.

      • Найдите в столбце "Результат" необходимую проверку, которая соответствует результату в столбце "Результат" для проверки вспомогательной шины 2.

      Результат
      Результат
      OK
      NG

    OK
    NG
  13. ПРОВЕРЬТЕ ЛИНИЮ ВСПОМОГАТЕЛЬНОЙ ШИНЫ 2 НА КОРОТКОЕ ЗАМЫКАНИЕ (РАЗЪЕМ РАСПРЕДЕЛИТЕЛЬНОГО БЛОКА ШИНЫ CAN № 2 - ЭБУ СЕТЕВОГО ШЛЮЗА)


    1. Подсоедините разъем G96 распределительного блока шины CAN № 2.

    2. Отсоедините разъемы G88 и G89 распределительного блока шины CAN № 2.

      Tech Tips


      • Разъемы, подключенные к разъему распределительного блока шины CAN, можно различать по цвету шин CAN.

      • Перед отсоединением разъемов сделайте пометку, где они подключены.

      • Подсоединение разъемов к ненадлежащим местам распределительного блока шины CAN не влияет на работу системы. Однако желательно подсоединять разъемы к соответствующим местам, чтобы не повредить проводку, например, в результате натяжения жгутов, а также облегчить последующее обслуживание.

    3. Измерьте сопротивление в соответствии со значениями, приведенными в таблице ниже.

      A01UDWKC01
      *1 DLC3 - -
      *a

      Вид сзади разъема со стороны жгута проводов

      (к разъему распределительного блока шины CAN № 2)

      *b к контакту распределительного блока шины CAN № 2
      *c К ЭБУ сетевого шлюза - -
      Цвет проводки:
      Код Цвет (со стороны CANH) Цвет (со стороны CANL) Куда подсоединить
      G88 V W Контакт распределительного блока шины CAN № 2
      G89 BE W ЭБУ сетевого шлюза
      Номинальное сопротивление
      Подключение диагностического прибора Условие Заданные условия Результат Куда подсоединить
      G88-1 (CANH) - G9-4 (CG) Провод отсоединен от отрицательного (-) вывода аккумуляторной батареи 200 Ом или более Менее 200 Ом: Короткое замыкание цепи CANH на массу Контакт распределительного блока шины CAN № 2
      G88-2 (CANL) - G9-4 (CG) Провод отсоединен от отрицательного (-) вывода аккумуляторной батареи 200 Ом или более Менее 200 Ом: Короткое замыкание цепи CANL на массу
      G89-1 (CANH) - G9-4 (CG) Провод отсоединен от отрицательного (-) вывода аккумуляторной батареи 200 Ом или более Менее 200 Ом: Короткое замыкание цепи CANH на массу ЭБУ сетевого шлюза
      G89-2 (CANL) - G9-4 (CG) Провод отсоединен от отрицательного (-) вывода аккумуляторной батареи 200 Ом или более Менее 200 Ом: Короткое замыкание цепи CANL на массу
      G88-1 (CANH) - G9-16 (BAT) Провод отсоединен от отрицательного (-) вывода аккумуляторной батареи 6 кОм или более Менее 6 кОм: Короткое замыкание CANH на +B Контакт распределительного блока шины CAN № 2
      G88-2 (CANL) - G9-16 (BAT) Провод отсоединен от отрицательного (-) вывода аккумуляторной батареи 6 кОм или более Менее 6 кОм: Короткое замыкание CANL на +B
      G89-1 (CANH) - G9-16 (BAT) Провод отсоединен от отрицательного (-) вывода аккумуляторной батареи 6 кОм или более Менее 6 кОм: Короткое замыкание CANH на +B ЭБУ сетевого шлюза
      G89-2 (CANL) - G9-16 (BAT) Провод отсоединен от отрицательного (-) вывода аккумуляторной батареи 6 кОм или более Менее 6 кОм: Короткое замыкание CANL на +B

      Tech Tips


      • Для достижения результата (короткое замыкание), полученного при проверке вспомогательной шины 1, необходимо лишь выполнить проверку, указанную в приведенной выше таблице.

      • Найдите в столбце "Результат" необходимую проверку, которая соответствует результату в столбце "Результат" для проверки вспомогательной шины 1.

      Результат
      Результат Перейти к
      OK А
      NG (главная шина распределительного блока шины CAN № 2) B
      NG (главная шина ЭБУ сетевого шлюза) C

    B
    C
    А
  14. ПРОВЕРЬТЕ ЛИНИИ ВСПОМОГАТЕЛЬНОЙ ШИНЫ 2 НА КОРОТКОЕ ЗАМЫКАНИЕ (РАЗЪЕМ РАСПРЕДЕЛИТЕЛЬНОГО БЛОКА ШИНЫ CAN № 2)


    1. Подсоедините разъемы G88 и G89 распределительного блока шины CAN № 2.

    2. Отсоедините разъемы G92, G93 и G95 распределительного блока шины CAN № 2.

      Tech Tips


      • Разъемы, подключенные к разъему распределительного блока шины CAN, можно различать по цвету шин CAN.

      • Перед отсоединением разъемов сделайте пометку, где они подключены.

      • Подсоединение разъемов к ненадлежащим местам распределительного блока шины CAN не влияет на работу системы. Однако желательно подсоединять разъемы к соответствующим местам, чтобы не повредить проводку, например, в результате натяжения жгутов, а также облегчить последующее обслуживание.

    3. Измерьте сопротивление в соответствии со значениями, приведенными в таблице ниже.

      A01UF9UC01
      *1 DLC3 - -
      *a

      Вид сзади разъема со стороны жгута проводов

      (к разъему распределительного блока шины CAN № 2)

      *b

      К ЭБУ системы помощи при парковке

      (для моделей с системой панорамного обзора)

      *c

      к внутреннему зеркалу заднего вида в сборе

      (для моделей с системой автоматического включения дальнего света)

      - -
      Цвет проводки:
      Код Цвет (со стороны CANH) Цвет (со стороны CANL) Куда подсоединить
      G92 Y W ЭБУ системы помощи при парковке*1
      G93 R W Внутреннее зеркало заднего вида в сборе*2

      *1: для моделей с системой панорамного обзора

      *2: для моделей с системой автоматического включения дальнего света

      Номинальное сопротивление
      Подключение диагностического прибора Условие Заданные условия Результат Куда подсоединить
      G92-1 (CANH) - G9-4 (CG) Провод отсоединен от отрицательного (-) вывода аккумуляторной батареи 200 Ом или более Менее 200 Ом: Короткое замыкание цепи CANH на массу ЭБУ системы помощи при парковке*1
      G92-2 (CANL) - G9-4 (CG) Провод отсоединен от отрицательного (-) вывода аккумуляторной батареи 200 Ом или более Менее 200 Ом: Короткое замыкание цепи CANL на массу
      G93-1 (CANH) - G9-4 (CG) Провод отсоединен от отрицательного (-) вывода аккумуляторной батареи 200 Ом или более Менее 200 Ом: Короткое замыкание цепи CANH на массу Внутреннее зеркало заднего вида в сборе*2
      G93-2 (CANL) - G9-4 (CG) Провод отсоединен от отрицательного (-) вывода аккумуляторной батареи 200 Ом или более Менее 200 Ом: Короткое замыкание цепи CANL на массу
      G92-1 (CANH) - G9-16 (BAT) Провод отсоединен от отрицательного (-) вывода аккумуляторной батареи 6 кОм или более Менее 6 кОм: Короткое замыкание CANH на +B ЭБУ системы помощи при парковке*1
      G92-2 (CANL) - G9-16 (BAT) Провод отсоединен от отрицательного (-) вывода аккумуляторной батареи 6 кОм или более Менее 6 кОм: Короткое замыкание CANL на +B
      G93-1 (CANH) - G9-16 (BAT) Провод отсоединен от отрицательного (-) вывода аккумуляторной батареи 6 кОм или более Менее 6 кОм: Короткое замыкание CANH на +B Внутреннее зеркало заднего вида в сборе*2
      G93-2 (CANL) - G9-16 (BAT) Провод отсоединен от отрицательного (-) вывода аккумуляторной батареи 6 кОм или более Менее 6 кОм: Короткое замыкание CANL на +B
      *1: для моделей с системой панорамного обзора
      *2: для моделей с системой автоматического включения дальнего света

      Tech Tips


      • Для достижения результата (короткое замыкание), полученного при проверке вспомогательной шины 1, необходимо лишь выполнить проверку, указанную в приведенной выше таблице.

      • Найдите в столбце "Результат" необходимую проверку, которая соответствует результату в столбце "Результат" для проверки вспомогательной шины 1.

      Результат
      Результат
      OK
      NG

    OK
    NG
  15. ПРОВЕРЬТЕ ВСПОМОГАТЕЛЬНУЮ ШИНУ 2 НА КОРОТКОЕ ЗАМЫКАНИЕ (ЭБУ, ДАТЧИК)


    1. Подсоедините все жгуты проводов.

    2. Отсоедините разъем, содержащий контакты CANH и CANL, от ЭБУ (или датчика), к которому подсоединена линия шины, коротко замкнутая на +В или массу.

      Нажмите здесь Click here

    3. A01UDWNC33
      *a

      Устройство с подсоединенным жгутом проводов

      (ЭБУ сетевого шлюза)

      Измерьте сопротивление в соответствии со значениями, приведенными в таблице ниже.

      Номинальное сопротивление
      Подключение диагностического прибора Условие Заданные условия Результат
      G34-13 (CA2H) - G34-4 (GND) Провод отсоединен от отрицательного (-) вывода аккумуляторной батареи 200 Ом или более Менее 200 Ом: Короткое замыкание цепи CANH на массу
      G34-12 (CA2L) - G34-4 (GND) Провод отсоединен от отрицательного (-) вывода аккумуляторной батареи 200 Ом или более Менее 200 Ом: Короткое замыкание цепи CANL на массу
      G34-13 (CA2H) - G34-2 (BATT) Провод отсоединен от отрицательного (-) вывода аккумуляторной батареи 6 кОм или более Менее 6 кОм: Короткое замыкание CANH на +B
      G34-12 (CA2L) - G34-2 (BATT) Провод отсоединен от отрицательного (-) вывода аккумуляторной батареи 6 кОм или более Менее 6 кОм: Короткое замыкание CANL на +B

      Tech Tips


      • Для достижения результата (короткое замыкание), полученного при проверке вспомогательной шины 2, необходимо лишь выполнить проверку, указанную в приведенной выше таблице.

      • Если при отсоединении разъема от ЭБУ или датчика сопротивление стало нормальным, возможно короткое замыкание в ЭБУ или датчике.

      • Найдите в столбце "Результат" необходимую проверку, которая соответствует результату в столбце "Результат" для проверки вспомогательной шины 2.

      Результат
      Результат
      OK
      NG

    OK
    NG