Click here

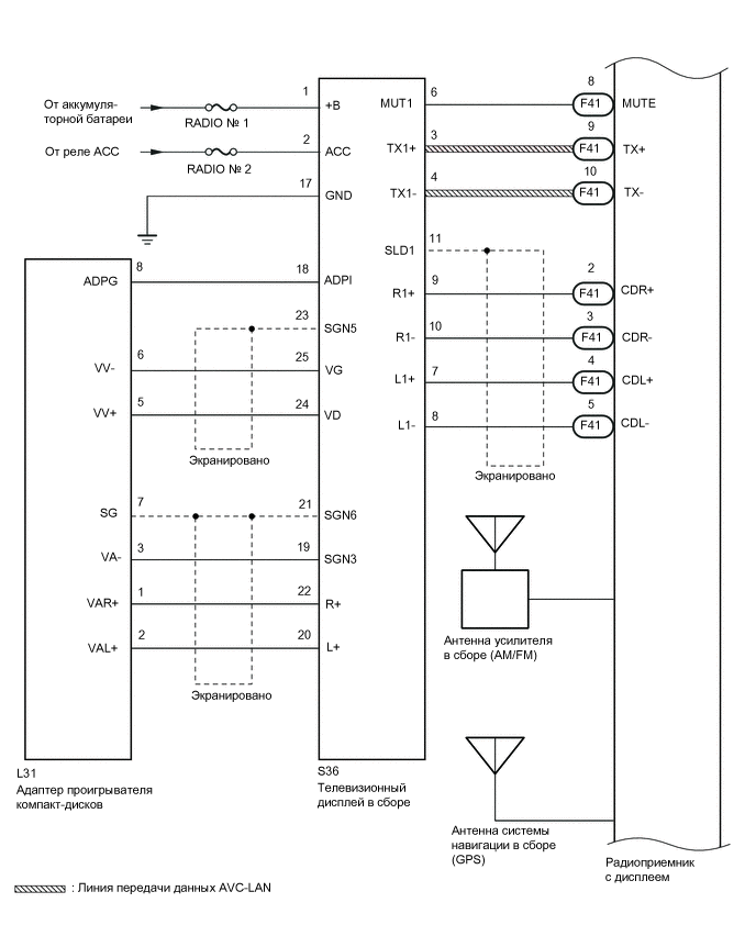
СИСТЕМА НАВИГАЦИИ (для моделей с радиоприемником с дисплеем) СХЕМА СИСТЕМЫ

Click here
A01UCOEE01
Table 1.
*a Экранировано
*b Переходник стереогнезда № 1 в сборе
*c Радиоприемник с дисплеем
*d Шина передачи данных USB
A01UD7CE01
A01UEMQE01
A01UD5EE01
A01UDY0E01
A01UDX3E02
A01UF90E03
Click here Click here