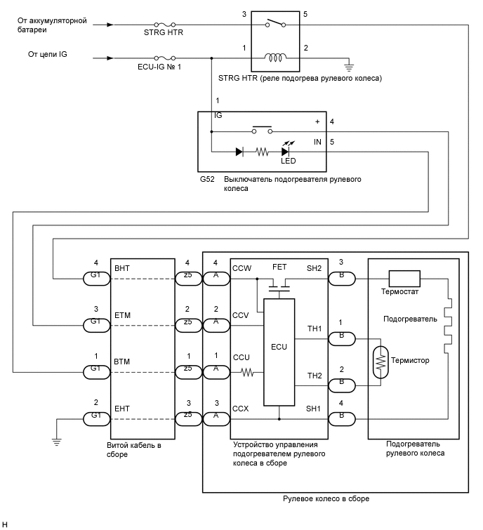
СИСТЕМА ПОДОГРЕВА РУЛЕВОГО КОЛЕСА СХЕМА СИСТЕМЫ


  1. СХЕМА СИСТЕМЫ

    A01IKHSE04